Запчасти Volvo L30 4982 Hydraulic valve L30 L30

Схема запчастей Volvo L30 - 4982 Hydraulic valve L30 L30
FIT
1:1
100%

Артикул

Название

Примечание

Количество

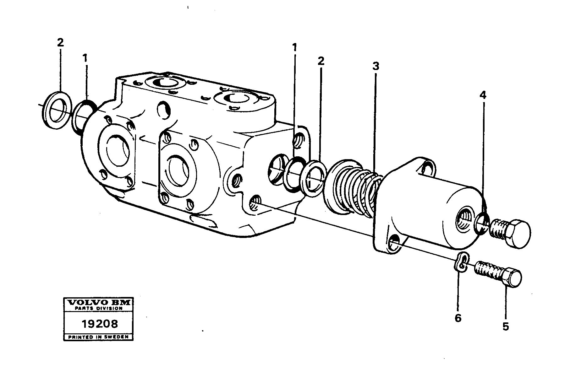
VOE 4881233

Клапан

1шт.

VOE 4881233

Valve

1шт.

1

VOE 6631316

Кольцо уплотнительное (О-кольцо)

1шт.

1

VOE 6631316

Кольцо уплотнительное (О-кольцо)

1шт.

2

VOE 6213637

Back-up ring

1шт.

3

VOE 6213636

Пружина

1шт.

4

VOE 6213635

Кольцо уплотнительное (О-кольцо)

1шт.

5

VOE 955535

Винт шестигранник

1шт.

5

VOE 955535

Винт шестигранник

1шт.

6

VOE 13942336

Шайба пружинная

1шт.

6

VOE 13942336

Шайба пружинная

1шт.

Выбрано товаров: 11