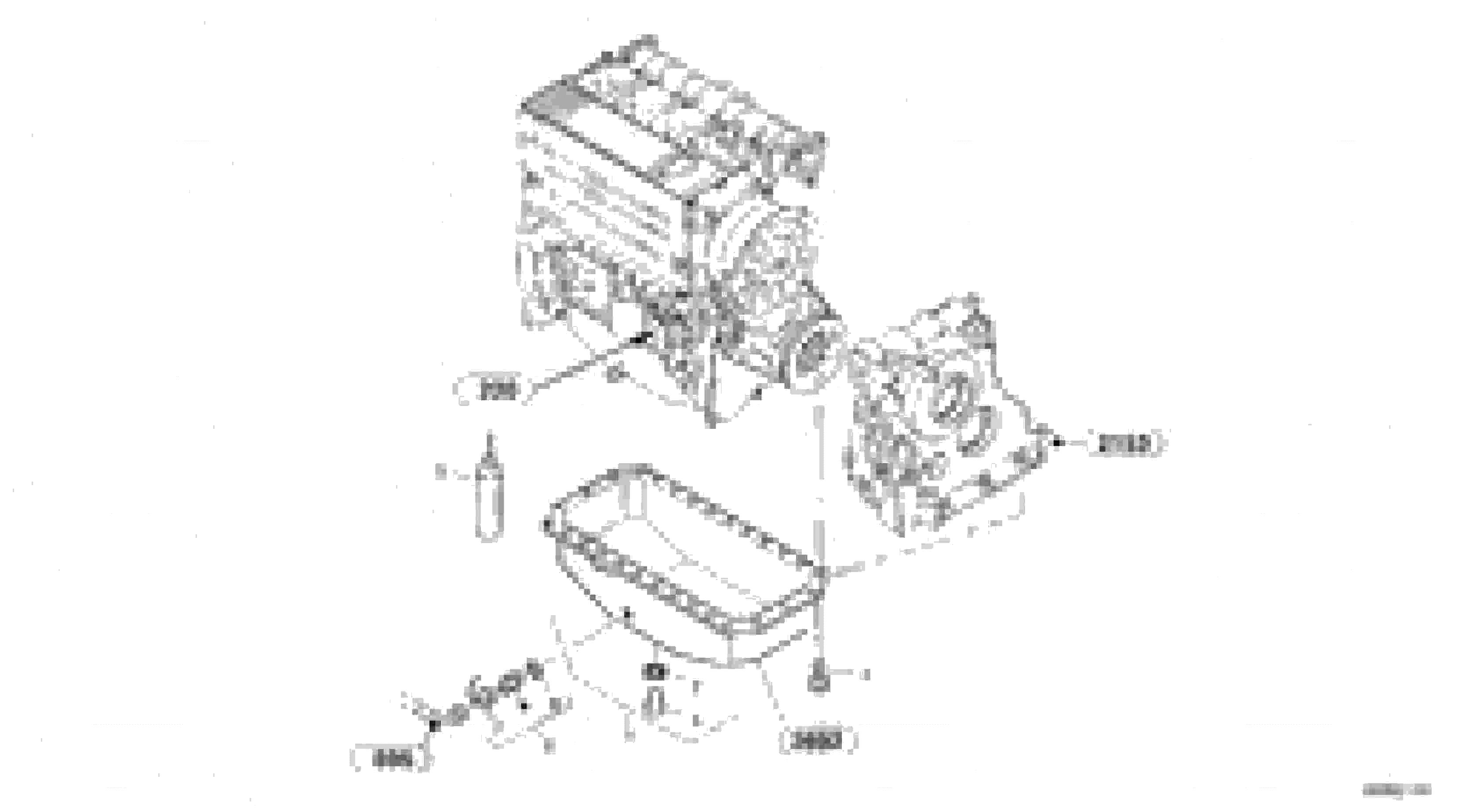
Запчасти Volvo L30B 1526 Oil sump L30B SER NO - 1803869 / 1812999 / 1822999

Схема запчастей Volvo L30B - 1526 Oil sump L30B SER NO - 1803869 / 1812999 / 1822999
FIT
1:1
100%

Артикул

Название

Примечание

Количество

1

ZM 2904060

Поддон картера (маслосборник)

1шт.

2

ZM 7099511

Прокладка

A18x24

1шт.

2

ZM 7099511

Сальник

A18x24

1шт.

3

ZM 7099428

пробки

M18x1,5

1шт.

4

ZM 2292234

Болт

1шт.

5

ZM 2903926

Sealing compound

1шт.

6

ZM 4384256

Valve

1шт.

6

ZM 4384256

Клапан

1шт.

7

ZM 2285689

Chain with cap

1шт.

8

ZM 7099518

Сальник

C18x24

1шт.

Выбрано товаров: 10