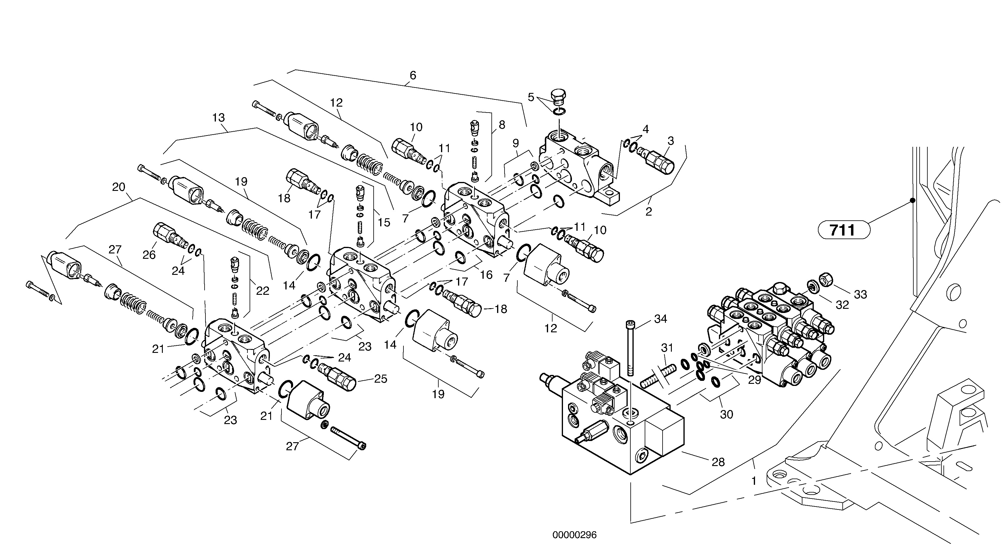
Запчасти Volvo L35 TYPE 186, 188, 189 SER NO - 2200 94285 Control valve - Boom suspension system (BSS)

Схема запчастей Volvo L35 TYPE 186, 188, 189 SER NO - 2200 - 94285 Control valve - Boom suspension system (BSS)
FIT
1:1
100%

Артикул

Название

Примечание

Количество

1

VOE 11308248

Conversion kit

1860370-/1880035-/

1шт.

1

ZM 2812921

Control valve, cpl

-1860369/-1880034

1шт.

10

ZM 2905262

Клапан

185 bar

1шт.

11

ZM 2903226

Gasket set

1шт.

12

ZM 2907183

End Cover

1шт.

13

ZM 2907523

Valve element

1шт.

14

ZM 2904649

Gasket set

1шт.

15

ZM 2903233

Клапан

1шт.

16

ZM 2903234

Gasket set

1шт.

17

ZM 2903226

Gasket set

1шт.

18

ZM 2905265

Клапан

280 bar

1шт.

19

ZM 2907183

End Cover

1шт.

2

ZM 2905268

Клапан впускной

1шт.

20

ZM 2907619

Valve Body

1860370-/1880035-/

1шт.

20

ZM 2907524

Valve element

-1860369/-1880034/

1шт.

21

ZM 2904649

Gasket set

1шт.

22

ZM 2903233

Клапан

1шт.

23

ZM 2903234

Gasket set

1шт.

24

ZM 2903226

Gasket set

1шт.

25

ZM 2907186

Valve, cpl

1шт.

26

ZM 2905264

Клапан

300 bar

1шт.

27

ZM 2907187

End Cover

1шт.

28

ZM 2907618

ZLS-valve

1860370-/1880035-/

1шт.

28

ZM 2907519

ZLS-valve

-1860369/-1880034/

1шт.

29

ZM 2907620

Кольцо уплотнительное (О-кольцо)

1860370-/1880034-

1шт.

29

ZM 2284327

Кольцо уплотнительное (О-кольцо)

-1860369/-1880034/

1шт.

3

ZM 2905266

Клапан

230 bar

1шт.

30

ZM 2903234

Gasket set

1шт.

31

ZM 2907522

Шпилька

1шт.

32

ZM 2907521

Шайба

1шт.

33

ZM 2907520

Гайка

1шт.

34

ZM 2811041

Болт

M10x150

1шт.

4

ZM 2903226

Gasket set

1шт.

5

ZM 2904648

Пробка (заглушка)

1шт.

6

ZM 2907182

Муфта

1шт.

7

ZM 2904649

Gasket set

1шт.

8

ZM 2903233

Клапан

1шт.

9

ZM 2903234

Gasket set

1шт.

Выбрано товаров: 0