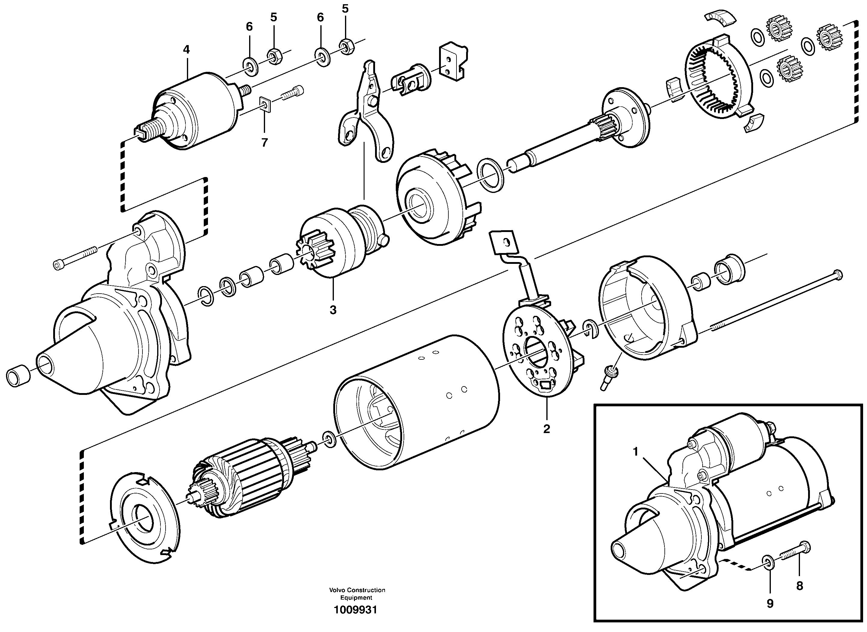
Запчасти Volvo L40B 1722 Starter motor with assembling details L40B S/N 1911500 - S/N 1921500 -

Схема запчастей Volvo L40B - 1722 Starter motor with assembling details L40B S/N 1911500 - S/N 1921500 -
FIT
1:1
100%

Артикул

Название

Примечание

Количество

1

VOE 20412737

Starter motor

1шт.

1

VOE 20412737

Starter motor

1шт.

2

VOE 20460457

Brush Retainer

1шт.

3

VOE 20460116

Starter pinion

1шт.

3

VOE 20460116

Starter pinion

1шт.

4

VOE 20460456

Реле

1шт.

4

VOE 20460456

Реле

1шт.

5

VOE 20460118

Hexagon nut

1шт.

5

VOE 20460118

Hexagon nut

1шт.

6

VOE 20460119

Стопорная шайба (кольцо)

1шт.

6

VOE 20460119

Стопорная шайба (кольцо)

1шт.

7

VOE 20460120

Зажим

1шт.

7

VOE 20460120

Зажим

1шт.

8

VOE 20593357

Винт шестигранник

1шт.

Выбрано товаров: 14