Запчасти Volvo ZL302C SER NO 2404001 - 35149 Wiper installation

Схема запчастей Volvo ZL302C SER NO 2404001 - - 35149 Wiper installation
FIT
1:1
100%

Артикул

Название

Примечание

Количество

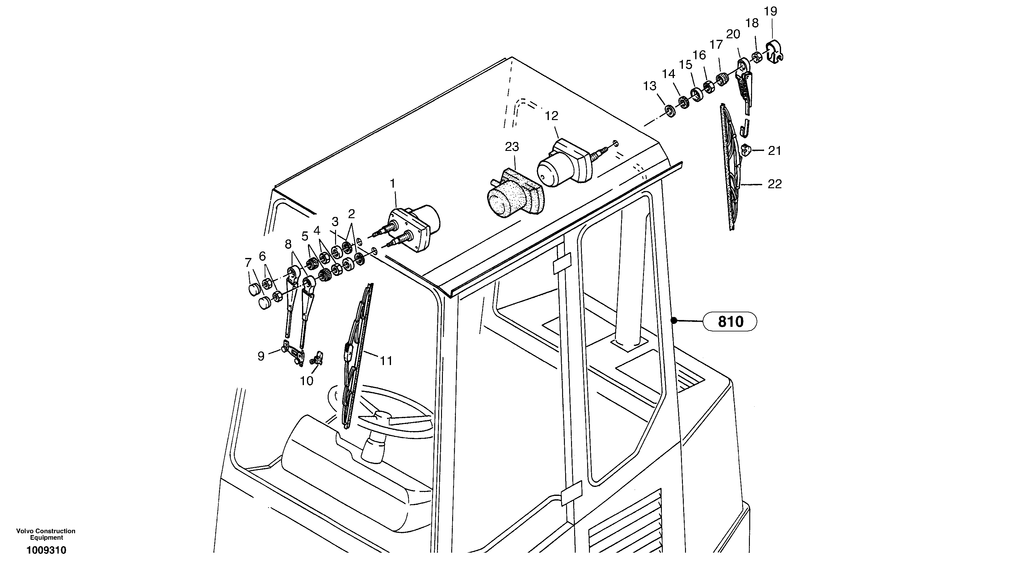
1

ZM 4385672

Wiper Motor

1шт.

10

ZM 4385650

Адаптер

1шт.

11

ZM 4385670

Щетка стеклоочистителя

1шт.

12

ZM 4385671

Motor

1шт.

13

VOE 13955897

Шайба

B13

1шт.

13

VOE 13955897

Шайба

B13

1шт.

14

ZM 4385560

Шайба

1шт.

15

ZM 4385561

Шайба

1шт.

16

ZM 7098077

Гайка

BM12x1

1шт.

17

ZM 4398335

Cap

1шт.

18

ZM 7098000

Гайка

M6

1шт.

19

ZM 2802126

Cap

1шт.

2

ZM 4385560

Шайба

1шт.

20

ZM 2802125

рычаг стеклоочистителя

1шт.

21

ZM 4385650

Адаптер

1шт.

22

ZM 2802897

Щетка стеклоочистителя

1шт.

23

ZM 4398313

Cap

1шт.

3

ZM 4385561

Шайба

1шт.

4

ZM 7098077

Гайка

BM12x1

1шт.

5

ZM 4398335

Cap

1шт.

6

ZM 7098000

Гайка

M6

1шт.

7

ZM 2202850

Cap

1шт.

8

ZM 2202810

рычаг стеклоочистителя

1шт.

9

ZM 4385669

Адаптер

1шт.

Выбрано товаров: 24