Запчасти Volvo ZL502C SER NO 0503001 - 3203 Motor oil preheating

Схема запчастей Volvo ZL502C SER NO 0503001 - - 3203 Motor oil preheating
FIT
1:1
100%

Артикул

Название

Примечание

Количество

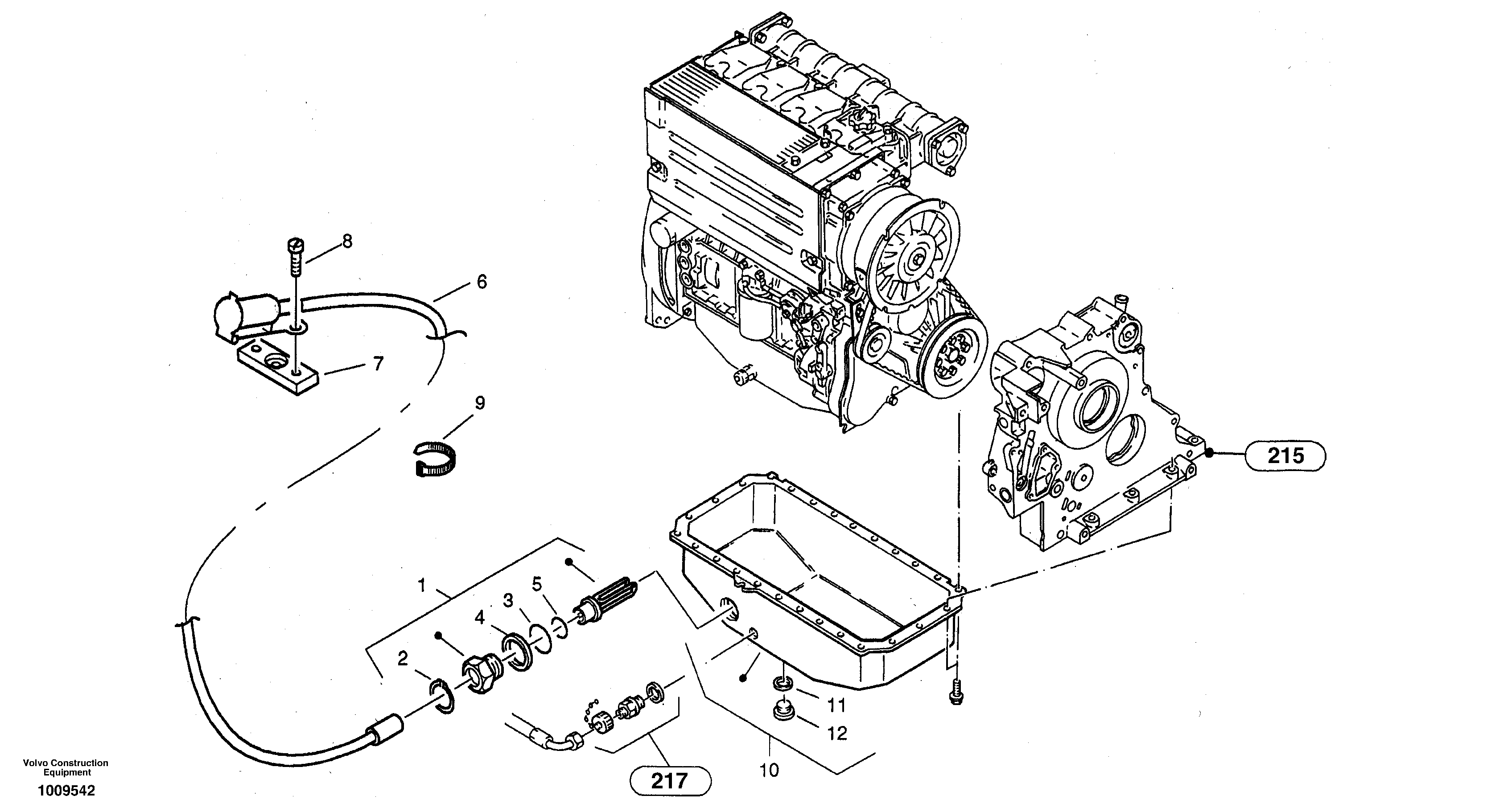
1

ZM 2800474

Радиатор

1шт.

10

ZM 2810253

Поддон картера (маслосборник)

1шт.

11

ZM 7099511

Прокладка

A18x24

1шт.

11

ZM 7099511

Сальник

A18x24

1шт.

12

ZM 7099428

пробки

M18x1,5

1шт.

2

ZM 2800839

Safety ring

38x17,5

1шт.

3

VOE 21046233

Кольцо уплотнительное

1шт.

4

ZM 2800832

Прокладка

1шт.

5

ZM 2800838

Кольцо уплотнительное (О-кольцо)

1шт.

6

ZM 2810486

Electric wire

1шт.

7

ZM 2808091

Top Plate

1шт.

8

ZM 7096665

Болт

1шт.

9

VOE 4881438

Cable tie

1шт.

9

VOE 4881438

Cable tie

1шт.

Выбрано товаров: 14