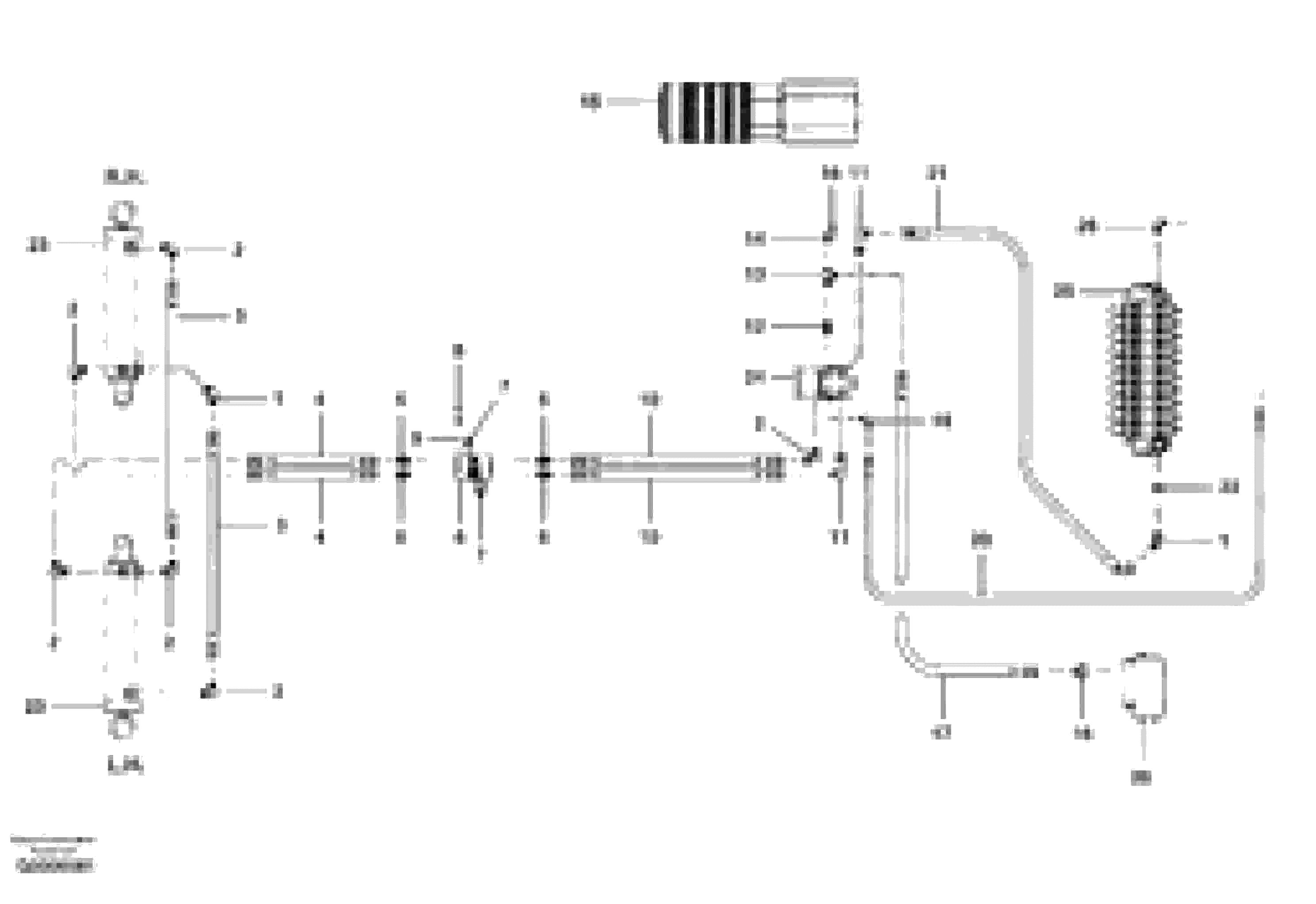
Запчасти Volvo G700 MODELS S/N 33000 - 8305 Steering circuit

Схема запчастей Volvo G700 MODELS S/N 33000 - - 8305 Steering circuit
FIT
1:1
100%

Артикул

Название

Примечание

Количество

1

CH 111A-0808

Elbow

1шт.

1

CH 111A-0808

Elbow

1шт.

10

CH 9313X148

Hose assembly

MODEL G710 - G736

1шт.

11

CH 111Q-0808

Elbow nipple

1шт.

11

CH 111Q-0808

Elbow nipple

1шт.

12

CH 89202

Клапан

1шт.

13

VOE 12725289

Elbow

1шт.

14

CH 97712

Nipple

male

1шт.

14

CH 97712

Nipple

male

1шт.

15

CH 97714

Testing Nipple

1шт.

15

CH 97714

Testing Nipple

1шт.

16

CH 97744

Dust Cap

1шт.

16

CH 97744

Dust Cap

1шт.

17

CH 9313X62

Шланг

1шт.

18

CH 111E-0816

Соединитель

1шт.

19

CH 111B-0604

Elbow

1шт.

19

CH 111B-0604

Elbow

1шт.

2

CH 111B-0808

Elbow nipple

1шт.

2

CH 111B-0808

Elbow nipple

1шт.

20

CH 89144X69

Hose assembly

load sense

1шт.

20

CH 89144X69

Hose assembly

load sense

1шт.

21

CH 78216X24

Hose assembly

1шт.

22

CH 111R-1208

Reducer

1шт.

3

CH 74106X24

Hose assembly

MODEL G710 - G740

1шт.

4

CH 9313X18

Hose assembly

1шт.

5

CH 111E-0808

Соединитель

1шт.

6

CH 97769

Клапан предохранительный (разгрузочный, сброса давления)

INCL ITEM NO 7

1шт.

7

CH 97859

Cartridge

1шт.

8

CH 50A-0514ZI

Винт шестигранник

1шт.

8

CH 50A-0514ZI

Винт шестигранник

1шт.

9

VOE 12727853

Шайба

1шт.

Выбрано товаров: 31