Запчасти Volvo G700 MODELS S/N 33000 - 51602 Air conditioning compressor and hoses

Схема запчастей Volvo G700 MODELS S/N 33000 - - 51602 Air conditioning compressor and hoses
FIT
1:1
100%

Артикул

Название

Примечание

Количество

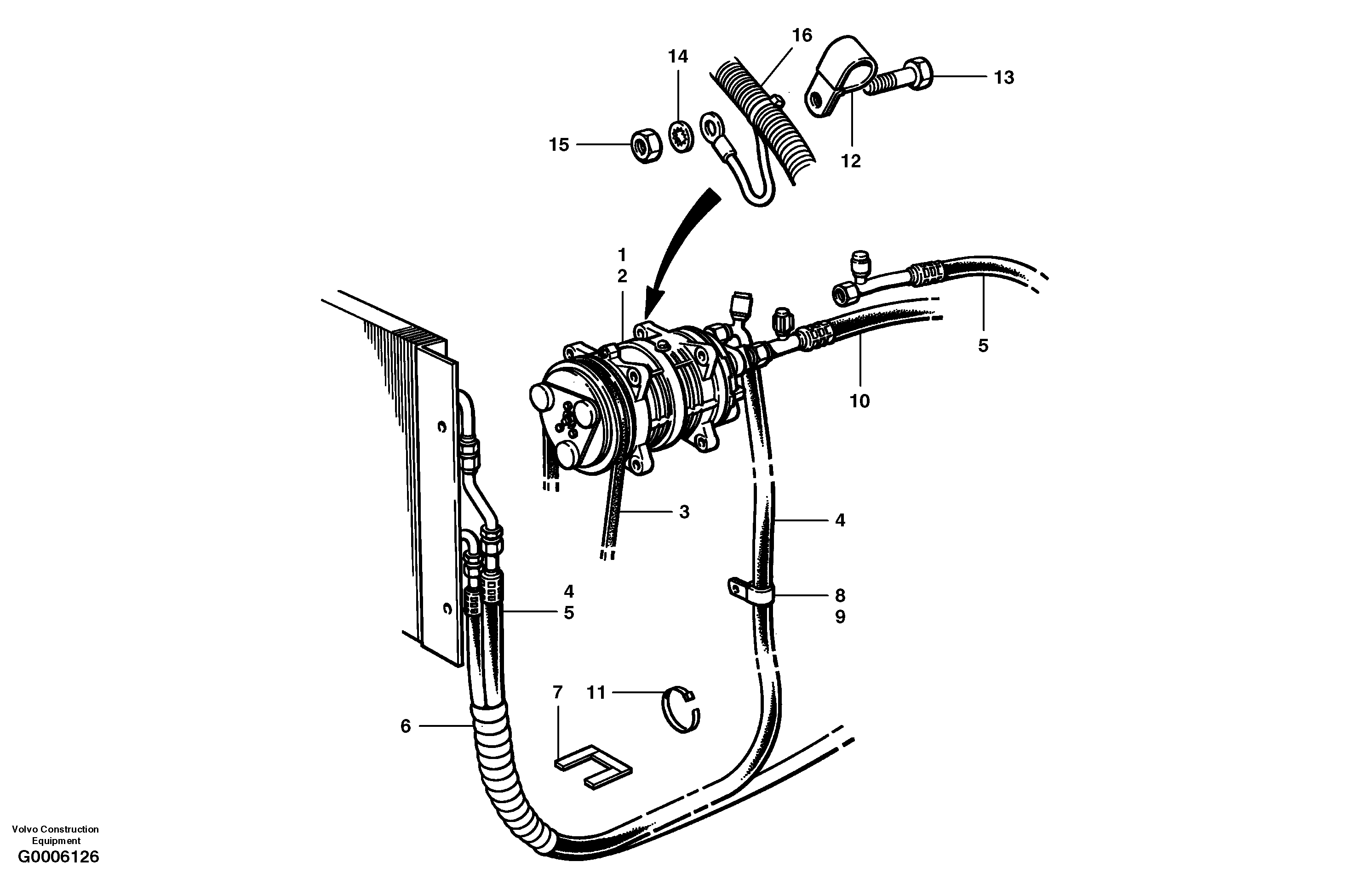
1

CH 95311

Compressor

INCL 2

1шт.

1

CH 95311

Compressor

INCL 2

1шт.

10

CH 400399

Hose assembly

1шт.

10

CH 400399

Hose assembly

1шт.

12

CH 32316

Зажим

1шт.

12

CH 32316

Зажим

1шт.

13

CH 50A-0612ZI

Винт шестигранник

1шт.

13

CH 50A-0612ZI

Винт шестигранник

1шт.

14

VOE 945987

Toothed Washer

1шт.

14

VOE 945987

Toothed Washer

1шт.

15

CH 30A-06ZI

Hexagon Nut

1шт.

15

CH 30A-06ZI

Hexagon Nut

1шт.

2

CH 96096

Соленоид (электромагнитная катушка)

1шт.

2

CH 96096

Соленоид (электромагнитная катушка)

1шт.

3

CH 86800

Ремень клиновой (приводной)

MODEL G710 - G716

1шт.

3

CH 44213

Ремень клиновой (приводной)

MODEL G740 - G780

1шт.

3

CH 95448

Ремень клиновой (приводной)

MODEL G720 - G736

1шт.

4

CH 400401

Шланг

MODEL G710, G716A, G740 -

1шт.

5

CH 400400

Шланг

MODEL G720 - G736

1шт.

6

CH 41647

Hose Protection

1шт.

6

CH 41647

Hose Protection

1шт.

7

CH 32576X4

Trim moulding

1шт.

8

VOE 983334

Шайба

MODEL G740 - G780

1шт.

8

VOE 983334

Шайба

MODEL G740 - G780

1шт.

9

CH 32318

Зажим

MODEL G740 - G780

1шт.

9

CH 32318

Зажим

MODEL G740 - G780

1шт.

Выбрано товаров: 26