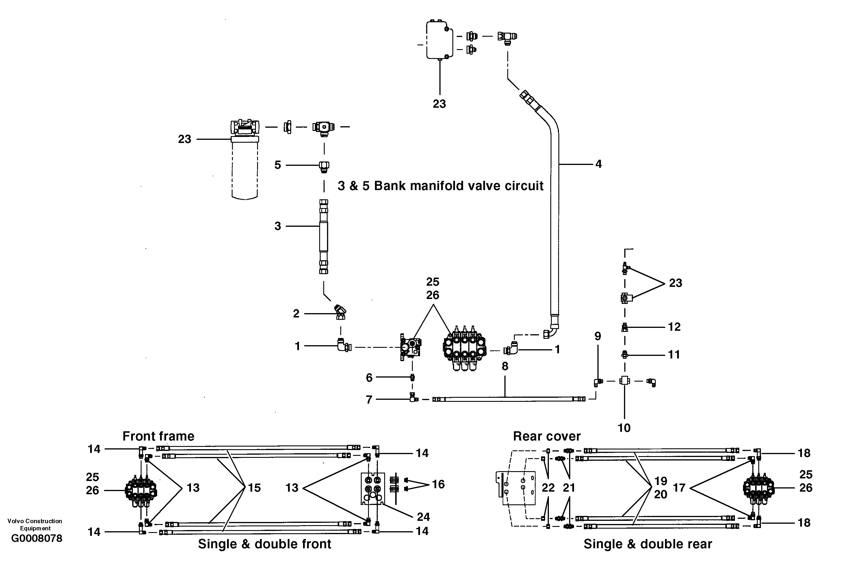
Запчасти Volvo G700 MODELS S/N 33000 - 63907 Attachments manifold valve hydraulic circuits

Схема запчастей Volvo G700 MODELS S/N 33000 - - 63907 Attachments manifold valve hydraulic circuits
FIT
1:1
100%

Артикул

Название

Примечание

Количество

1

CH 111B-1212

Elbow nipple

1шт.

1

CH 111B-1212

Elbow nipple

1шт.

10

CH 74699

Челночный клапан

1шт.

10

CH 74699

Челночный клапан

1шт.

11

CH 111E-0806

Соединитель

1шт.

12

CH 111G-0806

Адаптер

1шт.

13

CH 111B-0808

Elbow nipple

1 or 2

1шт.

13

CH 111B-0808

Elbow nipple

1 or 2

1шт.

14

CH 111Q-0808

Elbow nipple

1 or 2

1шт.

14

CH 111Q-0808

Elbow nipple

1 or 2

1шт.

15

CH 78192X240

Hose assembly

2 or 4

1шт.

16

CH 111H-08

Пробка (заглушка)

Single

1шт.

17

CH 111B-0808

Elbow nipple

1шт.

17

CH 111B-0808

Elbow nipple

1шт.

18

CH 111Q-0808

Elbow nipple

Double

1шт.

18

CH 111Q-0808

Elbow nipple

Double

1шт.

19

CH 78192X150

Hose assembly

2 or 4

1шт.

2

CH 112A-12

Elbow

1шт.

2

CH 112A-12

Elbow

1шт.

20

CH 41647

Hose protection

2 or 4

1шт.

20

CH 41647

Hose protection

2 or 4

1шт.

21

CH 110N-08

Переходник масляного фильтра

2 or 4

1шт.

21

CH 110N-08

Переходник масляного фильтра

2 or 4

1шт.

22

CH 110E-08

Cap Plug

1шт.

3

CH 28485X28

Hose assembly

1шт.

4

CH 74859X31

Hose assembly

1шт.

5

CH 110AH-1216

Reducer

1шт.

5

CH 110AH-1216

Reducer

1шт.

6

CH 111E-0604

Соединитель

1шт.

7

CH 112B-06

Elbow

1шт.

7

CH 112B-06

Elbow

1шт.

8

CH 89144X27

Hose assembly

1шт.

9

CH 111B-0606

Elbow

1шт.

9

CH 111B-0606

Elbow

1шт.

Выбрано товаров: 34