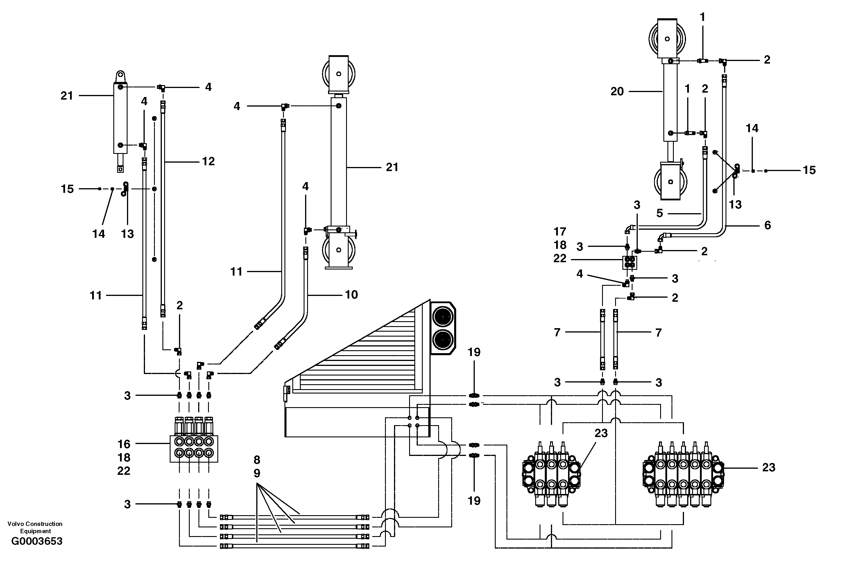
Запчасти Volvo G700 MODELS S/N 33000 - 21104 Rear mount wing hydraulics - cable wing

Схема запчастей Volvo G700 MODELS S/N 33000 - - 21104 Rear mount wing hydraulics - cable wing
FIT
1:1
100%

Артикул

Название

Примечание

Количество

1

CH 111F-0808

Nipple

1шт.

1

CH 111F-0808

Nipple

1шт.

10

CH 74429X27

Hose assembly

1шт.

11

CH 74429X60

Hose assembly

1шт.

12

CH 74429X106

Hose assembly

1шт.

13

CH 32318

Зажим

1шт.

13

CH 32318

Зажим

1шт.

14

VOE 12727850

Шайба

1шт.

15

CH 30A-06ZI

Hexagon Nut

1шт.

15

CH 30A-06ZI

Hexagon Nut

1шт.

16

CH 50A-0508ZI

Винт шестигранник

1шт.

16

CH 50A-0508ZI

Винт шестигранник

1шт.

17

CH 50A-0510ZI

Винт шестигранник

1шт.

17

CH 50A-0510ZI

Винт шестигранник

1шт.

18

VOE 12727853

Шайба

1шт.

2

CH 112B-08

Elbow

1шт.

2

CH 112B-08

Elbow

1шт.

3

CH 111E-0808

Соединитель

1шт.

4

CH 111B-0808

Elbow nipple

1шт.

4

CH 111B-0808

Elbow nipple

1шт.

5

CH 74430X60

Hose assembly

1шт.

6

CH 74430X80

Hose assembly

1шт.

7

CH 78192X27

Hose assembly

MODEL G780

1шт.

7

CH 78192X27

Hose assembly

MODEL G780

1шт.

7

CH 78192X20

Hose assembly

MODEL G710 - G740

1шт.

8

CH 78192X24

Hose assembly

MODEL G710 - G740

1шт.

8

CH 78192X24

Hose assembly

MODEL G710 - G740

1шт.

9

CH 78192X28

Hose assembly

MODEL G780

1шт.

Выбрано товаров: 28