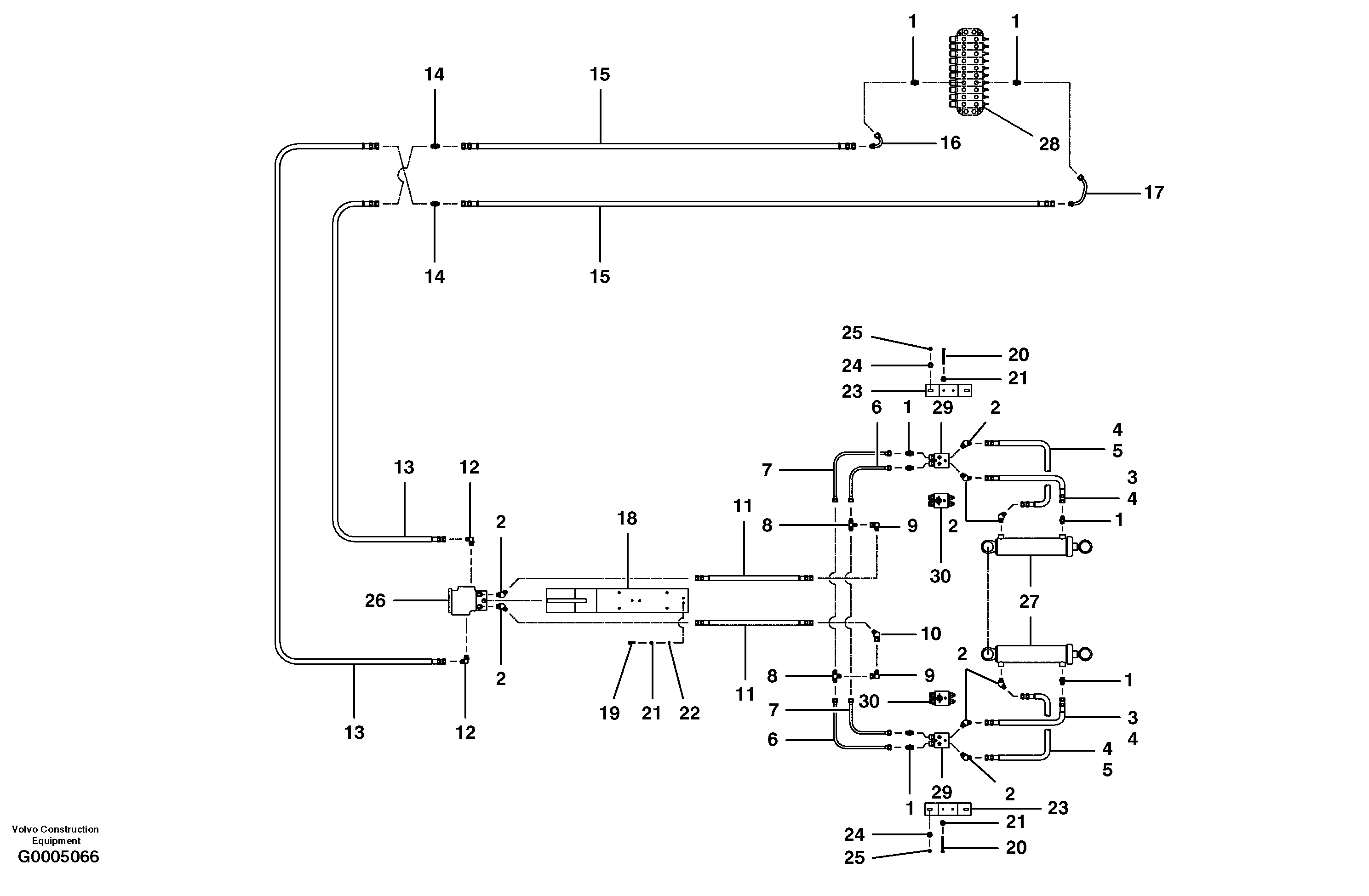
Запчасти Volvo G700 MODELS S/N 33000 - 40524 Blade tilt circuit

Схема запчастей Volvo G700 MODELS S/N 33000 - - 40524 Blade tilt circuit
FIT
1:1
100%

Артикул

Название

Примечание

Количество

1

CH 111E-0808

Соединитель

1шт.

10

CH 112A-08

Elbow nipple

1шт.

10

CH 112A-08

Elbow nipple

1шт.

11

CH 78192X31

Hose assembly

1шт.

12

CH 111B-0808

Elbow nipple

1шт.

12

CH 111B-0808

Elbow nipple

1шт.

13

CH 78192X127

Hose assembly

MODEL G740 - G780

1шт.

13

CH 78192X118

Hose assembly

MODEL G720 - G736

1шт.

14

CH 110L-0808

Соединитель

1шт.

15

CH 78192X127

Hose assembly

MODEL G720 - G736

1шт.

15

CH 78192X133

Hose assembly

MODEL G740 - G780

1шт.

16

VOE 12725309

Трубка

1шт.

16

VOE 12725309

Трубка

1шт.

17

VOE 12725310

Трубка

1шт.

17

VOE 12725310

Трубка

1шт.

18

CH 403042

Рукоять

1шт.

19

CH 50A-0508ZI

Винт шестигранник

1шт.

19

CH 50A-0508ZI

Винт шестигранник

1шт.

2

CH 111A-0808

Elbow

1шт.

2

CH 111A-0808

Elbow

1шт.

20

CH 50A-0524ZI

Винт шестигранник

1шт.

21

VOE 983334

Шайба

1шт.

21

VOE 983334

Шайба

1шт.

22

CH 30A-05ZI

Hexagon Nut

1шт.

22

CH 30A-05ZI

Hexagon Nut

1шт.

23

CH 403044

Mounting Plate

1шт.

24

VOE 983335

Шайба

1шт.

24

VOE 983335

Шайба

1шт.

25

CH 30A-06ZI

Hexagon Nut

1шт.

25

CH 30A-06ZI

Hexagon Nut

1шт.

3

CH 74429X20

Hose assembly

MODEL G720 - G740

1шт.

4

CH 74429X24

Hose assembly

1шт.

5

CH 74429X28

Hose assembly

MODEL G780

1шт.

6

CH 17942

Трубка

1шт.

7

CH 17943

Трубка

1шт.

8

CH 110AA-08

Tee

1шт.

9

CH 112B-08

Elbow

1шт.

9

CH 112B-08

Elbow

1шт.

Выбрано товаров: 38