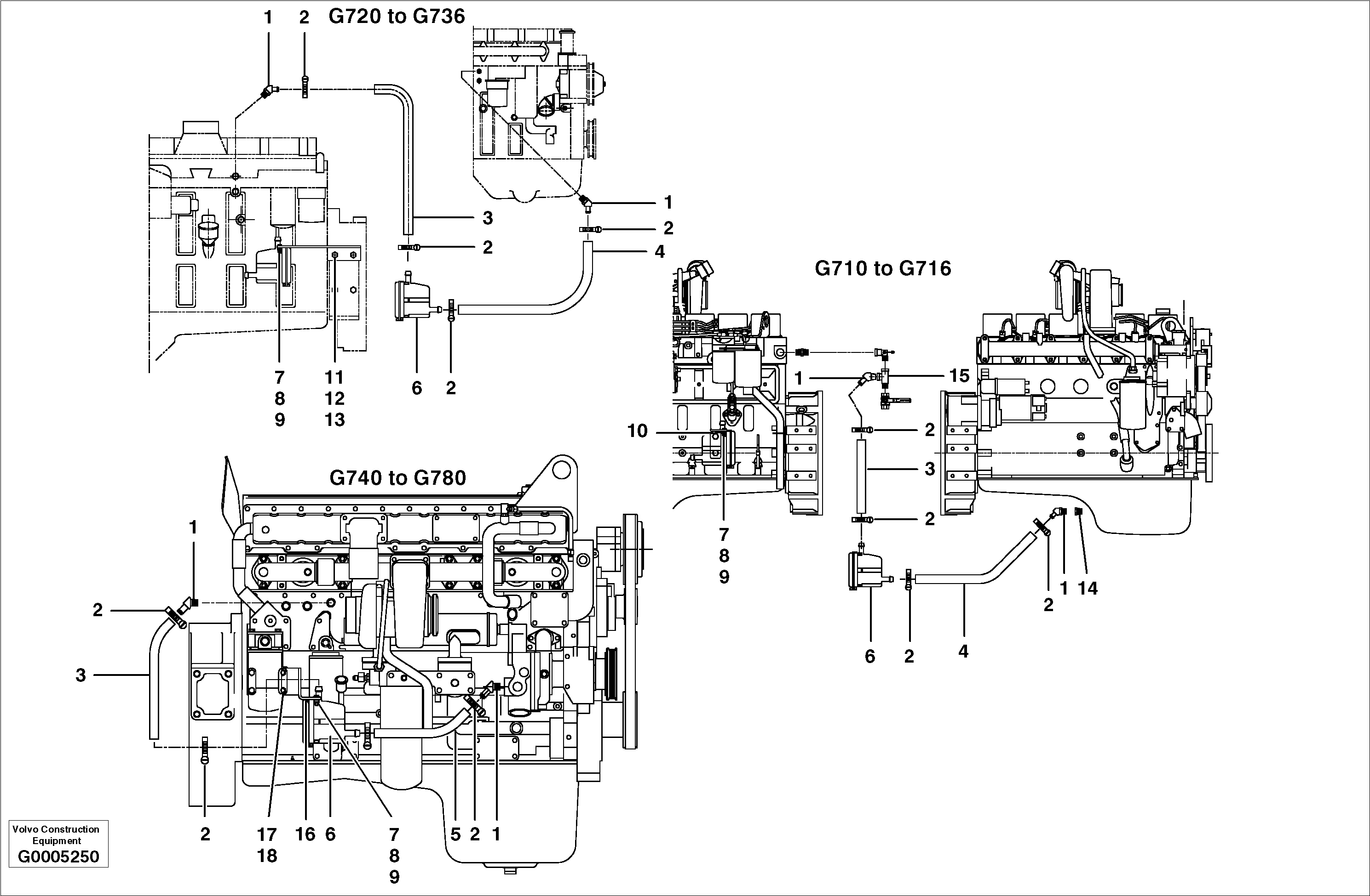
Запчасти Volvo G700 MODELS S/N 33000 - 19381 Recirculating coolant heater installation

Схема запчастей Volvo G700 MODELS S/N 33000 - - 19381 Recirculating coolant heater installation
FIT
1:1
100%

Артикул

Название

Примечание

Количество

1

CH 108F-1008

Elbow

1шт.

10

CH 95454

Кронштейн

MODEL G710 - G716

1шт.

11

CH 95453

Кронштейн

MODEL G720 - G736

1шт.

12

CH 350A-12020ZI

Винт шестигранник

MODEL G720 - G736

1шт.

13

CH 14F-08

Шайба

MODEL G720 - G736

1шт.

13

CH 14F-08

Шайба

MODEL G720 - G736

1шт.

14

CH 115B-0808

Соединитель

MODEL G710 - G716

1шт.

15

CH 115V-0808

Tee

MODEL G710 - G716

1шт.

16

CH 400389

Кронштейн

MODEL G740 - G780

1шт.

17

VOE 983276

Винт шестигранник

MODEL G740 - G780

1шт.

17

VOE 983276

Винт шестигранник

MODEL G740 - G780

1шт.

18

VOE 983910

Винт шестигранник

MODEL G740 - G780

1шт.

2

CH 22B-12

Hose Clamp

1шт.

2

CH 22B-12

Hose Clamp

1шт.

3

CH 800668

Hose assembly

1шт.

4

CH 800669

Hose assembly

MODEL G710 - G736

1шт.

5

CH 56651X36

Шланг

MODEL G740 - G780

1шт.

6

CH 93323

Heater

1шт.

7

CH 50A-0408ZI

Винт шестигранник

1шт.

7

CH 50A-0408ZI

Винт шестигранник

1шт.

8

VOE 955893

Шайба

1шт.

8

VOE 955893

Шайба

1шт.

9

CH 30A-04ZI

Hexagon Nut

1шт.

9

CH 30A-04ZI

Hexagon Nut

1шт.

Выбрано товаров: 24