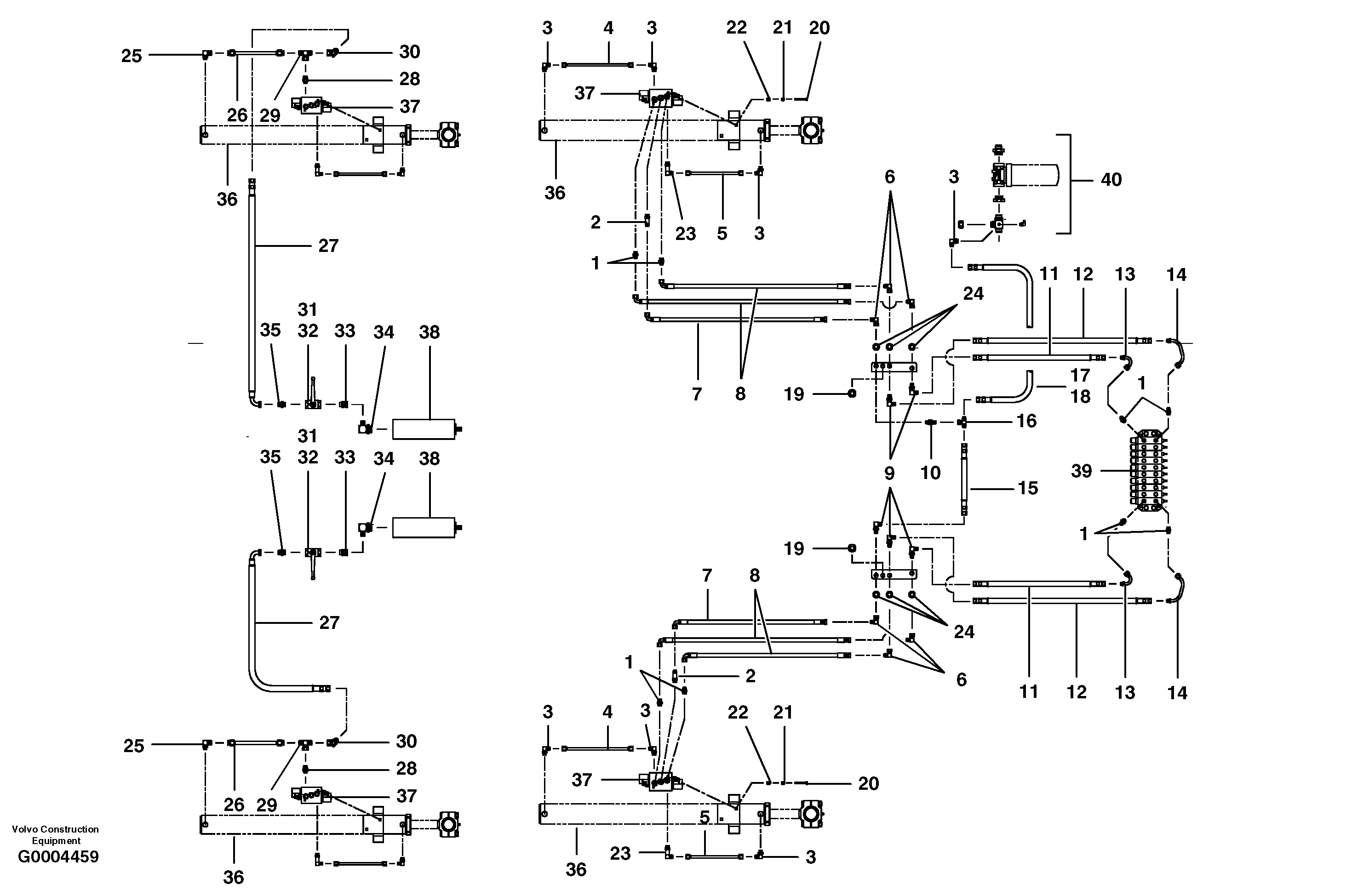
Запчасти Volvo G700 MODELS S/N 33000 - 30969 Blade lift circuit - HMBCS - float valve

Схема запчастей Volvo G700 MODELS S/N 33000 - - 30969 Blade lift circuit - HMBCS - float valve
FIT
1:1
100%

Артикул

Название

Примечание

Количество

1

CH 111E-0808

Соединитель

1шт.

10

CH 110N-08

Переходник масляного фильтра

1шт.

10

CH 110N-08

Переходник масляного фильтра

1шт.

11

CH 78192X52

Hose assembly

1шт.

12

CH 78192X58

Hose assembly

1шт.

13

VOE 12725309

Трубка

1шт.

13

VOE 12725309

Трубка

1шт.

14

VOE 12725310

Трубка

1шт.

14

VOE 12725310

Трубка

1шт.

15

CH 74106X24

Hose assembly

1шт.

16

CH 112D-08

Tee

1шт.

17

CH 9313X103

Шланг

1шт.

18

CH 17539X24

Hose Protection

frame

1шт.

18

CH 17539X24

Hose Protection

frame

1шт.

19

CH 74731

Уплотнительная втулка

1шт.

19

CH 74731

Уплотнительная втулка

1шт.

2

CH 111F-0808

Nipple

1шт.

2

CH 111F-0808

Nipple

1шт.

20

CH 50A-0528ZI

Винт шестигранник

1шт.

20

CH 50A-0528ZI

Винт шестигранник

1шт.

21

CH 14A-05ZI

Шайба

1шт.

21

CH 14A-05ZI

Шайба

1шт.

22

CH 38A-0502

Cage Nut

1шт.

22

CH 38A-0502

Cage Nut

1шт.

23

CH 111Q-0808

Elbow nipple

1шт.

23

CH 111Q-0808

Elbow nipple

1шт.

24

CH 14D-12ZI

Шайба

1шт.

25

CH 111B-1208

Elbow nipple

1шт.

26

CH 89641

Tube Assembly

1шт.

27

CH 55105X48

Hose assembly

1шт.

28

CH 111E-1208

Соединитель

1шт.

29

CH 112D-12

Tee

1шт.

3

CH 111B-0808

Elbow nipple

3 - 7

1шт.

3

CH 111B-0808

Elbow nipple

3 - 7

1шт.

30

CH 112A-12

Elbow

1шт.

30

CH 112A-12

Elbow

1шт.

31

CH 54911

Клапан

1шт.

32

CH 56874

Handle

1шт.

33

CH 54912

Соединитель

1шт.

34

CH 111B-1220

Elbow

1шт.

35

CH 111E-1212

Соединитель

1шт.

4

CH 89640

Tube Assembly

1шт.

5

CH 89621

Tube Assembly

1шт.

6

CH 112B-08

Elbow

1шт.

6

CH 112B-08

Elbow

1шт.

7

CH 78216X40

Hose assembly

1шт.

8

CH 78193X40

Hose assembly

1шт.

9

CH 110W-08

Elbow

1шт.

9

CH 110W-08

Elbow

1шт.

Выбрано товаров: 49