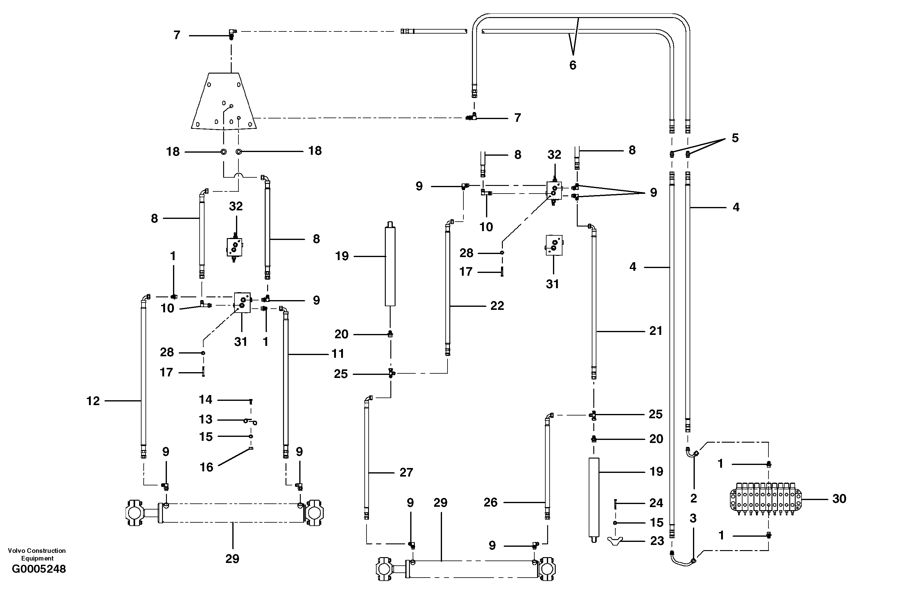
Запчасти Volvo G700 MODELS S/N 33000 - 16036 Circle shift circuit - MBCS/HMBCS

Схема запчастей Volvo G700 MODELS S/N 33000 - - 16036 Circle shift circuit - MBCS/HMBCS
FIT
1:1
100%

Артикул

Название

Примечание

Количество

1

CH 111E-0808

Соединитель

2 - 4

1шт.

10

CH 111Q-0808

Elbow nipple

1шт.

10

CH 111Q-0808

Elbow nipple

1шт.

11

CH 74430X41

Hose assembly

1шт.

12

CH 74430X57

Hose assembly

1шт.

13

CH 32318

Зажим

1шт.

13

CH 32318

Зажим

1шт.

14

CH 50A-0608ZI

Винт шестигранник

1шт.

14

CH 50A-0608ZI

Винт шестигранник

1шт.

15

VOE 12727850

Шайба

2 - 6

1шт.

16

CH 30A-06ZI

Hexagon Nut

1шт.

16

CH 30A-06ZI

Hexagon Nut

1шт.

17

CH 50A-0520ZI

Винт шестигранник

1шт.

17

CH 50A-0520ZI

Винт шестигранник

1шт.

18

VOE 12729862

Шайба

1шт.

19

CH 89111

Гидроаккумулятор

1шт.

19

VOE 12733051

Гидроаккумулятор

EEC

1шт.

2

VOE 12725309

Трубка

1шт.

2

VOE 12725309

Трубка

1шт.

20

CH 111E-0812

Соединитель

1шт.

21

CH 89112X16

Hose assembly

1шт.

22

CH 89112X24

Hose assembly

1шт.

23

CH 89114

Зажим

1шт.

24

CH 50A-0624ZI

Винт шестигранник

1шт.

24

CH 50A-0624ZI

Болт

1шт.

25

CH 112C-08

Tee

1шт.

26

CH 89112X52

Hose assembly

1шт.

27

CH 89112X56

Hose assembly

1шт.

28

VOE 12727853

Шайба

1шт.

3

VOE 12725310

Трубка

1шт.

3

VOE 12725310

Трубка

1шт.

4

CH 78192X133

Hose assembly

MODEL G740 - G780

1шт.

4

CH 78192X127

Hose assembly

MODEL G710 - G736

1шт.

5

CH 110L-08

Переходник масляного фильтра

1шт.

6

CH 78192X118

Hose assembly

MODEL G710 - G736

1шт.

6

CH 78192X127

Hose assembly

MODEL G740 - G780

1шт.

7

CH 110W-08

Elbow

1шт.

7

CH 110W-08

Elbow

1шт.

8

CH 78193X24

Hose assembly

1шт.

9

CH 111B-0808

Elbow nipple

3 - 5

1шт.

9

CH 111B-0808

Elbow nipple

3 - 5

1шт.

Выбрано товаров: 41