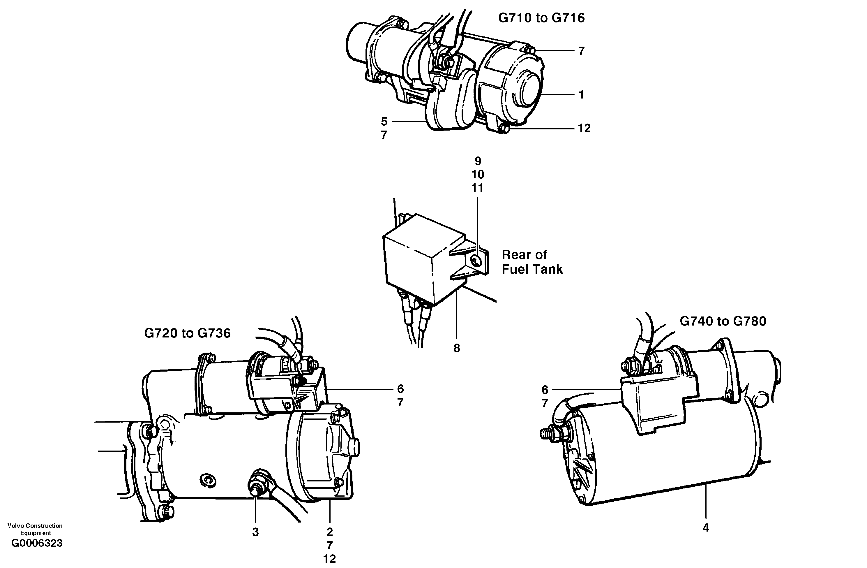
Запчасти Volvo G700 MODELS S/N 33000 - 22938 Starter motor

Схема запчастей Volvo G700 MODELS S/N 33000 - - 22938 Starter motor
FIT
1:1
100%

Артикул

Название

Примечание

Количество

1

CH 65908

Стартер

MODEL G710 - G716

1шт.

10

VOE 983379

Шайба

MODEL G710 - G736

1шт.

11

CH 32A-10

Hexagon Nut

MODEL G710 - G736

1шт.

11

CH 32A-10

Hexagon Nut

MODEL G710 - G736

1шт.

12

CH 330D-10ZI

Гайка

MODEL G710 - G736

1шт.

2

CH 84629

Стартер

INCL ITEM NO 3, MODEL

1шт.

3

CH 84631

Шпилька

MODEL G720 - G736

1шт.

4

CH 65906

Стартер

MODEL G740 - G780

1шт.

5

CH 65912

Terminal Casing

MODEL G710 - G716

1шт.

6

CH 65911

Terminal Casing

MODEL G720 - G780

1шт.

7

CH 330A-05ZI

Гайка

MODEL G710 - G730

1шт.

7

CH 330A-05ZI

Гайка

MODEL G740 - G780

1шт.

8

CH 73067

Реле

MODEL G710 - G736

1шт.

8

CH 73067

Реле

MODEL G710 - G736

1шт.

9

CH 52L-1006

Болт

MODEL G710 - G736

1шт.

9

CH 52L-1006

Болт

MODEL G710 - G736

1шт.

Выбрано товаров: 16