Запчасти Volvo G700B MODELS S/N 35000 - 7835 Wiring harness - cab

Схема запчастей Volvo G700B MODELS S/N 35000 - - 7835 Wiring harness - cab
FIT
1:1
100%

Артикул

Название

Примечание

Количество

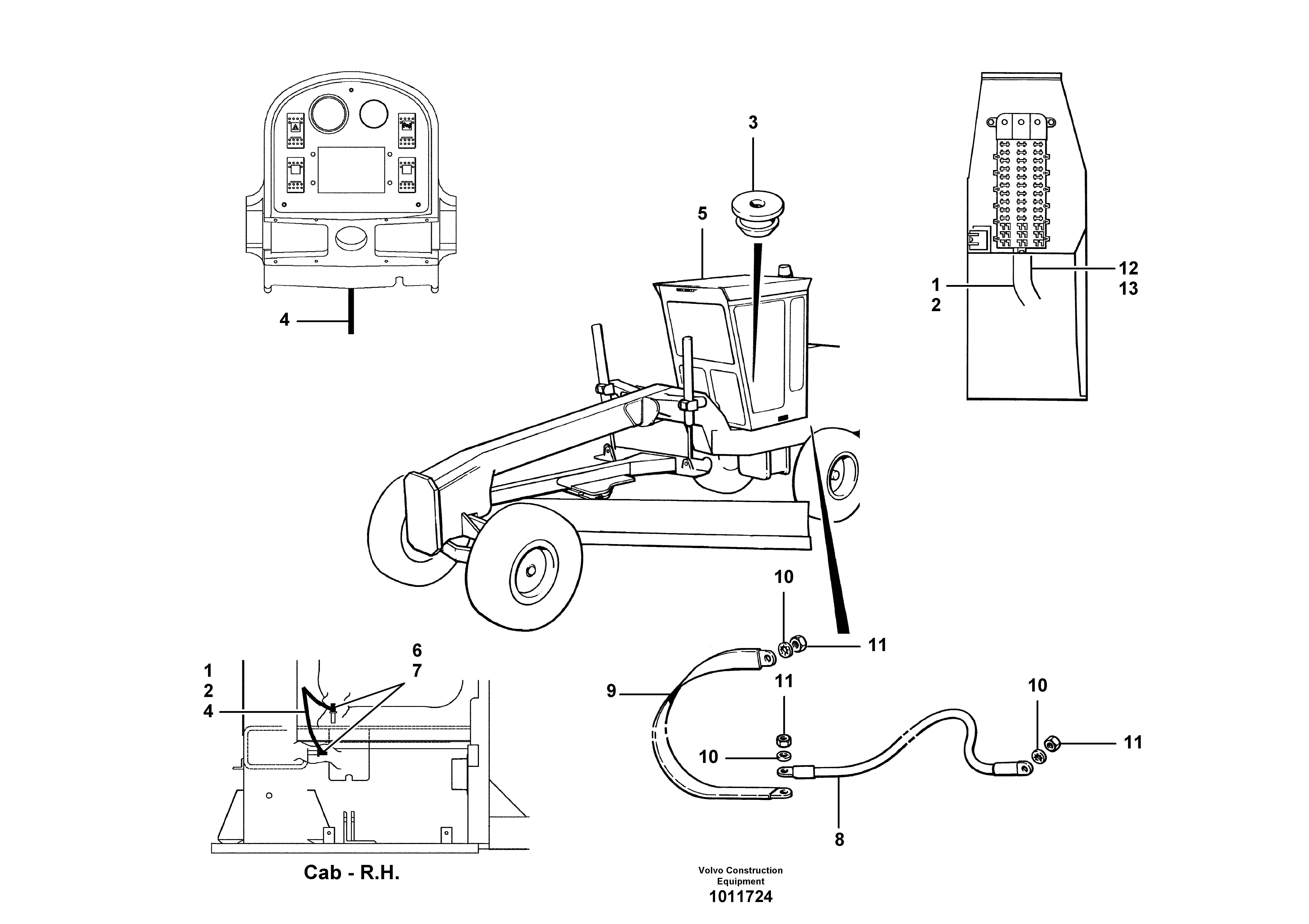
1

VOE 12732745

Cable harness

1шт.

10

VOE 13940109

Toothed Washer

1шт.

10

VOE 13940109

Стопорная шайба (кольцо)

1шт.

11

CH 30A-06ZI

Hexagon Nut

1шт.

11

CH 30A-06ZI

Hexagon Nut

1шт.

12

VOE 12735960

Cable harness

Cooler fan adapter

1шт.

13

CH 15774

Strip

1шт.

2

VOE 12731220

Cable harness

TUV

1шт.

3

VOE 12730677

Уплотнительная втулка

Console harness

1шт.

4

VOE 12733064

Cable harness

1шт.

5

VOE 12731930

Cable harness

L.H. defroster fan

1шт.

6

VOE 13940109

Toothed Washer

1шт.

6

VOE 13940109

Стопорная шайба (кольцо)

1шт.

7

CH 30A-06ZI

Hexagon Nut

1шт.

7

CH 30A-06ZI

Hexagon Nut

1шт.

8

CH 73828

Cable

1шт.

9

CH 73829

Ground cable

1шт.

Выбрано товаров: 0