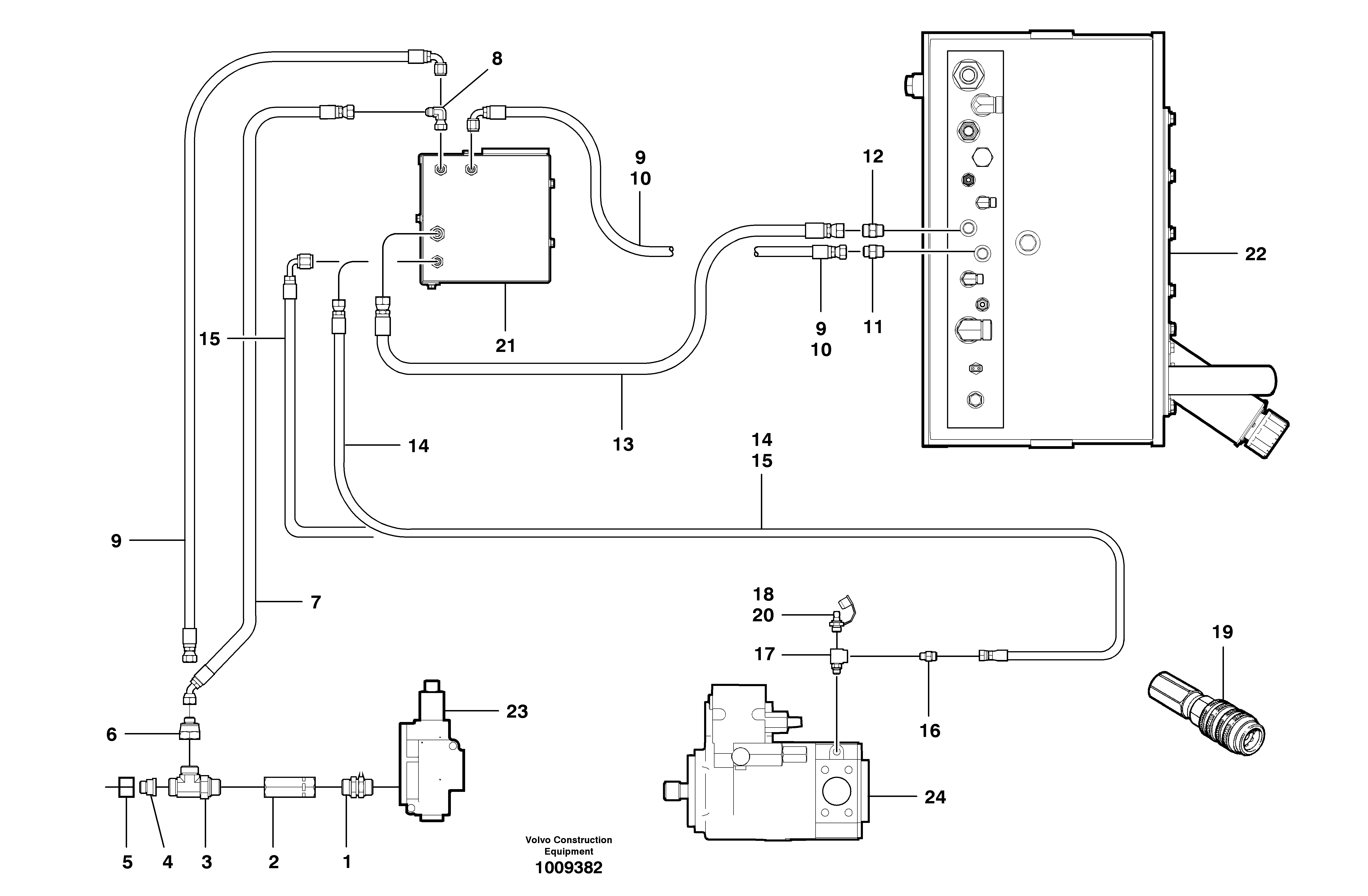
Запчасти Volvo G700B MODELS S/N 35000 - 29201 Supplemental steering circuit - standard

Схема запчастей Volvo G700B MODELS S/N 35000 - - 29201 Supplemental steering circuit - standard
FIT
1:1
100%

Артикул

Название

Примечание

Количество

1

VOE 936795

Nipple

1шт.

1

VOE 936795

Nipple

1шт.

10

VOE 12726017

Hose assembly

MODEL G780B

1шт.

11

VOE 935089

Nipple

1шт.

11

VOE 935089

Nipple

1шт.

12

VOE 13933923

Nipple

1шт.

12

VOE 13933923

Nipple

1шт.

13

VOE 12730293

Hose assembly

MODEL G710B - G740B

1шт.

13

VOE 12726023

Hose assembly

MODEL G780B

1шт.

14

VOE 12727574

Шланг

MODEL G710B - G740B

1шт.

15

VOE 12726508

Шланг

MODEL G780B

1шт.

16

VOE 935082

Nipple

1шт.

16

VOE 935082

Nipple

1шт.

17

VOE 12730278

T-nipple

1шт.

18

CH 97712

Nipple

Male

1шт.

18

CH 97712

Nipple

Male

1шт.

19

CH 97714

Testing Nipple

1шт.

19

CH 97714

Testing Nipple

1шт.

2

VOE 12724707

Клапан обратный

1шт.

20

CH 97744

Dust Cap

1шт.

20

CH 97744

Dust Cap

1шт.

3

VOE 12725653

T-nipple

1шт.

3

VOE 12725653

T-nipple

1шт.

4

VOE 13933946

Reduction nipple

1шт.

4

VOE 13933946

Reduction nipple

1шт.

5

VOE 13933877

Fitting Nut

1шт.

5

VOE 13933877

Fitting Nut

1шт.

6

VOE 12725671

Nipple

1шт.

7

VOE 12731240

Hose assembly

MODEL G780B

1шт.

8

CH 112B-06

Elbow

MODEL G780B

1шт.

8

CH 112B-06

Elbow

MODEL G780B

1шт.

9

VOE 12735151

Hose assembly

MODEL G710B - G740B

1шт.

Выбрано товаров: 32