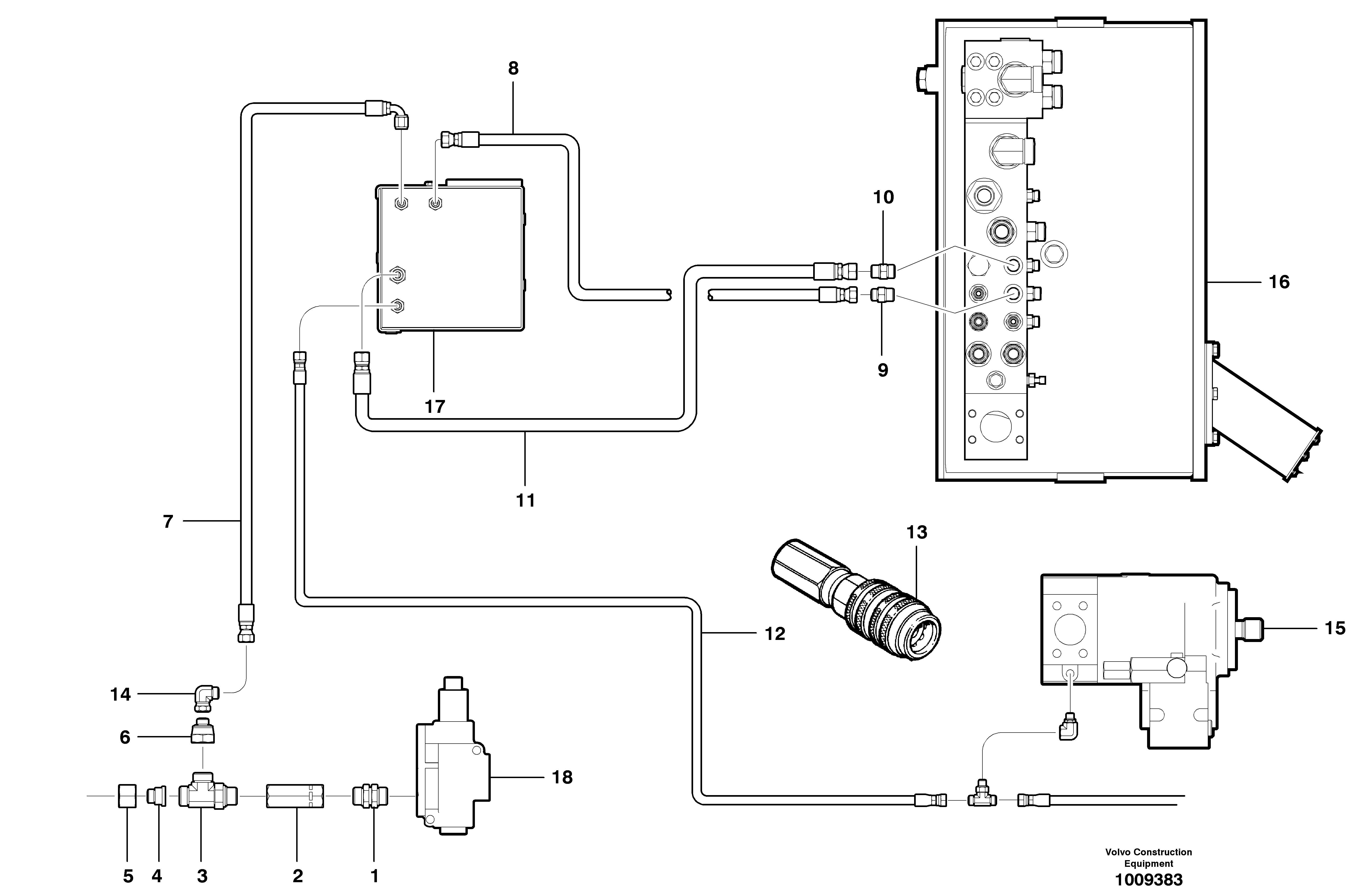
Запчасти Volvo G700B MODELS S/N 35000 - 29202 Supplemental steering circuit - AWD

Схема запчастей Volvo G700B MODELS S/N 35000 - - 29202 Supplemental steering circuit - AWD
FIT
1:1
100%

Артикул

Название

Примечание

Количество

1

VOE 936795

Nipple

1шт.

1

VOE 936795

Nipple

1шт.

10

VOE 13933923

Nipple

1шт.

10

VOE 13933923

Nipple

1шт.

11

VOE 12730293

Hose assembly

1шт.

12

VOE 12734352

Hose assembly

1шт.

13

CH 97714

Testing Nipple

1шт.

13

CH 97714

Testing Nipple

1шт.

14

VOE 13933900

Elbow nipple

1шт.

14

VOE 13933900

Elbow nipple

1шт.

2

VOE 12724707

Клапан обратный

1шт.

3

VOE 12725653

T-nipple

1шт.

3

VOE 12725653

T-nipple

1шт.

4

VOE 13933946

Reduction nipple

1шт.

4

VOE 13933946

Reduction nipple

1шт.

5

VOE 13933877

Fitting Nut

1шт.

5

VOE 13933877

Fitting Nut

1шт.

6

VOE 12725671

Nipple

1шт.

7

VOE 12726019

Hose assembly

1шт.

8

VOE 12730300

Hose assembly

1шт.

9

VOE 935089

Nipple

1шт.

9

VOE 935089

Nipple

1шт.

Выбрано товаров: 22