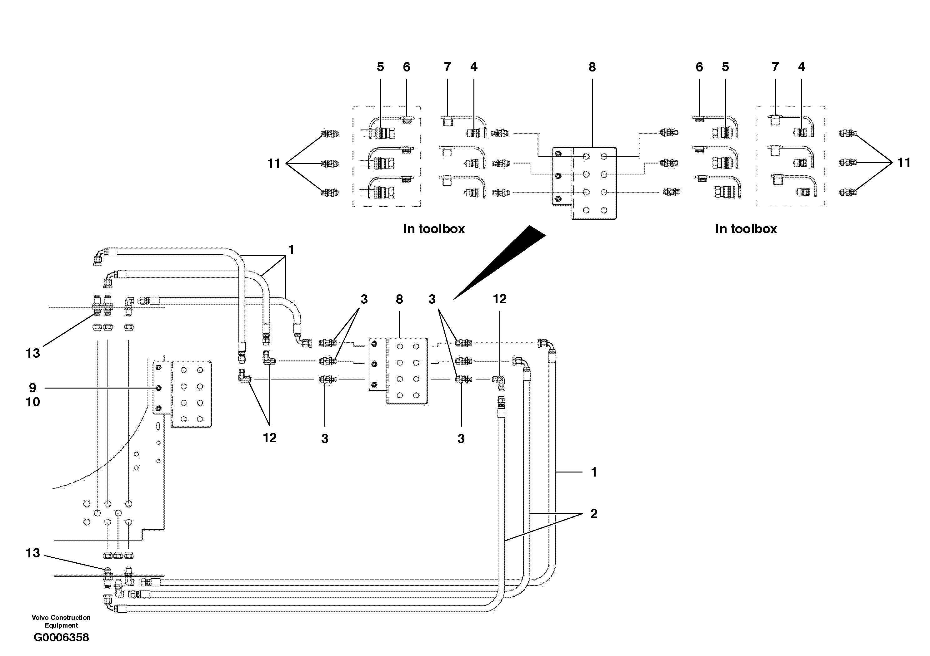
Запчасти Volvo G700B MODELS S/N 35000 - 49053 Rear auxilary hydraulic circuit - quick disconnect

Схема запчастей Volvo G700B MODELS S/N 35000 - - 49053 Rear auxilary hydraulic circuit - quick disconnect
FIT
1:1
100%

Артикул

Название

Примечание

Количество

1

VOE 12731196

Hose assembly

1шт.

10

VOE 983335

Шайба

1шт.

10

VOE 983335

Шайба

1шт.

11

CH 110G-0808

Соединитель

1шт.

12

CH 112B-08

Elbow

1шт.

12

CH 112B-08

Elbow

1шт.

2

VOE 12731277

Hose assembly

1шт.

3

VOE 12732150

Соединитель

1шт.

4

CH 99220

Муфта соединительная

Male

1шт.

5

CH 99219

Муфта соединительная

Female

1шт.

6

CH 95194

Пробка (заглушка)

1шт.

7

CH 95195

Dust Cap

1шт.

8

VOE 12731002

Кронштейн

1шт.

9

VOE 983272

Винт шестигранник

1шт.

9

VOE 983272

Винт шестигранник

1шт.

Выбрано товаров: 15