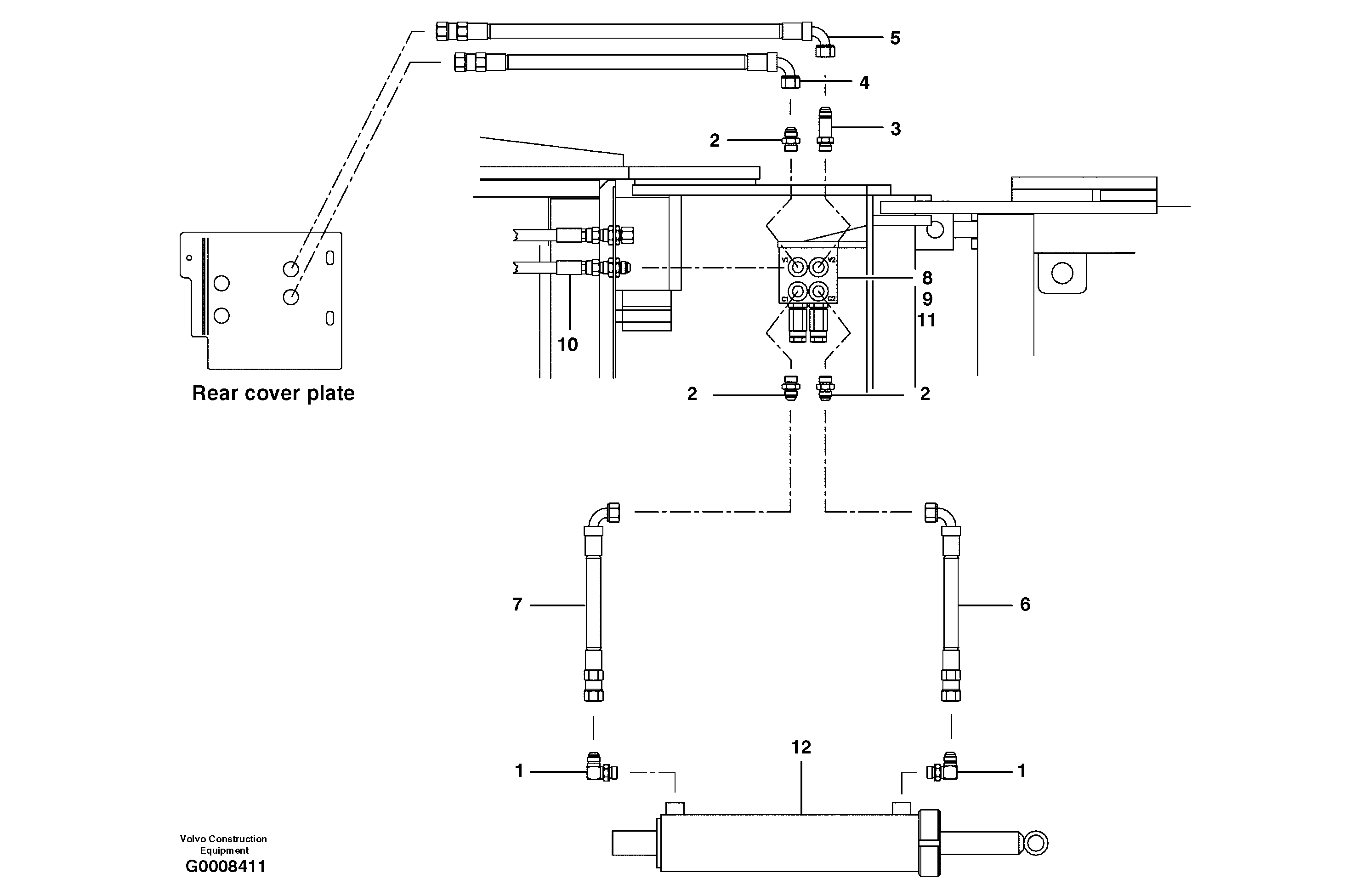
Запчасти Volvo G700B MODELS S/N 35000 - 19609 Windrow eliminator circuit

Схема запчастей Volvo G700B MODELS S/N 35000 - - 19609 Windrow eliminator circuit
FIT
1:1
100%

Артикул

Название

Примечание

Количество

1

CH 111E-0808

Соединитель

1шт.

10

VOE 983334

Шайба

1шт.

10

VOE 983334

Шайба

1шт.

11

CH 45699

Strip

1шт.

2

CH 111Q-0808

Elbow nipple

1шт.

2

CH 111Q-0808

Elbow nipple

1шт.

3

VOE 983264

Винт шестигранник

1шт.

4

CH 112B-08

Elbow

1шт.

4

CH 112B-08

Elbow

1шт.

5

CH 74430X25

Hose assembly

1шт.

6

CH 78192X27

Hose assembly

1шт.

6

CH 78192X27

Hose assembly

1шт.

7

VOE 983403

Lock nut

1шт.

7

VOE 983403

Lock nut

1шт.

8

CH 111B-0808

Elbow nipple

1шт.

8

CH 111B-0808

Elbow nipple

1шт.

9

CH 97782

Клапан

Non EEC

1шт.

9

CH 97781

Клапан

EEC

1шт.

Выбрано товаров: 18