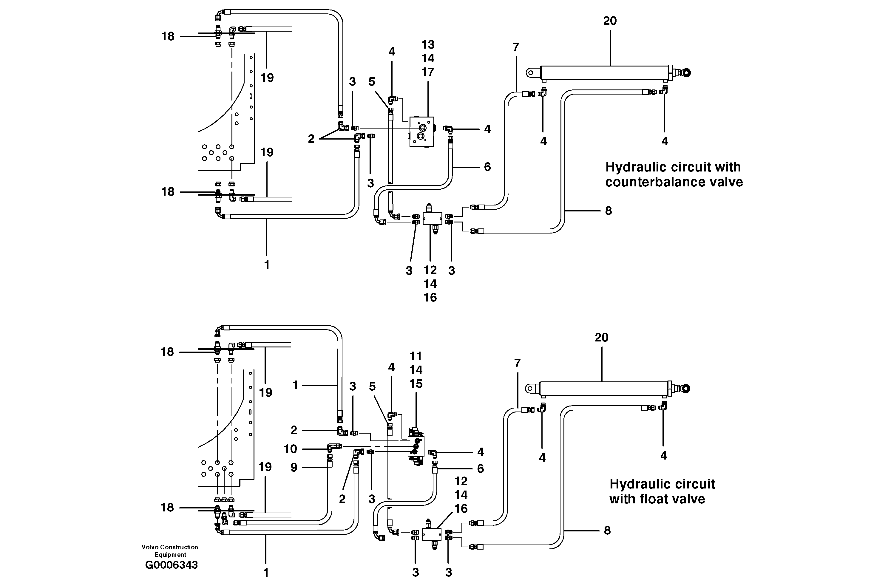
Запчасти Volvo G700B MODELS S/N 35000 - 19616 Wing lift hydraulic circuit

Схема запчастей Volvo G700B MODELS S/N 35000 - - 19616 Wing lift hydraulic circuit
FIT
1:1
100%

Артикул

Название

Примечание

Количество

1

VOE 12731635

Hose assembly

1шт.

10

CH 111Q-0808

Elbow nipple

Float valve

1шт.

10

CH 111Q-0808

Elbow nipple

Float valve

1шт.

11

VOE 983624

Винт шестигранник

1шт.

11

VOE 983624

Винт шестигранник

1шт.

12

VOE 983265

Винт шестигранник

1шт.

12

VOE 983265

Винт шестигранник

1шт.

13

VOE 983267

Винт шестигранник

1шт.

13

VOE 983267

Винт шестигранник

1шт.

14

VOE 983334

Шайба

1шт.

14

VOE 983334

Шайба

1шт.

2

CH 112B-08

Elbow

1шт.

2

CH 112B-08

Elbow

1шт.

3

CH 111E-0808

Соединитель

1шт.

4

CH 111B-0808

Elbow nipple

1шт.

4

CH 111B-0808

Elbow nipple

1шт.

5

VOE 12731730

Hose assembly

1шт.

6

VOE 12731639

Шланг

1шт.

7

CH 74429X48

Hose assembly

1шт.

8

VOE 12731634

Шланг

1шт.

9

CH 78192X48

Hose assembly

Float valve

1шт.

9

CH 78192X48

Hose assembly

Float valve

1шт.

Выбрано товаров: 22