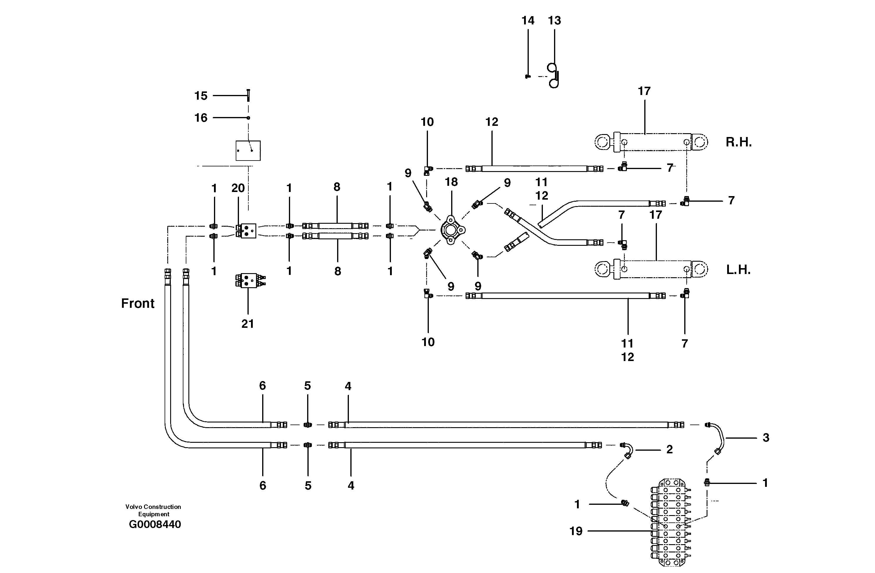
Запчасти Volvo G700B MODELS S/N 35000 - 18424 Circle turn circuit

Схема запчастей Volvo G700B MODELS S/N 35000 - - 18424 Circle turn circuit
FIT
1:1
100%

Артикул

Название

Примечание

Количество

1

CH 111E-0808

Соединитель

1шт.

10

CH 112B-08

Elbow

1шт.

10

CH 112B-08

Elbow

1шт.

11

VOE 12733599

Hose assembly

MODEL G710B - G746B

1шт.

12

VOE 12733600

Hose assembly

MODEL G710B - G746B

1шт.

12

VOE 12733600

Hose assembly

MODEL G780B

1шт.

13

CH 32319

Зажим

1шт.

13

CH 32319

Зажим

1шт.

14

CH 78460

Flange screw

1шт.

14

CH 78460

Flange screw

1шт.

15

CH 50A-0524ZI

Винт шестигранник

1шт.

16

VOE 983334

Шайба

1шт.

16

VOE 983334

Шайба

1шт.

2

VOE 12725309

Трубка

1шт.

2

VOE 12725309

Трубка

1шт.

3

VOE 12725310

Трубка

1шт.

3

VOE 12725310

Трубка

1шт.

4

VOE 12733281

Hose assembly

MODEL G710B - G730B

1шт.

4

VOE 12733603

Hose assembly

MODEL G740B - G780B

1шт.

5

CH 110L-08

Переходник масляного фильтра

1шт.

6

CH 78192X56

Hose assembly

MODEL G710B - G730B

1шт.

6

CH 78192X62

Hose assembly

MODEL G740B - G780B

1шт.

7

CH 111B-0808

Elbow nipple

1шт.

7

CH 111B-0808

Elbow nipple

1шт.

8

VOE 12733284

Hose assembly

1шт.

9

CH 111A-0808

Elbow

1шт.

9

CH 111A-0808

Elbow

1шт.

Выбрано товаров: 27