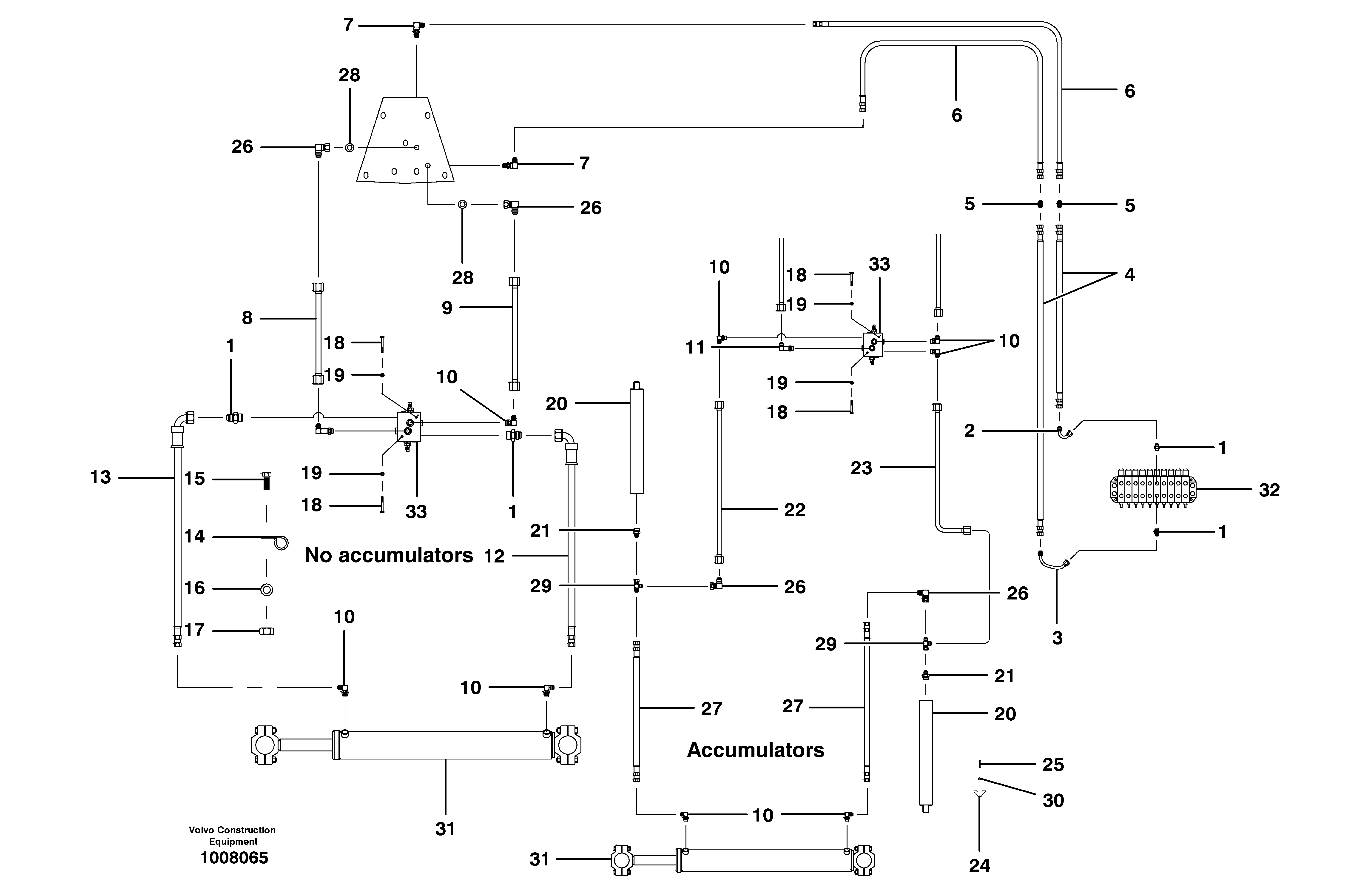
Запчасти Volvo G700B MODELS S/N 35000 - 16911 Circle shift circuit

Схема запчастей Volvo G700B MODELS S/N 35000 - - 16911 Circle shift circuit
FIT
1:1
100%

Артикул

Название

Примечание

Количество

1

CH 111E-0808

Соединитель

1шт.

1

CH 111E-0808

Соединитель

1шт.

10

CH 111B-0808

Elbow nipple

1шт.

10

CH 111B-0808

Elbow nipple

1шт.

10

CH 111B-0808

Elbow nipple

1шт.

10

CH 111B-0808

Elbow nipple

1шт.

11

CH 111Q-0808

Elbow nipple

1шт.

11

CH 111Q-0808

Elbow nipple

1шт.

12

CH 74430X41

Hose assembly

1шт.

13

CH 74430X57

Hose assembly

1шт.

14

CH 32318

Зажим

1шт.

14

CH 32318

Зажим

1шт.

15

CH 50A-0608ZI

Винт шестигранник

1шт.

15

CH 50A-0608ZI

Винт шестигранник

1шт.

16

VOE 12727850

Шайба

1шт.

17

CH 30A-06ZI

Hexagon Nut

1шт.

17

CH 30A-06ZI

Hexagon Nut

1шт.

18

CH 50A-0520ZI

Винт шестигранник

1шт.

18

CH 50A-0520ZI

Винт шестигранник

1шт.

19

VOE 12727853

Шайба

1шт.

2

VOE 12725309

Трубка

1шт.

2

VOE 12725309

Трубка

1шт.

20

CH 89111

Гидроаккумулятор

1шт.

20

VOE 12733249

Гидроаккумулятор

EEC / TUV

1шт.

21

CH 111E-0812

Соединитель

1шт.

22

VOE 12726815

Tube Assembly

1шт.

23

VOE 12726818

Tube Assembly

1шт.

24

VOE 12732091

Зажим

1шт.

25

CH 50A-0828ZI

Винт шестигранник

1шт.

25

CH 50A-0828ZI

Винт шестигранник

1шт.

26

CH 112B-08

Elbow

1шт.

26

CH 112B-08

Elbow

1шт.

27

CH 74429X52

Шланг

1шт.

28

VOE 12729862

Шайба

1шт.

29

CH 112C-08

Tee

1шт.

3

VOE 12725310

Трубка

1шт.

3

VOE 12725310

Трубка

1шт.

30

VOE 12731594

Шайба

1шт.

4

CH 78192X127

Hose assembly

1шт.

5

CH 110L-08

Переходник масляного фильтра

1шт.

6

CH 78192X118

Hose assembly

1шт.

7

CH 110W-08

Elbow

1шт.

7

CH 110W-08

Elbow

1шт.

8

VOE 12733123

Tube Assembly

1шт.

9

VOE 12726816

Tube Assembly

1шт.

Выбрано товаров: 45