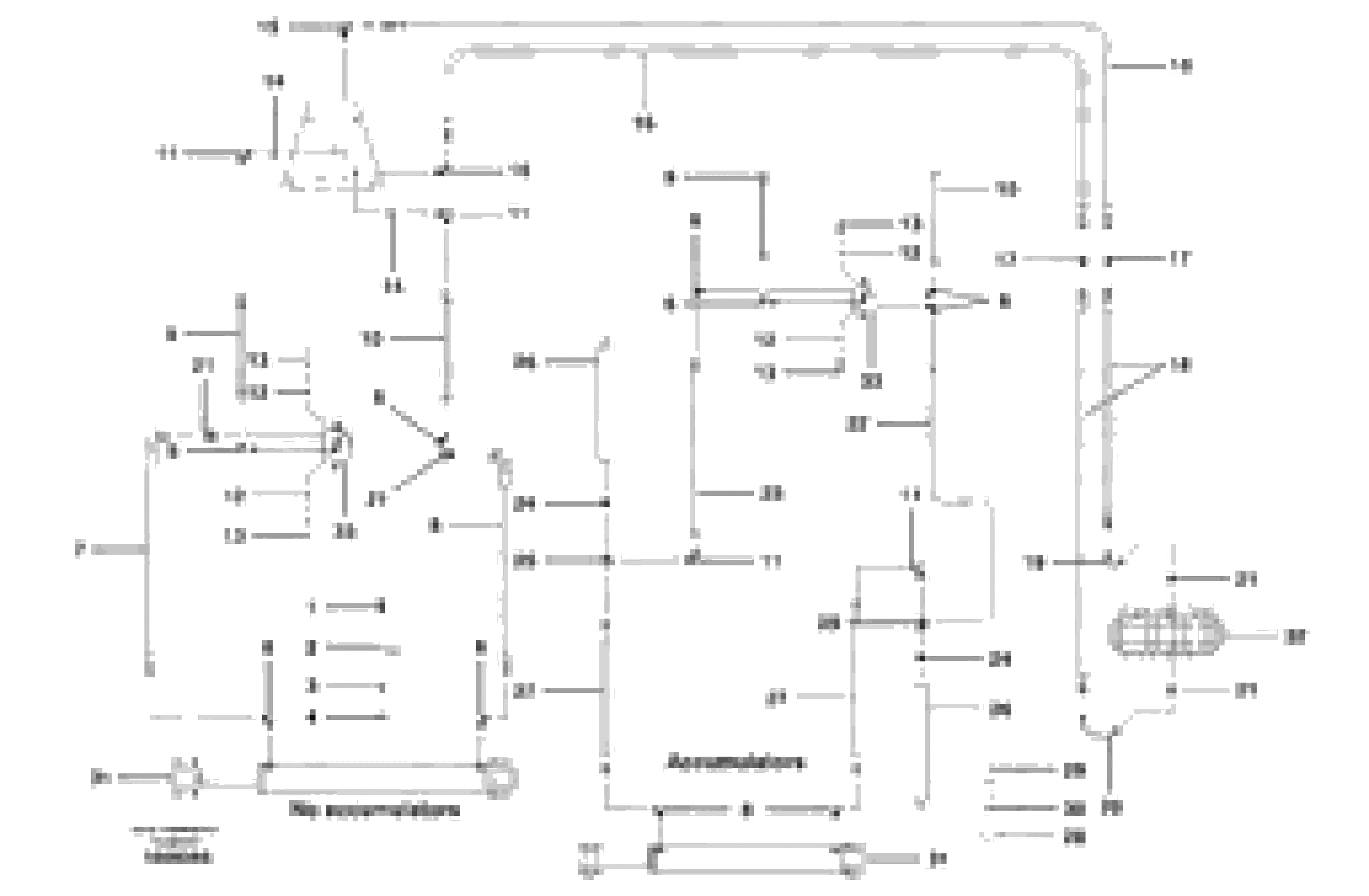
Запчасти Volvo G700B MODELS S/N 35000 - 16913 Circle shift circuit

Схема запчастей Volvo G700B MODELS S/N 35000 - - 16913 Circle shift circuit
FIT
1:1
100%

Артикул

Название

Примечание

Количество

1

CH 50A-0608ZI

Винт шестигранник

1шт.

1

CH 50A-0608ZI

Винт шестигранник

1шт.

10

VOE 12726816

Tube Assembly

MODEL G740B, G746B

1шт.

10

VOE 12726847

Трубка

MODEL G780B

1шт.

11

CH 112B-08

Elbow

1шт.

11

CH 112B-08

Elbow

1шт.

11

CH 112B-08

Elbow

1шт.

11

CH 112B-08

Elbow

1шт.

12

VOE 12727853

Шайба

1шт.

13

CH 50A-0520ZI

Винт шестигранник

1шт.

13

CH 50A-0520ZI

Винт шестигранник

1шт.

14

VOE 12729862

Шайба

1шт.

15

CH 110W-08

Elbow

1шт.

15

CH 110W-08

Elbow

1шт.

16

CH 78192X127

Hose assembly

1шт.

17

CH 110L-08

Переходник масляного фильтра

1шт.

18

CH 78192X133

Hose assembly

1шт.

19

VOE 12725309

Трубка

1шт.

19

VOE 12725309

Трубка

1шт.

2

CH 32318

Зажим

1шт.

2

CH 32318

Зажим

1шт.

20

VOE 12725310

Трубка

1шт.

20

VOE 12725310

Трубка

1шт.

21

CH 111E-0808

Соединитель

1шт.

21

CH 111E-0808

Соединитель

1шт.

22

VOE 12726818

Tube Assembly

MODEL G740B, G746B

1шт.

22

VOE 12726849

Трубка

MODEL G780B

1шт.

23

VOE 12726815

Tube Assembly

MODEL G740B, G746B

1шт.

23

VOE 12726850

Трубка

MODEL G780B

1шт.

24

CH 111E-0812

Соединитель

1шт.

25

CH 112C-08

Tee

1шт.

26

CH 89111

Гидроаккумулятор

1шт.

26

VOE 12733249

Гидроаккумулятор

EEC / TUV

1шт.

27

CH 74429X52

Шланг

1шт.

28

VOE 12732091

Зажим

1шт.

29

CH 50A-0826ZI

Винт шестигранник

1шт.

3

VOE 12727850

Шайба

1шт.

30

VOE 12731594

Шайба

1шт.

4

CH 30A-06ZI

Hexagon Nut

1шт.

4

CH 30A-06ZI

Hexagon Nut

1шт.

5

CH 111Q-0808

Elbow nipple

1шт.

5

CH 111Q-0808

Elbow nipple

1шт.

6

CH 111B-0808

Elbow nipple

1шт.

6

CH 111B-0808

Elbow nipple

1шт.

6

CH 111B-0808

Elbow nipple

1шт.

6

CH 111B-0808

Elbow nipple

1шт.

7

CH 74430X57

Hose assembly

1шт.

8

CH 74430X41

Hose assembly

1шт.

9

VOE 12726848

Трубка

MODEL G780B

1шт.

9

VOE 12726817

Трубка

MODEL G740B, G746B

1шт.

Выбрано товаров: 50