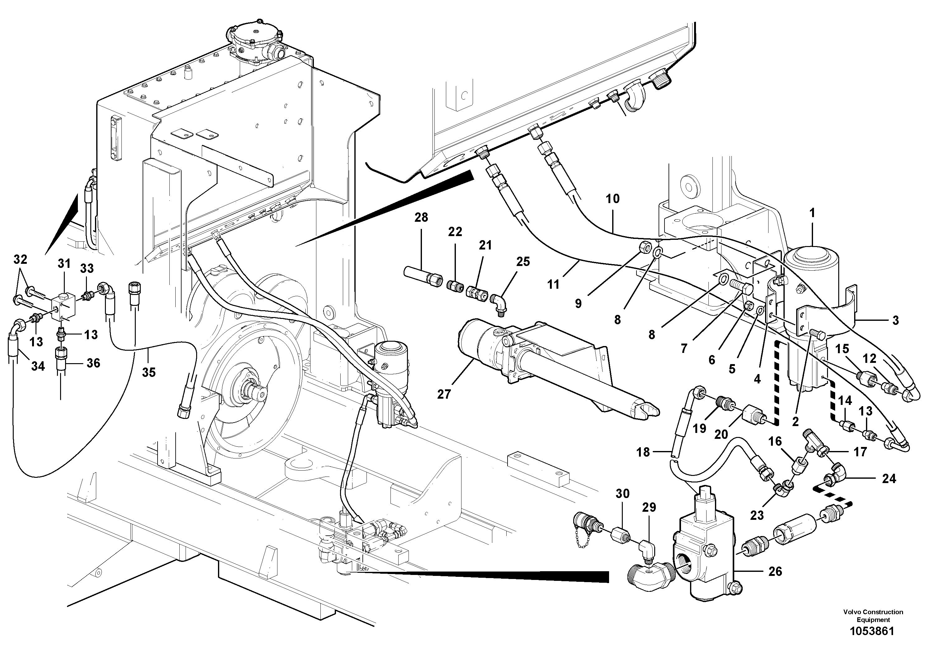
Запчасти Volvo G900 MODELS S/N 39300 - 36215 Secondary steering circuit - D7

Схема запчастей Volvo G900 MODELS S/N 39300 - - 36215 Secondary steering circuit - D7
FIT
1:1
100%

Артикул

Название

Примечание

Количество

1

VOE 16004363

Pump unit

1шт.

10

VOE 12749751

Hose assembly

1шт.

11

VOE 12749752

Hose assembly

1шт.

12

VOE 935092

Nipple

1шт.

12

VOE 935092

Nipple

1шт.

13

VOE 990737

Кольцо уплотнительное (О-кольцо)

1шт.

13

VOE 990737

Кольцо уплотнительное (О-кольцо)

1шт.

13

VOE 932039

Кольцо уплотнительное (О-кольцо)

1шт.

13

VOE 932039

Кольцо уплотнительное (О-кольцо)

1шт.

13

VOE 935085

Nipple

1шт.

13

VOE 935085

Nipple

1шт.

14

VOE 937092

Nipple

1шт.

15

VOE 937093

Nipple

1шт.

16

VOE 11141272

Фиттинг

1шт.

16

VOE 11141272

Reduction nipple

1шт.

16

VOE 990737

Кольцо уплотнительное (О-кольцо)

1шт.

16

VOE 990737

Кольцо уплотнительное (О-кольцо)

1шт.

17

VOE 13933878

T-nipple

1шт.

17

VOE 990738

Кольцо уплотнительное (О-кольцо)

1шт.

17

VOE 990738

Кольцо уплотнительное (О-кольцо)

1шт.

18

VOE 12745726

Hose assembly

1шт.

19

VOE 12741707

Non-return valve

1шт.

2

VOE 983688

Винт шестигранник

1шт.

20

VOE 937062

Nipple

1шт.

21

VOE 936779

Nipple

1шт.

22

VOE 12725723

Клапан обратный

1шт.

23

VOE 13933900

Elbow nipple

1шт.

23

VOE 13933900

Elbow nipple

1шт.

24

VOE 13933872

Elbow nipple

1шт.

24

VOE 13933872

Elbow nipple

1шт.

25

VOE 935068

Elbow nipple

1шт.

25

VOE 935068

Elbow nipple

1шт.

29

VOE 937301

Elbow nipple

1шт.

3

VOE 12739106

Clamping band

1шт.

3

VOE 12739106

Зажим

1шт.

30

VOE 12746759

Адаптер

1шт.

31

VOE 16003713

Non-return valve

1шт.

32

VOE 947760

Flange screw

1шт.

32

VOE 947760

Flange screw

1шт.

33

VOE 935084

Nipple

1шт.

33

VOE 935084

Nipple

1шт.

34

VOE 12745726

Hose assembly

1шт.

35

VOE 12742037

Hose assembly

1шт.

4

VOE 12745426

Mount.kit, tank/pump

1шт.

5

VOE 12727850

Шайба

1шт.

6

VOE 983313

Lock nut

1шт.

6

VOE 983313

Lock nut

1шт.

7

VOE 978933

Винт шестигранник

1шт.

7

VOE 978933

Винт шестигранник

1шт.

8

VOE 12731594

Шайба

1шт.

9

VOE 983315

Lock nut

1шт.

Выбрано товаров: 51