Качественные детали и логистика
Оригинальные и аналоговые запчасти с доставкой по России, Казахстану и Беларуси
©2022 PartSell ООО "Система" ИНН 2463123282 ОГРН 1212400004838
Центральный офис: г. Красноярск, Академика Киренского, д.87, пом.4
Телефон: 8 (800) 777-65-74 Email: zakaz@partsell.ru
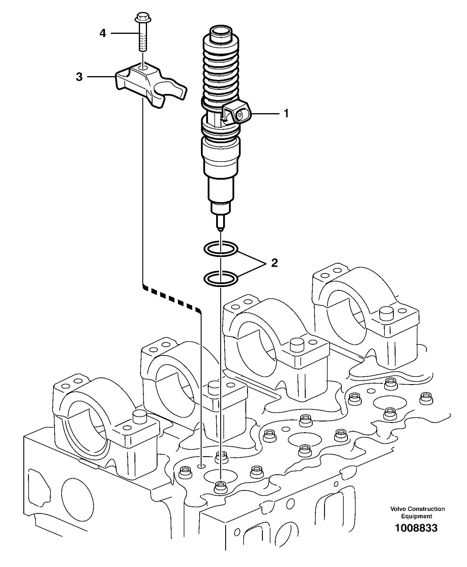
29916 Injectors - D9
№
Артикул
Название
Примечание
Количество
VOE 85103176
Ремкомплект
1шт.
1
VOE 20708597
Форсунка топливная (инжектор)
2
VOE 276935
Комплект уплотнительных колец
3
VOE 20440280
Вилка
4
VOE 8131597
Flange screw
Выбрано товаров: 0