Запчасти Volvo SD100C S/N 198060 - 74188 Propulsion Pump

Схема запчастей Volvo SD100C S/N 198060 - - 74188 Propulsion Pump
FIT
1:1
100%

Артикул

Название

Примечание

Количество

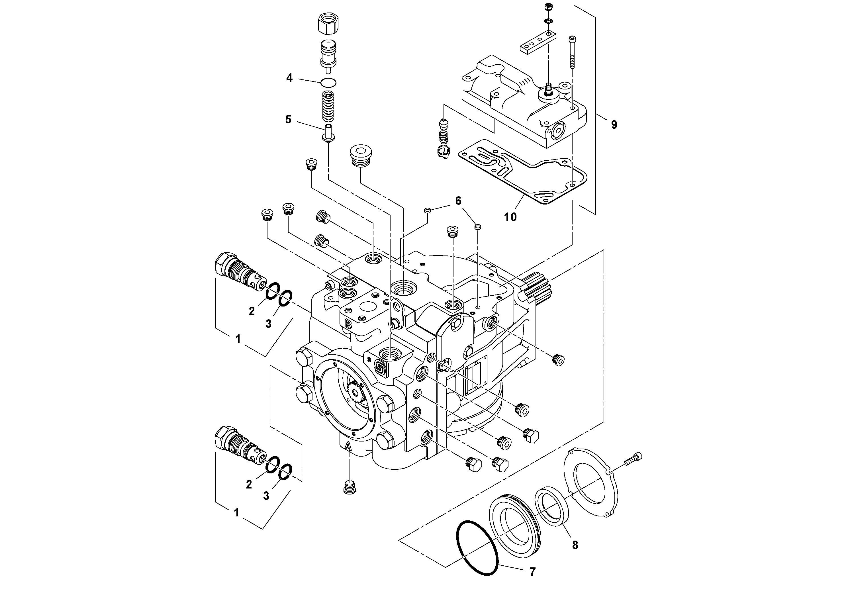
1

RM 58921495

Клапан

MULTIFUNCTION

1шт.

1

RM 58921495

Клапан

MULTIFUNCTION

1шт.

10

RM 59095075

Прокладка

1шт.

2

RM 95210258

Кольцо уплотнительное (О-кольцо)

1шт.

2

RM 95210258

Кольцо уплотнительное (О-кольцо)

1шт.

3

RM 59360735

Кольцо уплотнительное (О-кольцо)

1шт.

3

RM 59360735

Кольцо уплотнительное (О-кольцо)

1шт.

4

RM 59360610

Кольцо уплотнительное (О-кольцо)

1шт.

4

RM 59360610

Кольцо уплотнительное (О-кольцо)

1шт.

5

RM 59399295

Клапан предохранительный (разгрузочный, сброса давления)

POPPET

1шт.

5

RM 59399295

Клапан предохранительный (разгрузочный, сброса давления)

POPPET

1шт.

6

RM 58795766

Protecting screen

1шт.

7

RM 59343251

Кольцо уплотнительное (О-кольцо)

1шт.

7

RM 59343251

Кольцо уплотнительное (О-кольцо)

1шт.

8

RM 59343236

Sealing

1шт.

8

RM 59343236

Sealing

1шт.

9

RM 59360651

Control mechanism

MDC

1шт.

Выбрано товаров: 17