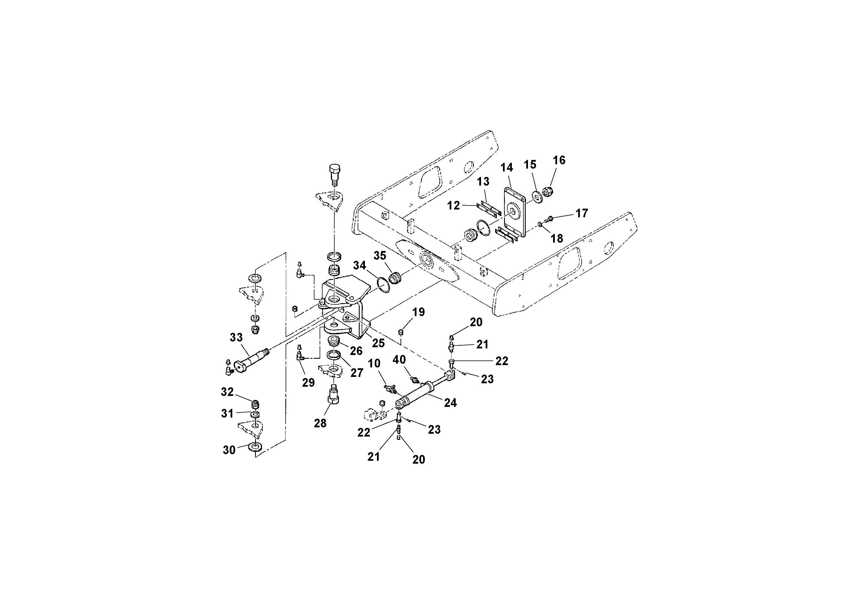
Запчасти Volvo SD100C S/N 198060 - 72747 Drum and Swivel Installation

Схема запчастей Volvo SD100C S/N 198060 - - 72747 Drum and Swivel Installation
FIT
1:1
100%

Артикул

Название

Примечание

Количество

RM 56998503

Гайка

1шт.

RM 58866336

Sealing kit

1шт.

10

RM 95488250

Адаптер

1шт.

12

RM 58977646

Прокладка

1шт.

13

RM 58977653

Прокладка

1шт.

14

RM 58977661

Пластина

1шт.

15

RM 95922217

Шайба

1шт.

16

RM 59003434

Гайка

1шт.

17

RM 96726658

Винт шестигранник

1шт.

18

RM 96701560

Шайба

1шт.

18

RM 96701560

Шайба

1шт.

19

RM 50268127

Подшипник

1шт.

19

RM 50268127

Подшипник

1шт.

20

RM 50270248

Cap

1шт.

20

RM 50270248

Cap

1шт.

21

RM 95201547

Фиттинг

1шт.

21

RM 95201547

Фиттинг

1шт.

22

RM 59190975

Pivot pin

1шт.

23

RM 95098679

Spring pin

1шт.

23

RM 95098679

Spring pin

1шт.

24

RM 58783507

Гидроцилиндр

1шт.

25

RM 58977729

Swivel

1шт.

26

RM 50268242

Подшипник

1шт.

27

RM 50268861

Dust cover

1шт.

28

RM 58977703

Палец

1шт.

29

RM 95208971

Фиттинг

1шт.

29

RM 95208971

Фиттинг

1шт.

30

RM 50268879

Dust cover

1шт.

31

RM 95922175

Плоская шайба

1шт.

32

RM 59003442

Гайка

1шт.

33

RM 58977711

Палец

OSCILLATION

1шт.

34

RM 59103804

Sealing

1шт.

35

RM 50268259

Подшипник

1шт.

40

RM 95303368

Адаптер

1шт.

40

RM 95303368

Адаптер

1шт.

Выбрано товаров: 35