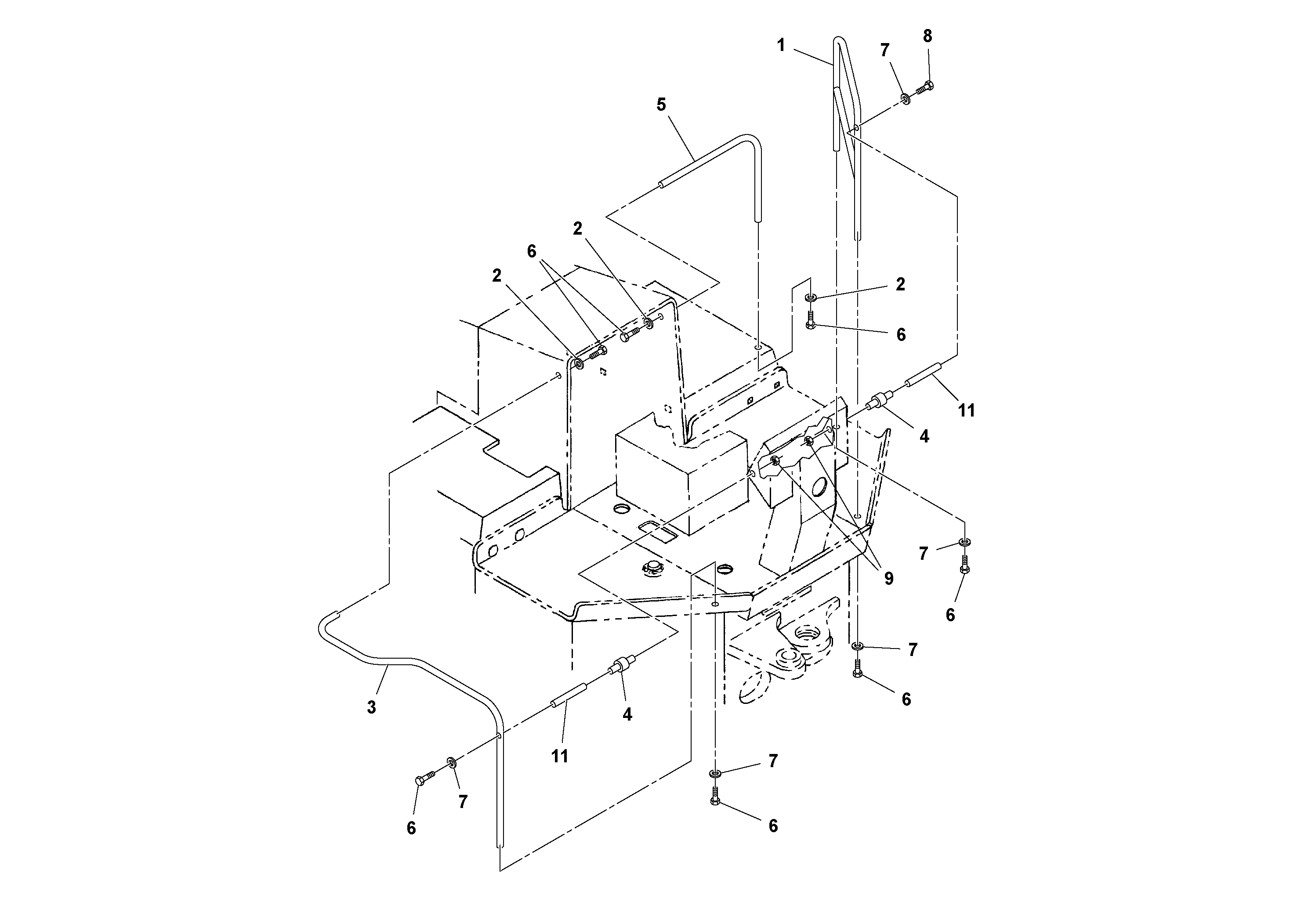
Запчасти Volvo SD100C S/N 198060 - 96381 Railing Installation

Схема запчастей Volvo SD100C S/N 198060 - - 96381 Railing Installation
FIT
1:1
100%

Артикул

Название

Примечание

Количество

1

RM 13160775

Направляющая

1шт.

11

RM 13160791

Опора

1шт.

2

RM 96701545

Шайба

1шт.

3

RM 13160759

Направляющая

1шт.

4

RM 13160635

Rubber damper

1шт.

5

RM 59117507

Hand rail

1шт.

6

RM 96705066

Винт шестигранник

1шт.

7

RM 96738596

Шайба

1шт.

9

RM 95923223

Lock nut

1шт.

Выбрано товаров: 0