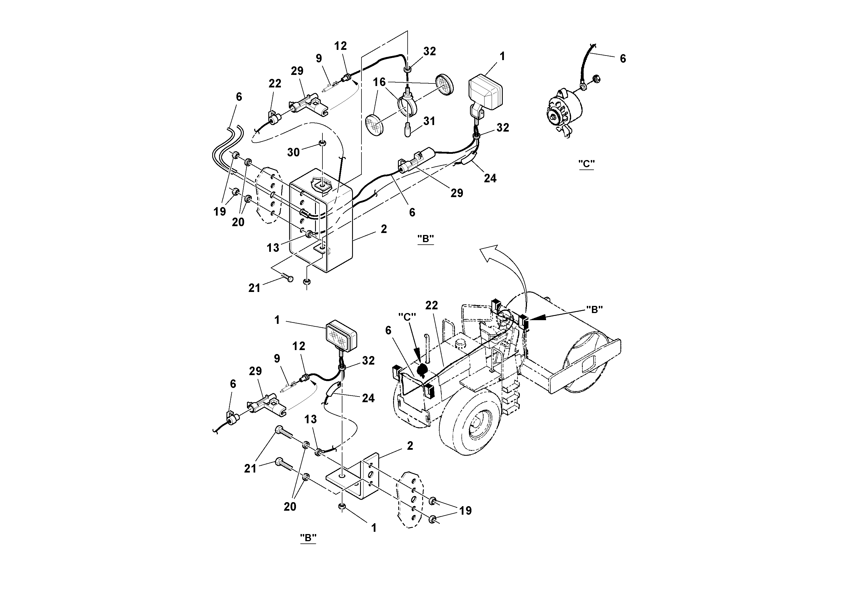
Запчасти Volvo SD100C S/N 198060 - 69525 Flood Light Installation

Схема запчастей Volvo SD100C S/N 198060 - - 69525 Flood Light Installation
FIT
1:1
100%

Артикул

Название

Примечание

Количество

RM 13469812

Bulb

1шт.

1

RM 59717959

Фара

REAR

1шт.

12

RM 59388199

Sealing

1шт.

13

RM 95386587

Кольцо

1шт.

19

RM 96704614

Гайка

1шт.

19

RM 96704614

Гайка

1шт.

2

RM 59211714

Кронштейн

1шт.

20

RM 96741046

Плоская шайба

1шт.

20

RM 96741046

Плоская шайба

1шт.

21

RM 96701917

Винт шестигранник

1шт.

21

RM 96701917

Винт шестигранник

1шт.

24

RM 59895011

Cable harness

1шт.

29

RM 58753104

Соединитель

1шт.

30

RM 95923090

Hexagon nut

1шт.

32

RM 59537266

Плоская шайба

1шт.

32

RM 59537266

Плоская шайба

1шт.

6

RM 13171327

Cable harness

MAIN WORKLIGHT

1шт.

9

RM 59854828

Палец

1шт.

Выбрано товаров: 18