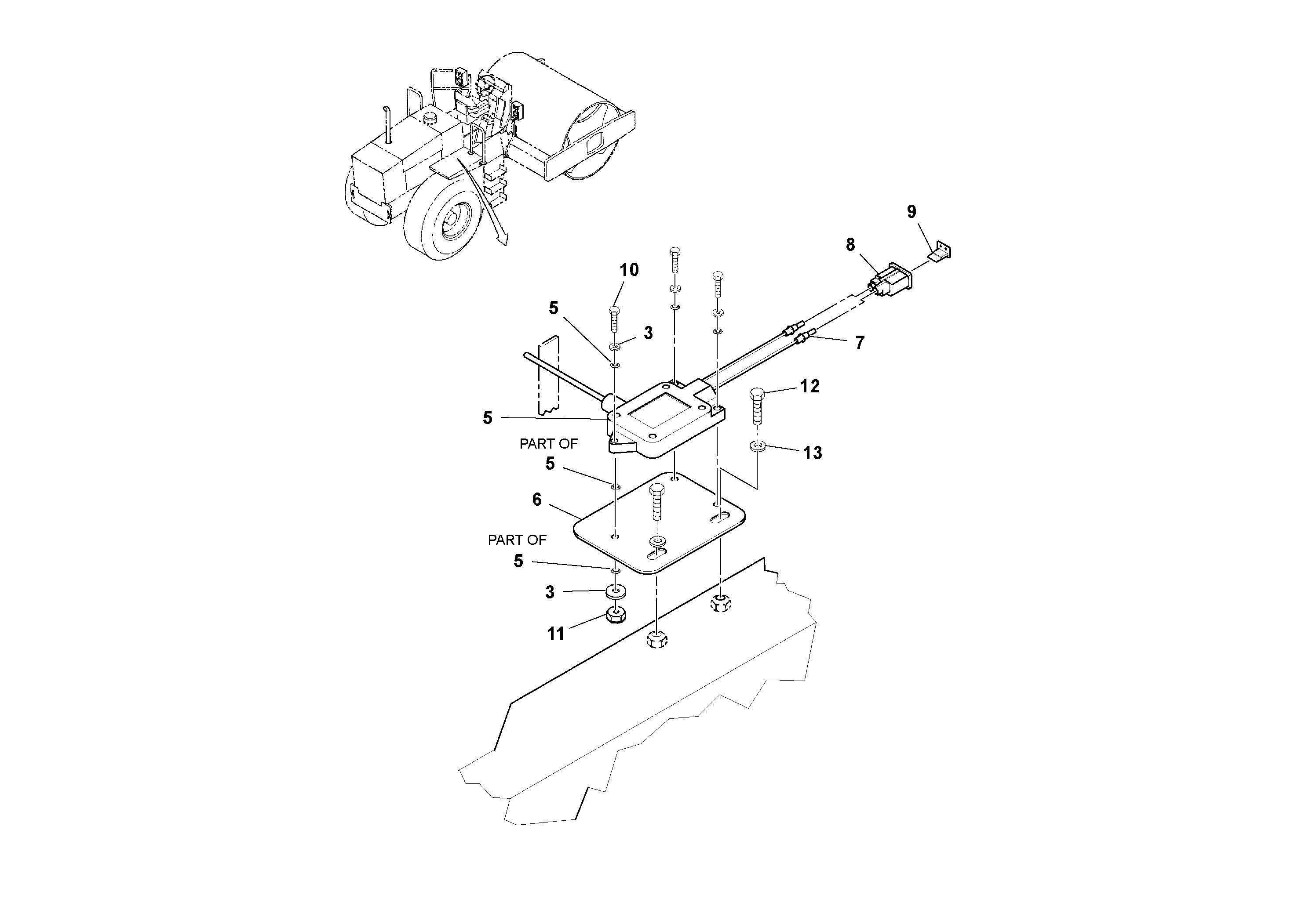
Запчасти Volvo SD100C S/N 198060 - 68260 Back-up Alarm Installation

Схема запчастей Volvo SD100C S/N 198060 - - 68260 Back-up Alarm Installation
FIT
1:1
100%

Артикул

Название

Примечание

Количество

10

RM 96705793

Винт шестигранник

1шт.

10

RM 96705793

Винт шестигранник

1шт.

11

RM 96704598

Lock nut

1шт.

11

RM 96704598

Lock nut

1шт.

12

RM 96702659

Винт шестигранник

1шт.

12

RM 96702659

Винт шестигранник

1шт.

13

RM 96741038

Шайба

1шт.

13

RM 96741038

Шайба

1шт.

3

RM 96741053

Шайба

1шт.

3

RM 96741053

Шайба

1шт.

5

RM 59164970

Переключатель

1шт.

6

RM 59170381

Кронштейн

1шт.

7

RM 59434001

Contact unit

1шт.

8

RM 59434209

Socket

1шт.

9

VOE 14370880

Wedge

1шт.

9

VOE 14370880

Wedge

1шт.

Выбрано товаров: 16