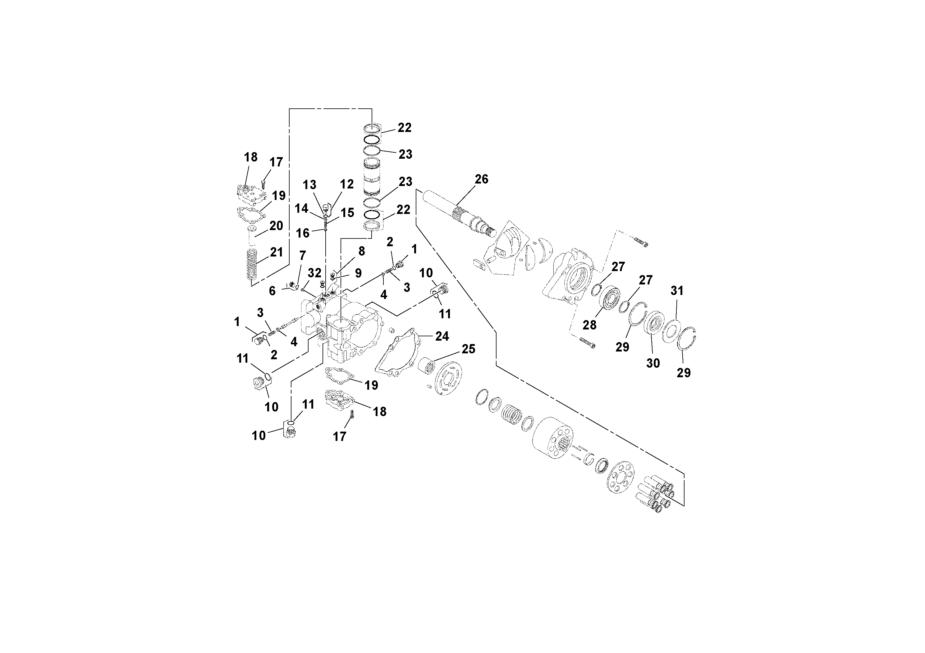
Запчасти Volvo SD100C S/N 198060 - 101484 Axle Drive Motor

Схема запчастей Volvo SD100C S/N 198060 - - 101484 Axle Drive Motor
FIT
1:1
100%

Артикул

Название

Примечание

Количество

1

RM 13263843

Пробка (заглушка)

1шт.

10

RM 59949461

Пробка (заглушка)

1шт.

11

RM 58220567

Кольцо уплотнительное (О-кольцо)

1шт.

12

RM 59146043

Пробка (заглушка)

1шт.

13

RM 50278019

Кольцо уплотнительное (О-кольцо)

1шт.

13

RM 50278019

Кольцо уплотнительное (О-кольцо)

1шт.

14

RM 59121426

Shim kit

1шт.

15

RM 12363868

Пружина

1шт.

16

RM 59051656

Клапан предохранительный (разгрузочный, сброса давления)

POPPET

1шт.

17

RM 58785346

Болт

1шт.

18

RM 59888271

Крышка

1шт.

19

RM 59938373

Прокладка

1шт.

19

RM 59938373

Прокладка

1шт.

2

RM 59698811

Кольцо уплотнительное (О-кольцо)

1шт.

2

RM 59698811

Кольцо уплотнительное (О-кольцо)

1шт.

20

RM 59336859

Stop pin

1шт.

21

RM 59336818

Пружина

1шт.

22

RM 59972877

Кольцо уплотнительное (О-кольцо)

1шт.

22

RM 59972877

Кольцо уплотнительное (О-кольцо)

1шт.

23

RM 59422907

Кольцо

1шт.

23

RM 59422907

Кольцо

1шт.

24

RM 59949511

Прокладка

1шт.

24

RM 59949511

Прокладка

1шт.

25

RM 59785303

Подшипник

1шт.

25

RM 59785303

Подшипник

1шт.

26

RM 59336842

Вал

1шт.

27

RM 59785519

Кольцо

1шт.

27

RM 59785519

Кольцо

1шт.

28

RM 95200648

Ball bearing

1шт.

29

RM 59861872

Кольцо

1шт.

3

RM 13263850

Пружина

1шт.

30

RM 59941203

Кольцо уплотнительное

1шт.

30

RM 59941203

Кольцо уплотнительное

1шт.

31

RM 59245209

Support washer

1шт.

32

RM 13263876

Пробка (заглушка)

1шт.

33

RM 59888271

Крышка

1шт.

4

RM 58799750

Guide spring

1шт.

4

RM 58799750

Guide spring

1шт.

5

RM 58799743

Nozzle

1шт.

6

RM 59933622

Пробка (заглушка)

1шт.

6

RM 59933622

Пробка (заглушка)

1шт.

7

RM 59698811

Кольцо уплотнительное (О-кольцо)

1шт.

7

RM 59698811

Кольцо уплотнительное (О-кольцо)

1шт.

8

RM 59359836

Пробка (заглушка)

1шт.

8

RM 59359836

Пробка (заглушка)

1шт.

9

RM 50278894

Кольцо уплотнительное (О-кольцо)

1шт.

Выбрано товаров: 0