Запчасти Volvo SD100C S/N 198060 - 52310 Propulsion Pump

Схема запчастей Volvo SD100C S/N 198060 - - 52310 Propulsion Pump
FIT
1:1
100%

Артикул

Название

Примечание

Количество

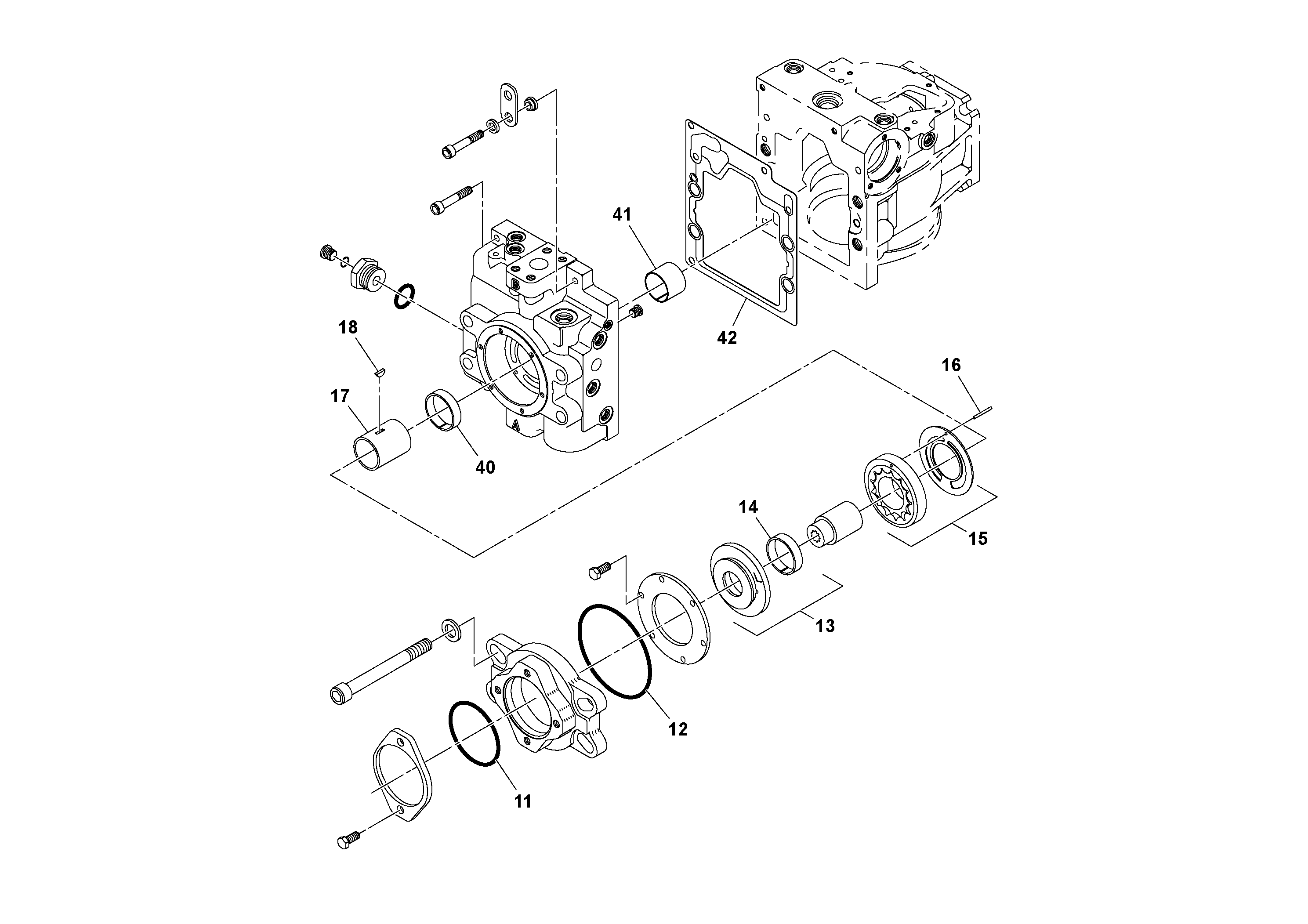
11

RM 59360545

Кольцо уплотнительное (О-кольцо)

1шт.

11

RM 59360545

Кольцо уплотнительное (О-кольцо)

1шт.

12

RM 59360552

Кольцо уплотнительное (О-кольцо)

1шт.

12

RM 59360552

Кольцо уплотнительное (О-кольцо)

1шт.

13

RM 58918590

Крышка

1шт.

13

RM 58918590

Крышка

1шт.

14

RM 59360354

Втулка

1шт.

14

RM 59360354

Втулка

1шт.

15

RM 58918558

Pump kit

1шт.

16

RM 59360461

Палец

1шт.

16

RM 59360461

Палец

1шт.

17

RM 58918566

Вал насоса

1шт.

17

RM 58918566

Вал насоса

1шт.

18

RM 59360487

Key

1шт.

18

RM 59360487

Key

1шт.

40

RM 59360354

Втулка

1шт.

40

RM 59360354

Втулка

1шт.

41

RM 59360347

Подшипник

1шт.

42

RM 58891441

Прокладка

1шт.

42

RM 58891441

Прокладка

1шт.

Выбрано товаров: 20