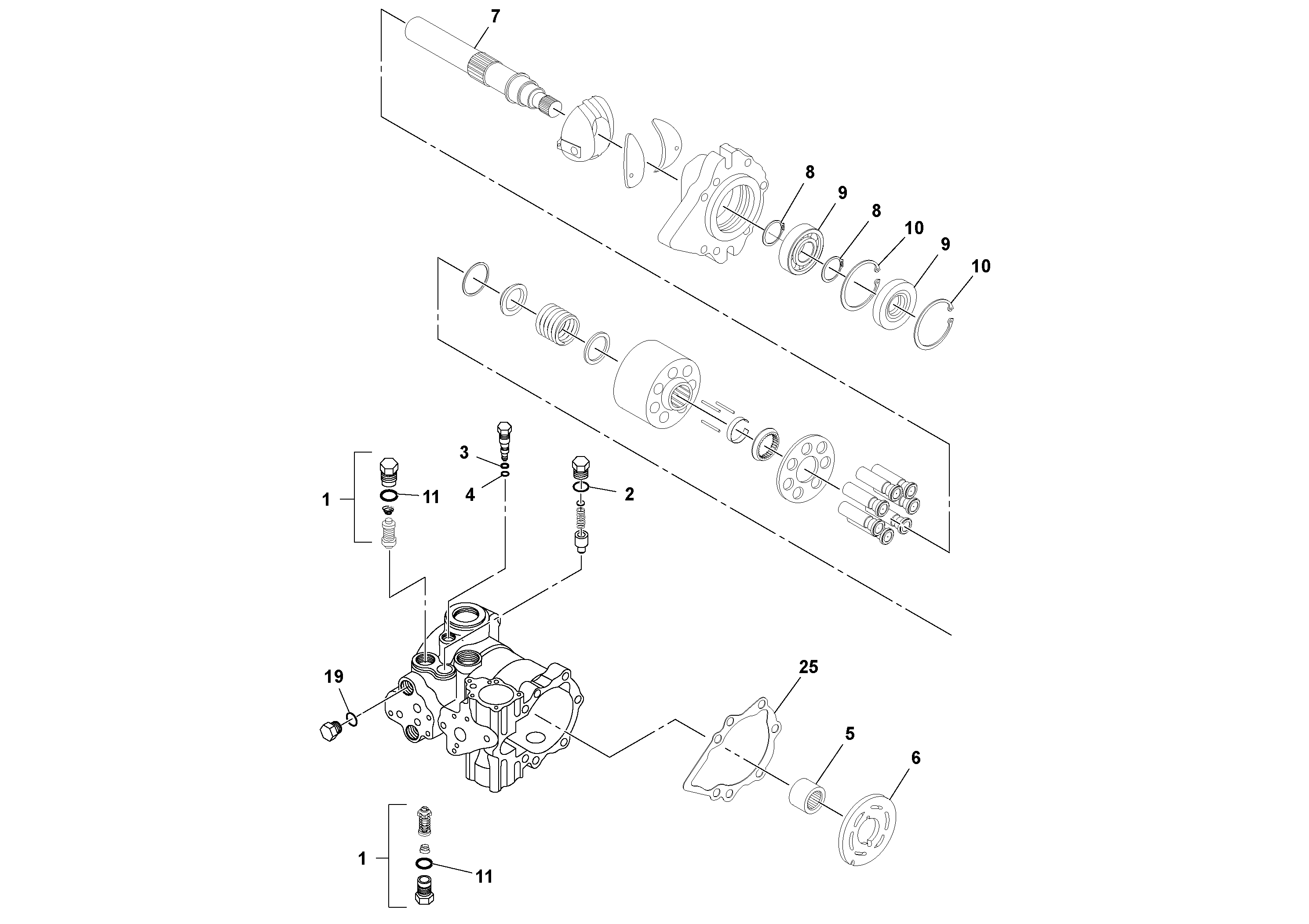
Запчасти Volvo SD100D/100F/SD105DX/105F S/N 197389 - 60713 Vibration Pump

Схема запчастей Volvo SD100D/100F/SD105DX/105F S/N 197389 - - 60713 Vibration Pump
FIT
1:1
100%

Артикул

Название

Примечание

Количество

1

RM 59337097

Valve kit

1шт.

10

RM 59861872

Кольцо

1шт.

11

RM 58220567

Кольцо уплотнительное (О-кольцо)

1шт.

19

RM 59698811

Кольцо уплотнительное (О-кольцо)

1шт.

19

RM 59698811

Кольцо уплотнительное (О-кольцо)

1шт.

2

RM 50278019

Кольцо уплотнительное (О-кольцо)

1шт.

2

RM 50278019

Кольцо уплотнительное (О-кольцо)

1шт.

25

RM 59949511

Прокладка

1шт.

25

RM 59949511

Прокладка

1шт.

26

RM 58813791

Sealing kit

1шт.

3

RM 59986422

Back-up ring

1шт.

3

RM 59986422

Back-up ring

1шт.

4

RM 13247358

Кольцо уплотнительное (О-кольцо)

1шт.

5

RM 59785303

Подшипник

1шт.

5

RM 59785303

Подшипник

1шт.

6

RM 59123802

Valve washer

1шт.

7

RM 59933713

Вал насоса

1шт.

7

RM 59933713

Вал насоса

1шт.

8

RM 59785519

Кольцо

1шт.

8

RM 59785519

Кольцо

1шт.

9

RM 95200648

Ball bearing

1шт.

Выбрано товаров: 0