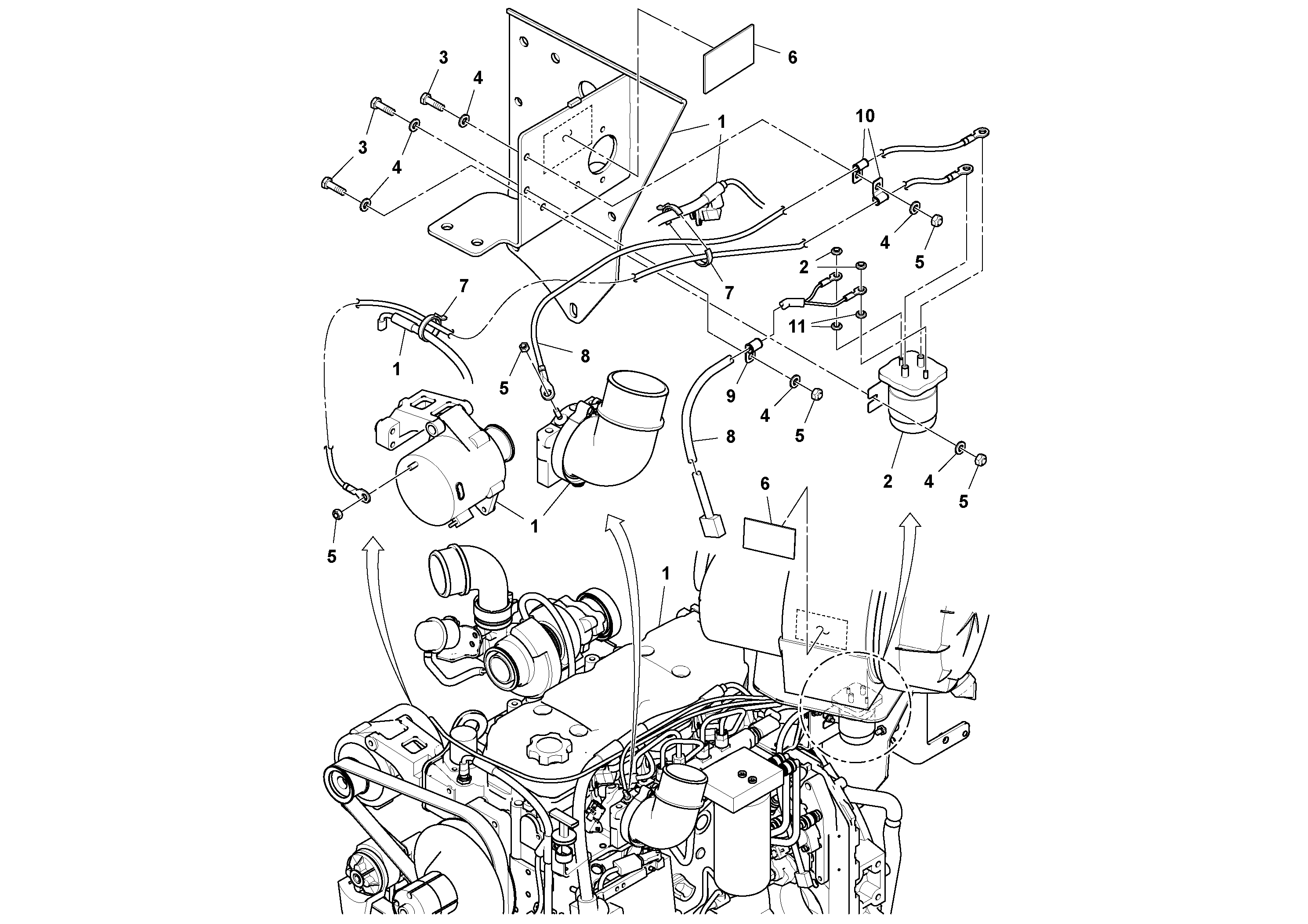
Запчасти Volvo SD100D/100F/SD105DX/105F S/N 197389 - 36628 Grid Heater Installation

Схема запчастей Volvo SD100D/100F/SD105DX/105F S/N 197389 - - 36628 Grid Heater Installation
FIT
1:1
100%

Артикул

Название

Примечание

Количество

RM 13886452

Двигатель в сборе

1шт.

RM 13852256

Alternator

1шт.

RM 19295872

Фильтр топливный

1шт.

RM 43802263

Фильтр топливный

1шт.

RM 13284617

Фильтр масляный

1шт.

RM 13284617

Фильтр топливный

1шт.

RM 43821180

Ремень вентилятора

1шт.

RM 19295856

Starter apparatus

1шт.

RM 43809318

Electronic unit

1шт.

RM 13832696

Cable

1шт.

RM 43920669

Cable harness

1шт.

1

RM 13889274

Двигатель в сборе

1шт.

10

RM 58754458

Зажим

1шт.

11

RM 95923124

Hexagon nut

1шт.

2

RM 13887732

Реле

1шт.

3

RM 96704564

Винт шестигранник

1шт.

3

RM 96704564

Винт шестигранник

1шт.

4

RM 96704663

Шайба

1шт.

4

RM 96704663

Шайба

1шт.

5

RM 96704598

Lock nut

1шт.

5

RM 96704598

Lock nut

1шт.

6

RM 59087452

Decal

1шт.

6

RM 59087452

Decal

1шт.

7

RM 95373973

Locking wire

1шт.

7

RM 95373973

Locking wire

1шт.

8

RM 43809300

Cable harness

1шт.

9

RM 59465658

Зажим

1шт.

9

RM 59465658

Зажим

1шт.

Выбрано товаров: 28