Запчасти Volvo SD110C/SD110 89236 Filter Hoses Installation

Схема запчастей Volvo SD110C/SD110 - 89236 Filter Hoses Installation
FIT
1:1
100%

Артикул

Название

Примечание

Количество

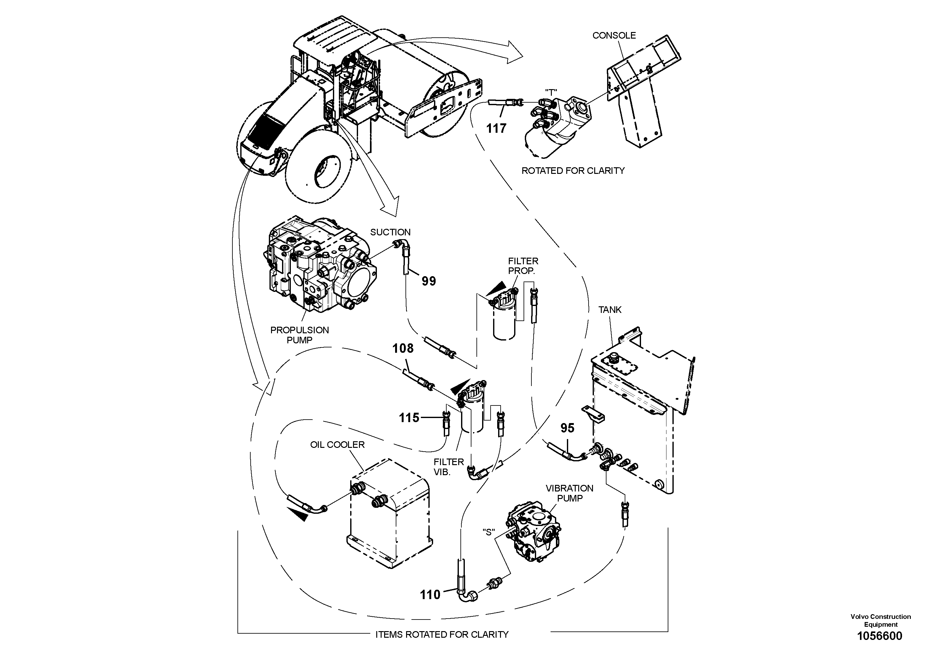
108

RM 97114524

Hydraulic hose

1шт.

110

RM 70121397

Hose Hyd:r2 1id

1шт.

115

RM 70089644

Hydraulic hose

1шт.

117

RM 94146925

Hydraulic hose

1шт.

117

RM 94146925

Hydraulic hose

1шт.

95

RM 94038106

Hydraulic hose

1шт.

99

RM 94147196

Hydraulic hose

1шт.

Выбрано товаров: 7