Запчасти Volvo SD110C/SD110 102687 Hydraulic Piping

Схема запчастей Volvo SD110C/SD110 - 102687 Hydraulic Piping
FIT
1:1
100%

Артикул

Название

Примечание

Количество

RM 13275870

Strap

1шт.

RM 96743984

Болт

1шт.

RM 96728431

Lock nut

1шт.

RM 13275854

Кронштейн

1шт.

RM 96741038

Шайба

1шт.

RM 96741038

Шайба

1шт.

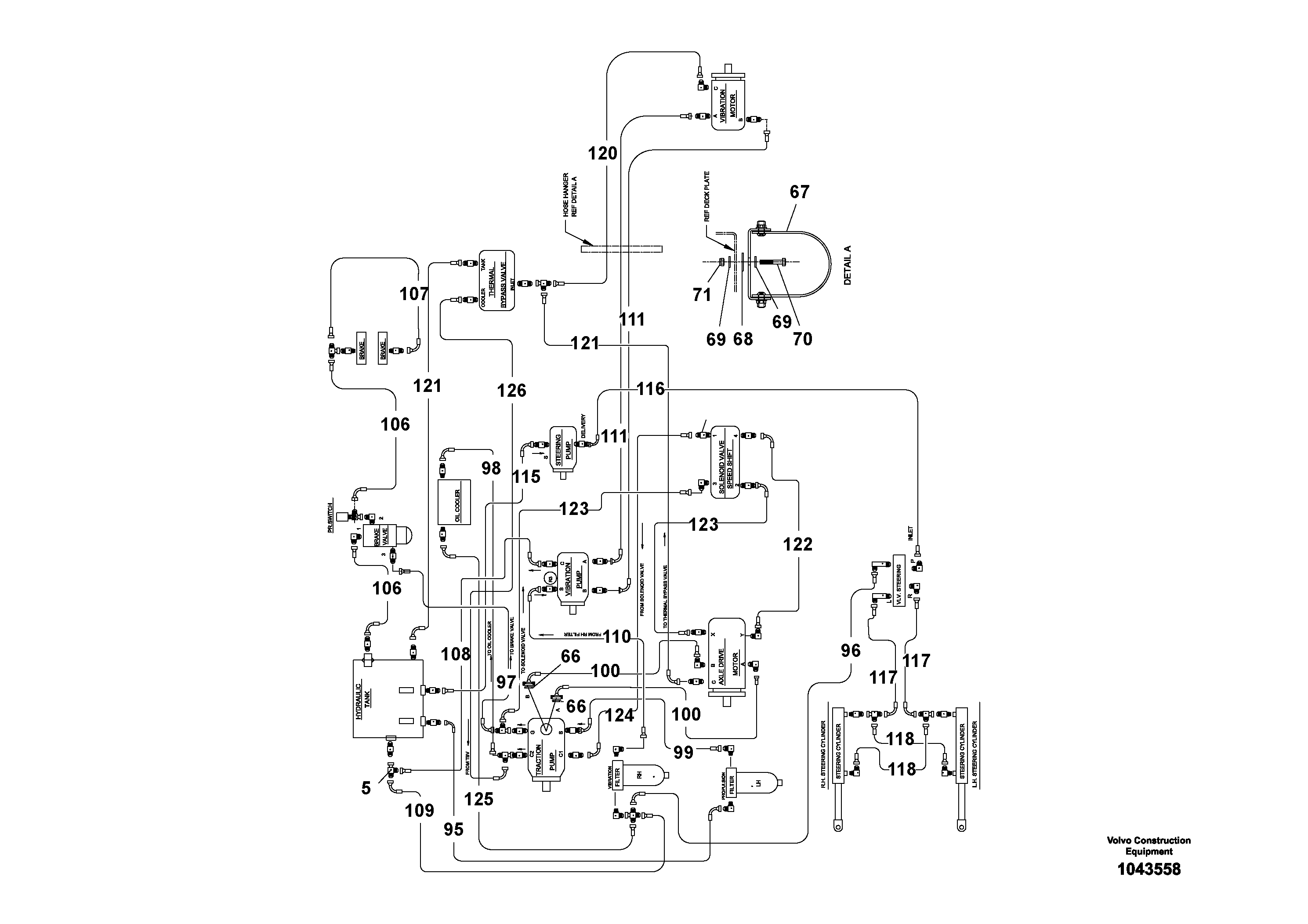
100

RM 70635289

Hydraulic hose

1шт.

106

RM 97120588

Hydraulic hose

1шт.

107

RM 97114557

Hydraulic hose

1шт.

107

RM 97114557

Hydraulic hose

1шт.

108

RM 70068861

Hydraulic hose

1шт.

109

RM 70158506

Шланг

1шт.

110

RM 81268120

Hydraulic hose

1шт.

111

RM 43861145

Hose assembly

1шт.

115

RM 70089644

Hydraulic hose

1шт.

116

RM 94146933

Hydraulic hose

1шт.

117

RM 94146925

Hydraulic hose

1шт.

117

RM 94146925

Hydraulic hose

1шт.

118

RM 97126189

Hydraulic hose

1шт.

120

RM 43861152

Hose assembly

1шт.

121

RM 97135008

Hydraulic hose

1шт.

122

RM 70186150

Hydraulic hose

1шт.

123

RM 97114557

Hydraulic hose

1шт.

123

RM 97114557

Hydraulic hose

1шт.

124

RM 97113484

Hydraulic hose

1шт.

124

RM 97113484

Hydraulic hose

1шт.

125

RM 70605233

Hydraulic hose

1шт.

126

RM 97114524

Hydraulic hose

1шт.

5

RM 97116065

Адаптер

1шт.

66

RM 59993881

Кольцо уплотнительное (О-кольцо)

1шт.

66

RM 59993881

Кольцо уплотнительное (О-кольцо)

1шт.

67

RM 13275862

Mounting plate

1шт.

68

RM 96711833

Шайба

1шт.

68

RM 96711833

Шайба

1шт.

69

RM 96741046

Плоская шайба

1шт.

69

RM 96741046

Плоская шайба

1шт.

70

RM 96704309

Винт шестигранник

1шт.

70

RM 96704309

Винт шестигранник

1шт.

71

RM 96702881

Lock nut

1шт.

95

RM 70074257

Hydraulic hose

1шт.

96

RM 94373339

Hydraulic hose

1шт.

97

RM 97114557

Hydraulic hose

1шт.

97

RM 97114557

Hydraulic hose

1шт.

98

RM 97114573

Hydraulic hose

1шт.

99

RM 70610852

Hydraulic hose

1шт.

Выбрано товаров: 45