Запчасти Volvo SD115D/SD115F S/N 23273 - 84502 Drive Motor Assembly

Схема запчастей Volvo SD115D/SD115F S/N 23273 - - 84502 Drive Motor Assembly
FIT
1:1
100%

Артикул

Название

Примечание

Количество

RM 59990010

Кольцо уплотнительное (О-кольцо)

1шт.

RM 96704556

Винт шестигранник

1шт.

RM 96704556

Винт шестигранник

1шт.

RM 59510065

Стопорная шайба (кольцо)

1шт.

RM 58896952

Зажим

1шт.

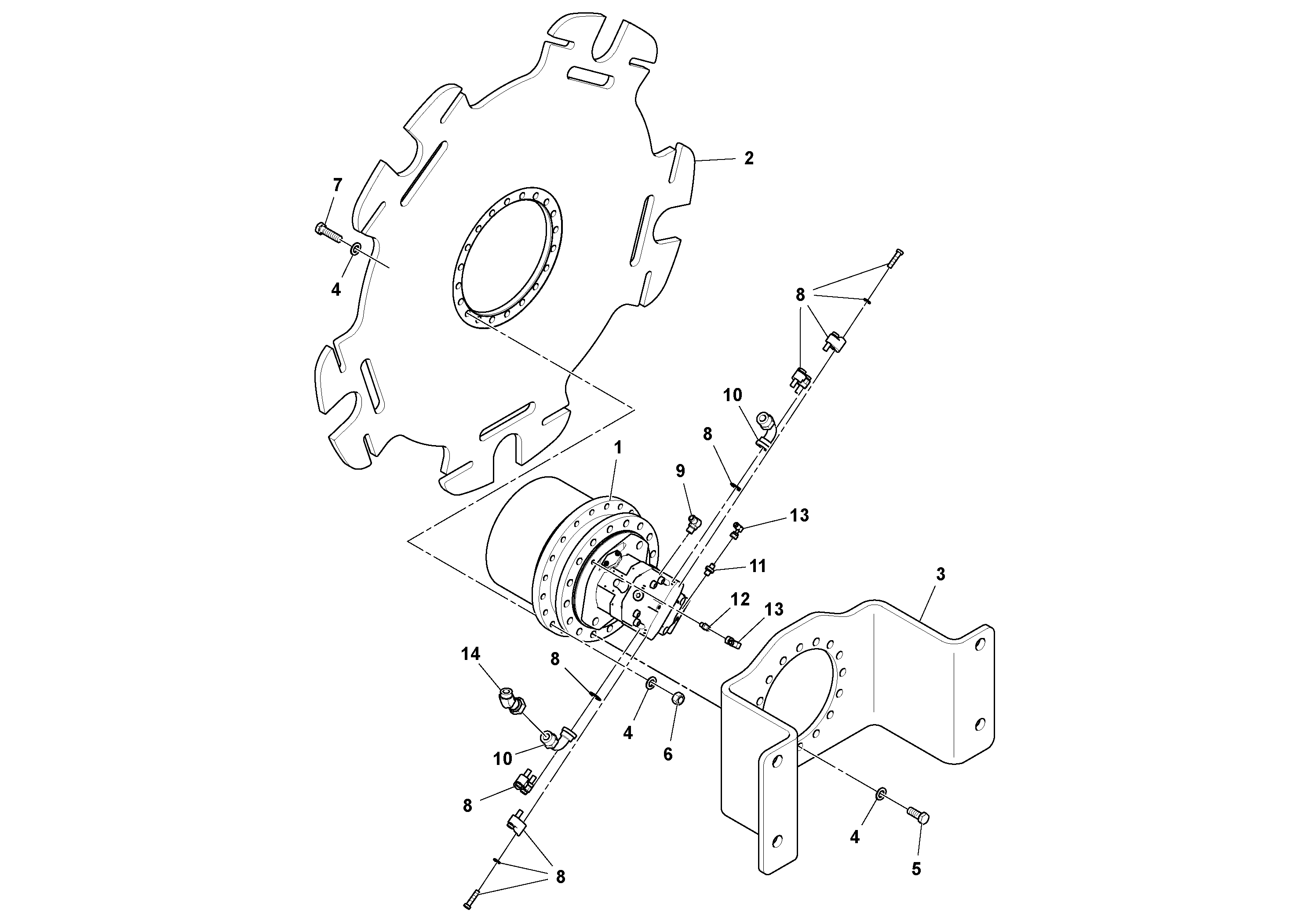
1

RM 43908326

Гидромотор

1шт.

10

RM 59027060

Адаптер

1шт.

11

RM 59787879

Адаптер

1шт.

12

RM 13351671

Адаптер

1шт.

13

RM 95326930

Swivel nipple

1шт.

14

RM 59328492

Адаптер

1шт.

2

RM 13413950

Drive plate

1шт.

3

RM 13328695

Mounting plate

1шт.

4

RM 96738620

Плоская шайба

1шт.

4

RM 96738620

Плоская шайба

1шт.

5

RM 96704481

Винт шестигранник

1шт.

6

RM 96738612

Плоская шайба

1шт.

6

RM 96738612

Плоская шайба

1шт.

7

RM 96745419

Винт шестигранник

1шт.

8

RM 13184445

Зажим

1шт.

9

RM 58896580

Адаптер

1шт.

Выбрано товаров: 21