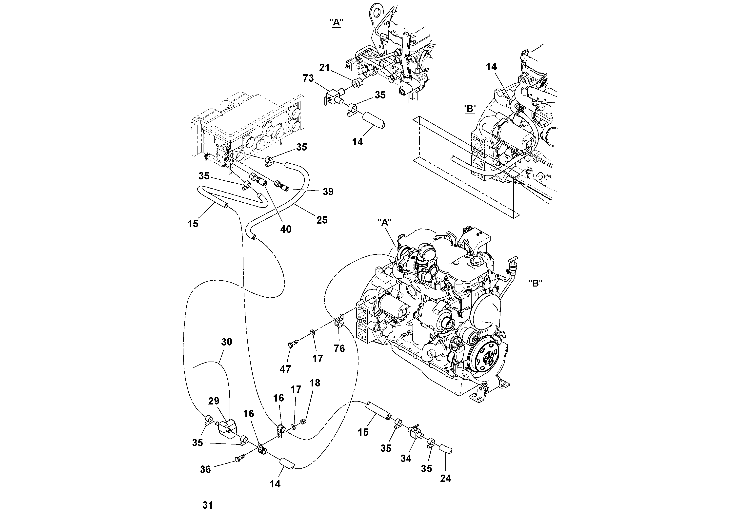
Запчасти Volvo SD116DX/SD116F S/N 197542 - 101768 Cab With Heater and Air Conditioning Installation

Схема запчастей Volvo SD116DX/SD116F S/N 197542 - - 101768 Cab With Heater and Air Conditioning Installation
FIT
1:1
100%

Артикул

Название

Примечание

Количество

VOE 12743610

Актуатор

1шт.

RM 13259015

Шайба

1шт.

RM 13258983

Адаптер

1шт.

RM 13258942

Mounting plate

1шт.

RM 13259023

Вставка

1шт.

RM 96741046

Плоская шайба

Cab w/HVAC

1шт.

RM 96741046

Плоская шайба

Cab w/HVAC

1шт.

RM 13258967

Heat control valve

1шт.

RM 13259007

Болт

1шт.

RM 96702279

Винт шестигранник

Cab w/HVAC

1шт.

RM 96702279

Винт шестигранник

Cab w/HVAC

1шт.

RM 13258991

Болт

1шт.

RM 59845768

Hose assembly

Cab w/HVAC

1шт.

RM 13258975

Control Lever

1шт.

RM 59775221

Шланг

Cab w/HVAC

1шт.

14

RM 95285144

Шланг

1шт.

15

RM 59919522

Hose assembly

Cab w/Heat

1шт.

16

RM 59465674

Зажим

1шт.

16

RM 59465674

Зажим

1шт.

17

RM 96741046

Плоская шайба

Cab w/Heat

1шт.

17

RM 96741046

Плоская шайба

Cab w/Heat

1шт.

18

RM 96704614

Гайка

1шт.

18

RM 96704614

Гайка

1шт.

21

RM 59903203

Reducer

1шт.

24

RM 59823716

Шланг

1шт.

25

RM 59845743

Hose assembly

Cab w/Heat

1шт.

29

RM 13200027

Клапан

1шт.

30

RM 13200035

Cable harness

1шт.

31

RM 13355003

Decal

1шт.

34

RM 13254909

Shut-off valve

1шт.

35

RM 95671285

Hose clamp

1шт.

36

RM 96701917

Винт шестигранник

1шт.

36

RM 96701917

Винт шестигранник

1шт.

39

RM 43801992

Hose assembly

Cab w/HVAC

1шт.

40

RM 43889153

Hose assembly

Cab w/HVAC

1шт.

47

RM 96702279

Винт шестигранник

Cab w/Heat

1шт.

47

RM 96702279

Винт шестигранник

Cab w/Heat

1шт.

73

RM 59392795

Клапан

1шт.

76

RM 59465641

Зажим

1шт.

82

RM 96704556

Винт шестигранник

1шт.

82

RM 96704556

Винт шестигранник

1шт.

Выбрано товаров: 41