Запчасти Volvo SD116DX/SD116F S/N 197542 - 10726 Vibration Pump

Схема запчастей Volvo SD116DX/SD116F S/N 197542 - - 10726 Vibration Pump
FIT
1:1
100%

Артикул

Название

Примечание

Количество

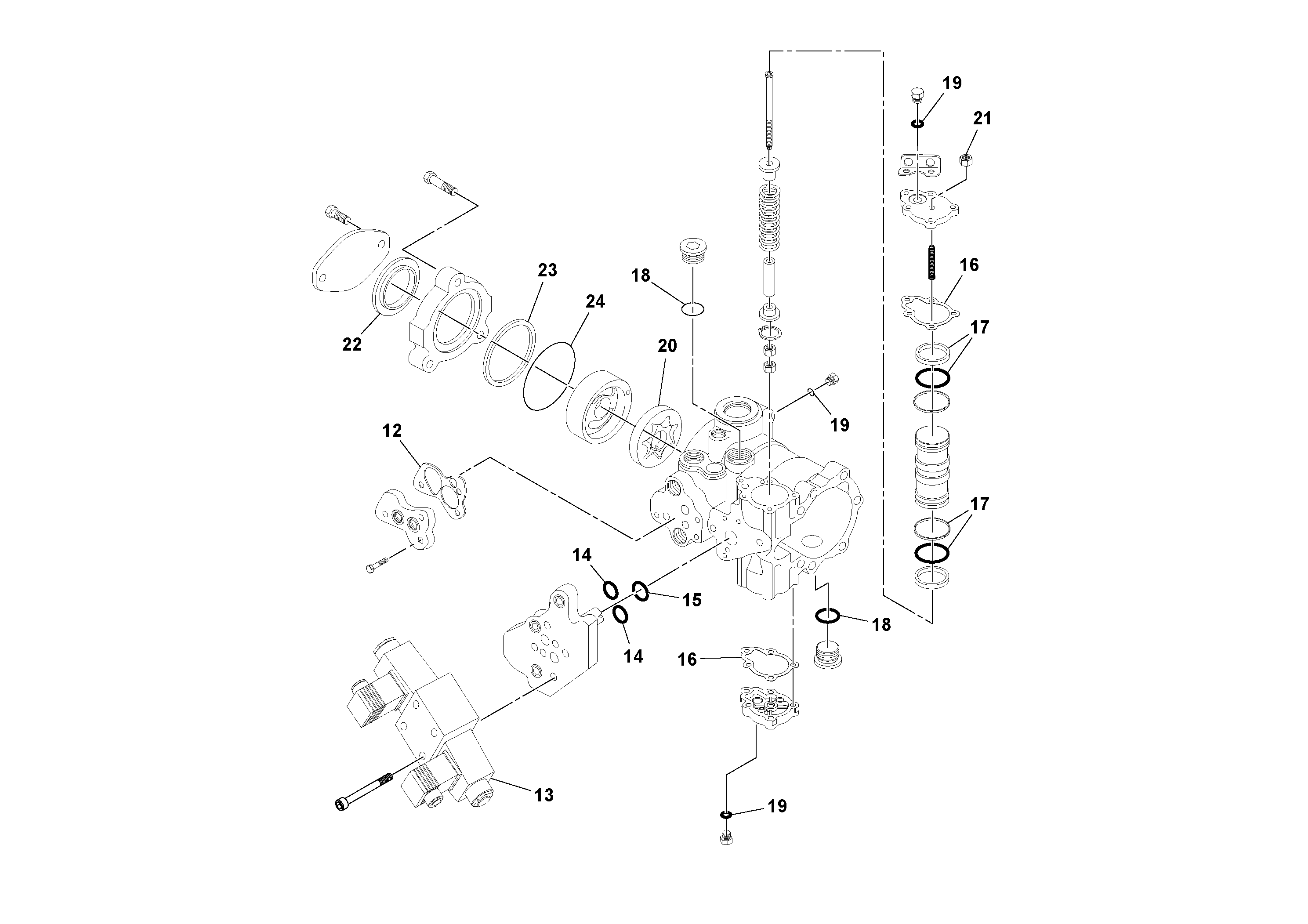
RM 13247341

Клапан

EDC, SD-116F

1шт.

RM 95086062

Кольцо уплотнительное (О-кольцо)

SD-116F

1шт.

12

RM 13090097

Sealing

1шт.

13

RM 54766399

Встроенный клапан в сборе

SD-116DX

1шт.

14

RM 95097663

Кольцо уплотнительное (О-кольцо)

1шт.

15

RM 95210258

Кольцо уплотнительное (О-кольцо)

SD-116DX

1шт.

15

RM 95210258

Кольцо уплотнительное (О-кольцо)

SD-116DX

1шт.

16

RM 59938373

Прокладка

1шт.

16

RM 59938373

Прокладка

1шт.

17

RM 59972877

Кольцо уплотнительное (О-кольцо)

1шт.

17

RM 59972877

Кольцо уплотнительное (О-кольцо)

1шт.

18

RM 58220567

Кольцо уплотнительное (О-кольцо)

1шт.

19

RM 59698811

Кольцо уплотнительное (О-кольцо)

1шт.

19

RM 59698811

Кольцо уплотнительное (О-кольцо)

1шт.

20

RM 59785246

Гидронасос (основной насос)

GEROTOR

1шт.

21

RM 54766381

Servo brake

SD-116DX

1шт.

22

RM 59102749

Кольцо уплотнительное

1шт.

23

RM 59785642

Кольцо

1шт.

24

RM 58903741

Кольцо уплотнительное (О-кольцо)

1шт.

24

RM 58903741

Кольцо уплотнительное (О-кольцо)

1шт.

Выбрано товаров: 20