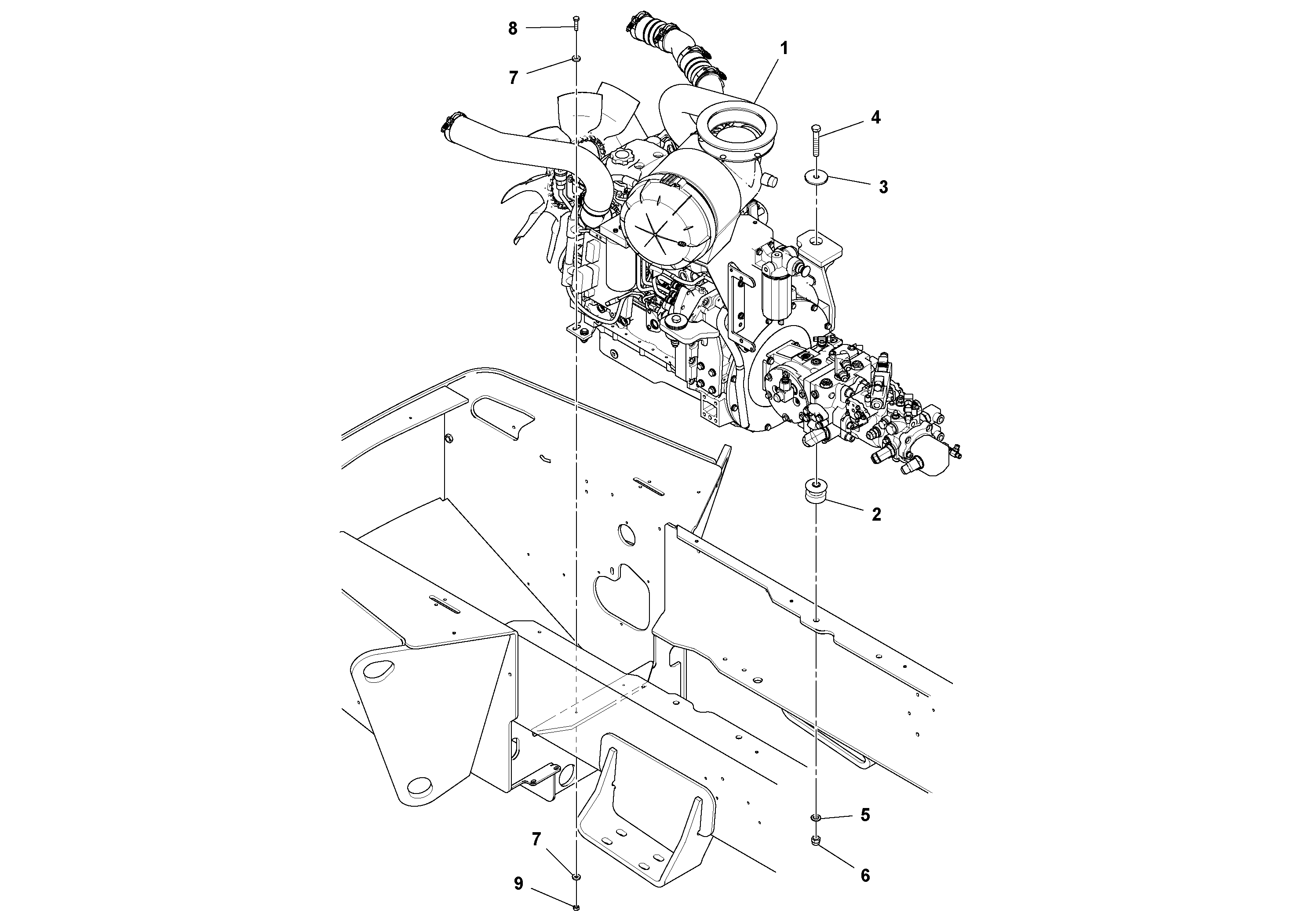
Запчасти Volvo SD122 S/N 195942 - 9066 Engine Installation

Схема запчастей Volvo SD122 S/N 195942 - - 9066 Engine Installation
FIT
1:1
100%

Артикул

Название

Примечание

Количество

2

RM 59127720

Mounting plate

1шт.

3

RM 58879768

Шайба

1шт.

4

RM 96739982

Винт шестигранник

1шт.

5

RM 96738612

Плоская шайба

1шт.

5

RM 96738612

Плоская шайба

1шт.

6

RM 96704630

Гайка

1шт.

7

RM 96711833

Шайба

1шт.

7

RM 96711833

Шайба

1шт.

8

RM 96704556

Винт шестигранник

1шт.

8

RM 96704556

Винт шестигранник

1шт.

9

RM 96704812

Hexagon nut

1шт.

9

RM 96704812

Hexagon nut

1шт.

Выбрано товаров: 12