Запчасти Volvo SD122 S/N 195942 - 43767 Back-up Alarm Installation

Схема запчастей Volvo SD122 S/N 195942 - - 43767 Back-up Alarm Installation
FIT
1:1
100%

Артикул

Название

Примечание

Количество

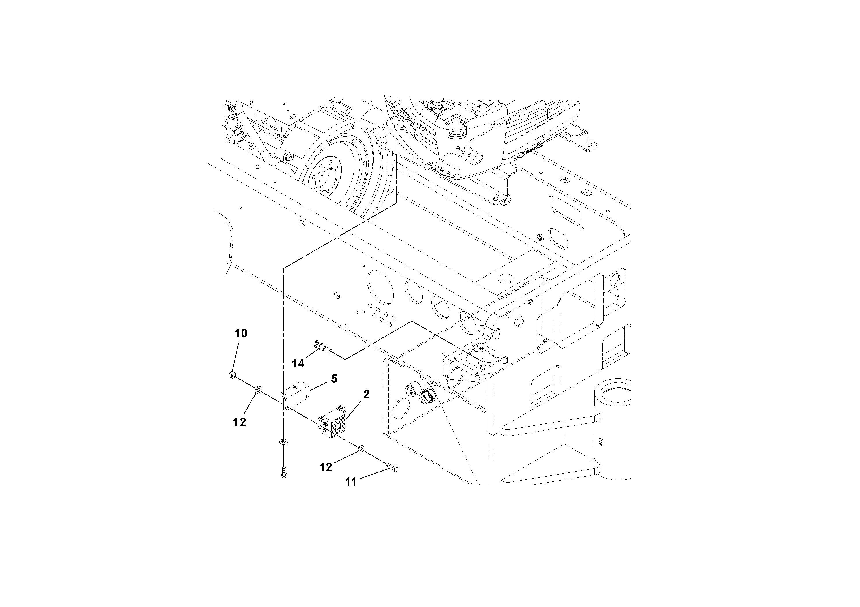
10

RM 96704234

Гайка

1шт.

10

RM 96704234

Гайка

1шт.

11

RM 96714472

Винт шестигранник

1шт.

12

RM 96741053

Шайба

1шт.

12

RM 96741053

Шайба

1шт.

14

RM 13406780

Temperature sensor

TEMPERATURE

1шт.

2

RM 58870924

Anti-theft alarm

1шт.

2

RM 58870924

Anti-theft alarm

1шт.

5

RM 13214028

Кронштейн

1шт.

Выбрано товаров: 9