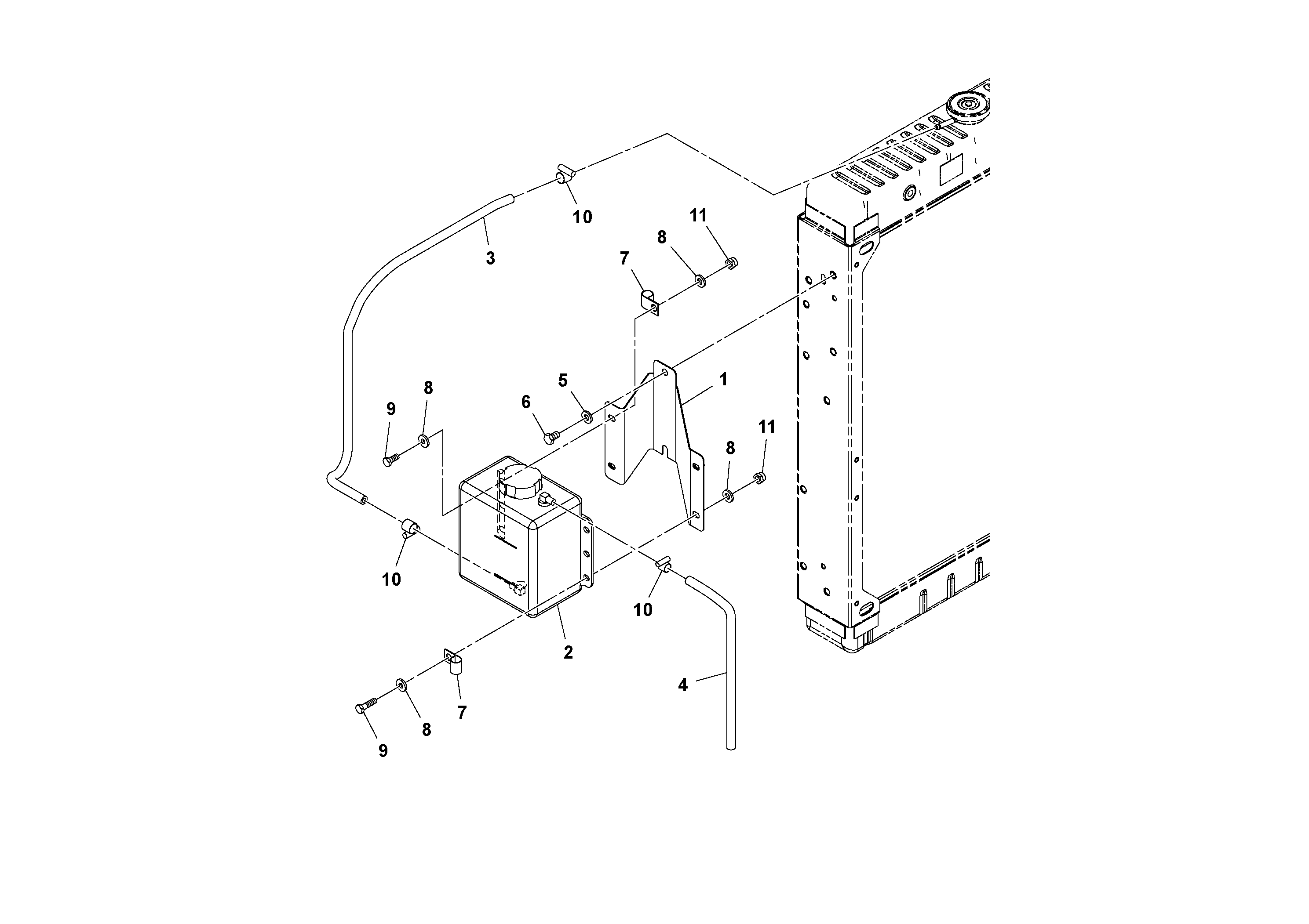
Запчасти Volvo SD130D/DX/F S/N 600012 - 81885 Бак (бачок) расширительный

Схема запчастей Volvo SD130D/DX/F S/N 600012 - - 81885 Бак (бачок) расширительный
FIT
1:1
100%

Артикул

Название

Примечание

Количество

RM 59154807

Cap

1шт.

1

RM 43897420

Кронштейн

1шт.

10

RM 50274299

Hose clamp

1шт.

10

RM 50274299

Hose clamp

1шт.

11

RM 96704606

Lock nut

1шт.

11

RM 96704606

Lock nut

1шт.

2

RM 58802851

Plastic bottle

1шт.

3

RM 13216734

Hose assembly

1шт.

4

RM 59242263

Hose assembly

1шт.

5

RM 96741046

Плоская шайба

1шт.

5

RM 96741046

Плоская шайба

1шт.

6

RM 96702279

Винт шестигранник

1шт.

6

RM 96702279

Винт шестигранник

1шт.

7

RM 59103598

Зажим

1шт.

8

RM 96741038

Шайба

1шт.

8

RM 96741038

Шайба

1шт.

9

RM 96702659

Винт шестигранник

1шт.

9

RM 96702659

Винт шестигранник

1шт.

Выбрано товаров: 18