Запчасти Volvo SD130D/DX/F S/N 600012 - 91059 Cab With Heat Installation

Схема запчастей Volvo SD130D/DX/F S/N 600012 - - 91059 Cab With Heat Installation
FIT
1:1
100%

Артикул

Название

Примечание

Количество

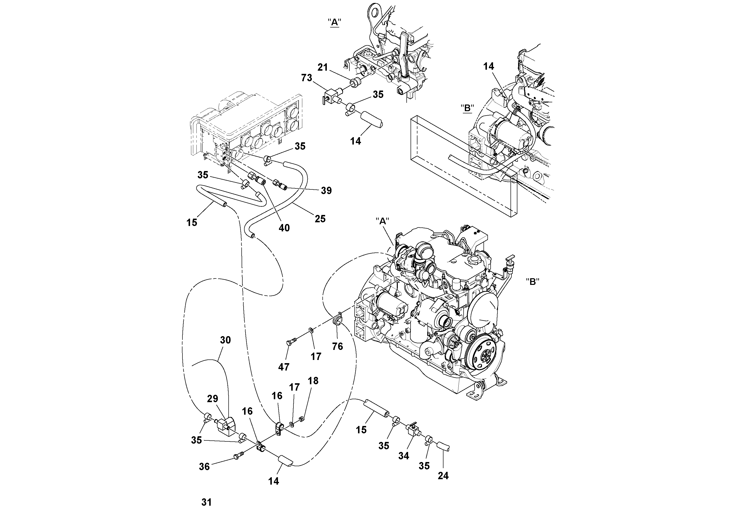
14

RM 95285144

Шланг

1шт.

15

RM 59919522

Hose assembly

1шт.

16

RM 59465674

Зажим

1шт.

16

RM 59465674

Зажим

1шт.

17

RM 96741046

Плоская шайба

1шт.

17

RM 96741046

Плоская шайба

1шт.

18

RM 96704614

Гайка

1шт.

18

RM 96704614

Гайка

1шт.

21

RM 59903203

Reducer

1шт.

24

RM 59823716

Шланг

1шт.

25

RM 59845743

Hose assembly

1шт.

29

RM 13200027

Клапан

1шт.

30

RM 13200035

Cable harness

1шт.

31

RM 13355003

Decal

1шт.

34

RM 13254909

Shut-off valve

1шт.

35

RM 95671285

Hose clamp

1шт.

36

RM 96701917

Винт шестигранник

1шт.

36

RM 96701917

Винт шестигранник

1шт.

47

RM 96702279

Винт шестигранник

1шт.

47

RM 96702279

Винт шестигранник

1шт.

73

RM 59392795

Клапан

1шт.

76

RM 59465641

Зажим

1шт.

Выбрано товаров: 22