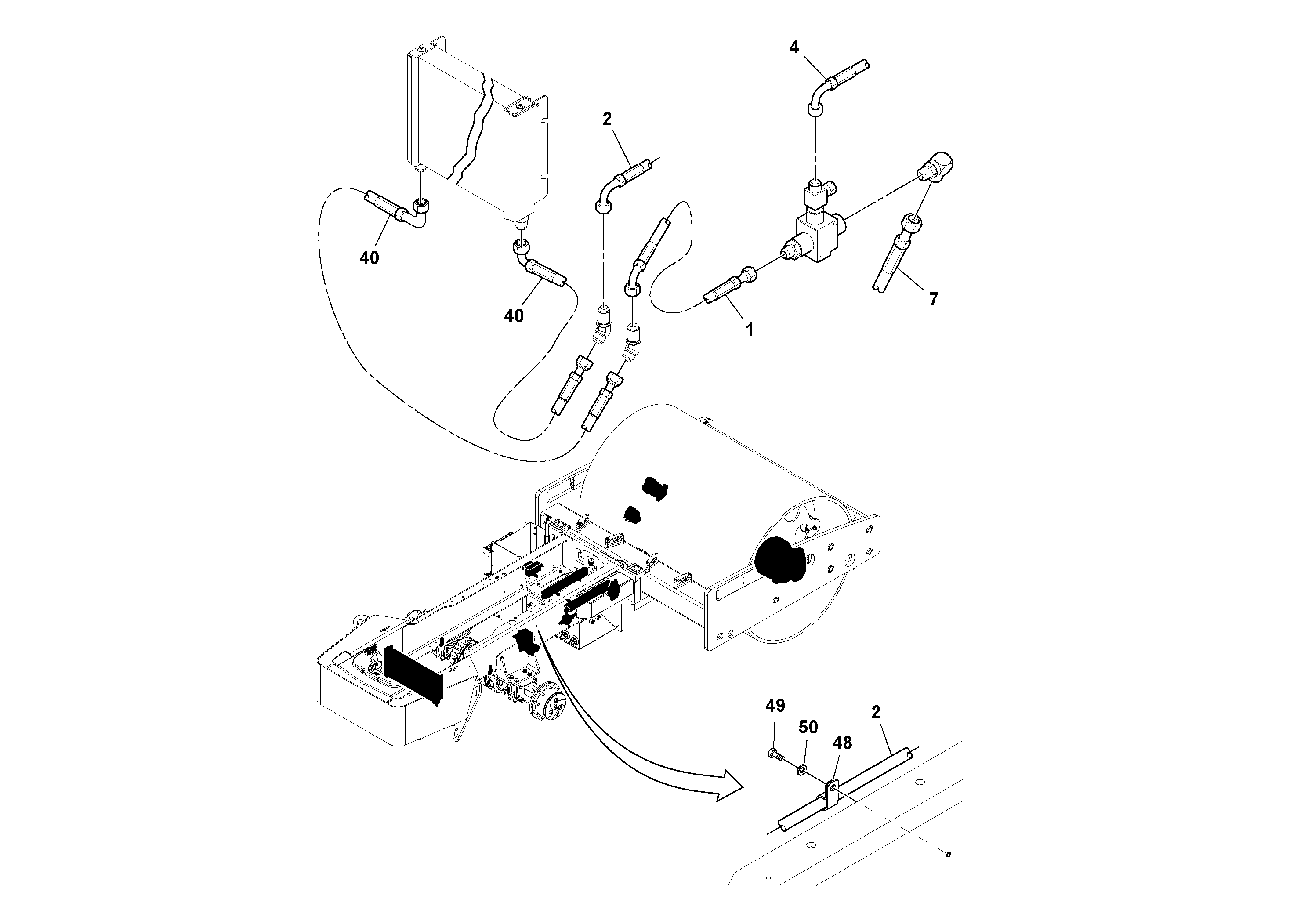
Запчасти Volvo SD130D/DX/F S/N 600012 - 100137 Rear Frame Hoses Installation

Схема запчастей Volvo SD130D/DX/F S/N 600012 - - 100137 Rear Frame Hoses Installation
FIT
1:1
100%

Артикул

Название

Примечание

Количество

1

RM 13225073

Hose assembly

1шт.

2

RM 13204425

Hose assembly

1шт.

4

RM 13204565

Hose assembly

1шт.

40

RM 13313952

Hose assembly

1шт.

48

RM 95457586

Зажим

1шт.

49

RM 96714829

Винт шестигранник

1шт.

50

RM 96738596

Шайба

1шт.

7

RM 59203406

Hose assembly

1шт.

Выбрано товаров: 8