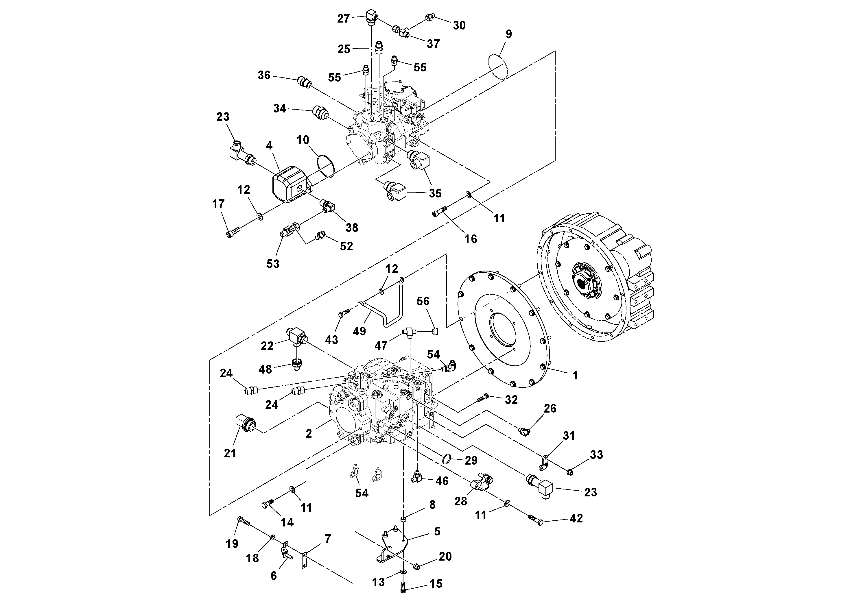
Запчасти Volvo SD130D/DX/F S/N 600012 - 106856 Pump Stack Assembly

Схема запчастей Volvo SD130D/DX/F S/N 600012 - - 106856 Pump Stack Assembly
FIT
1:1
100%

Артикул

Название

Примечание

Количество

1

RM 58966086

Пластина

1шт.

10

RM 95988796

Кольцо уплотнительное (О-кольцо)

1шт.

10

RM 95988796

Кольцо уплотнительное (О-кольцо)

1шт.

11

RM 96738596

Шайба

1шт.

12

RM 96741046

Плоская шайба

1шт.

12

RM 96741046

Плоская шайба

1шт.

13

RM 96741038

Шайба

1шт.

13

RM 96741038

Шайба

1шт.

14

RM 96702329

Винт шестигранник

1шт.

15

RM 96705587

Винт шестигранник

1шт.

15

RM 96705587

Винт шестигранник

1шт.

16

RM 96708300

Винт шестигранник (торцевой ключ)

1шт.

17

RM 96702162

Винт шестигранник (торцевой ключ)

1шт.

17

RM 96702162

Винт шестигранник (торцевой ключ)

1шт.

18

RM 96738554

Плоская шайба

1шт.

18

RM 96738554

Плоская шайба

1шт.

19

RM 96705736

Винт шестигранник

1шт.

19

RM 96705736

Винт шестигранник

1шт.

2

RM 43947043

Гидронасос (основной насос)

1шт.

20

RM 96704580

Lock nut

1шт.

20

RM 96704580

Lock nut

1шт.

21

RM 95376133

Адаптер

1шт.

21

RM 95376133

Адаптер

1шт.

22

RM 95829263

T-nipple

1шт.

22

RM 95829263

T-nipple

1шт.

23

RM 59847798

Адаптер

1шт.

24

RM 95303384

Адаптер

1шт.

25

RM 95285946

Адаптер

1шт.

25

RM 95285946

Адаптер

1шт.

26

RM 95866687

Адаптер

1шт.

26

RM 95866687

Адаптер

1шт.

27

RM 59922906

Адаптер

1шт.

28

RM 58901653

Зажим

1шт.

28

RM 58901653

Зажим

1шт.

29

RM 59993881

Кольцо уплотнительное (О-кольцо)

1шт.

29

RM 59993881

Кольцо уплотнительное (О-кольцо)

1шт.

30

RM 59923961

Reducer

1шт.

31

RM 13187372

Intermediate lever

1шт.

32

RM 96701461

Винт шестигранник

1шт.

32

RM 96701461

Винт шестигранник

1шт.

33

RM 96704598

Lock nut

1шт.

33

RM 96704598

Lock nut

1шт.

34

RM 95469128

Адаптер

1шт.

34

RM 95469128

Адаптер

1шт.

35

RM 59922989

Адаптер

1шт.

35

RM 59922989

Адаптер

1шт.

36

RM 95356960

Адаптер

1шт.

36

RM 95356960

Адаптер

1шт.

37

RM 59923797

T-nipple

1шт.

37

RM 59923797

T-nipple

1шт.

38

RM 95303350

Адаптер

1шт.

38

RM 95303350

Адаптер

1шт.

4

RM 43844760

Пилотный (шестерёнчатый) насос

VAR FRQ/DUL AMP

1шт.

4

RM 58898677

Sealing kit

1шт.

4

RM 58898677

Sealing kit

1шт.

42

RM 96705595

Винт шестигранник

1шт.

43

RM 96704309

Винт шестигранник

1шт.

43

RM 96704309

Винт шестигранник

1шт.

46

RM 95653614

Адаптер

1шт.

47

RM 95431284

T-nipple

1шт.

48

RM 59672709

Адаптер

1шт.

5

RM 59109041

Mounting plate

1шт.

52

RM 59929182

Адаптер

1шт.

52

RM 59929182

Адаптер

1шт.

53

RM 13208004

Nipple

1шт.

54

RM 59922823

Адаптер

1шт.

54

RM 59922823

Адаптер

1шт.

55

RM 59922419

Адаптер

1шт.

55

RM 59922419

Адаптер

1шт.

56

RM 95257341

Cap

1шт.

56

RM 95257341

Cap

1шт.

6

RM 59580571

Cable clamp

1шт.

7

RM 59617985

Прокладка

1шт.

8

RM 13213111

Вставка

1шт.

9

RM 95988804

Кольцо уплотнительное (О-кольцо)

1шт.

Выбрано товаров: 75