Качественные детали и логистика
Оригинальные и аналоговые запчасти с доставкой по России, Казахстану и Беларуси
©2022 PartSell ООО "Система" ИНН 2463123282 ОГРН 1212400004838
Центральный офис: г. Красноярск, Академика Киренского, д.87, пом.4
Телефон: 8 (800) 777-65-74 Email: zakaz@partsell.ru
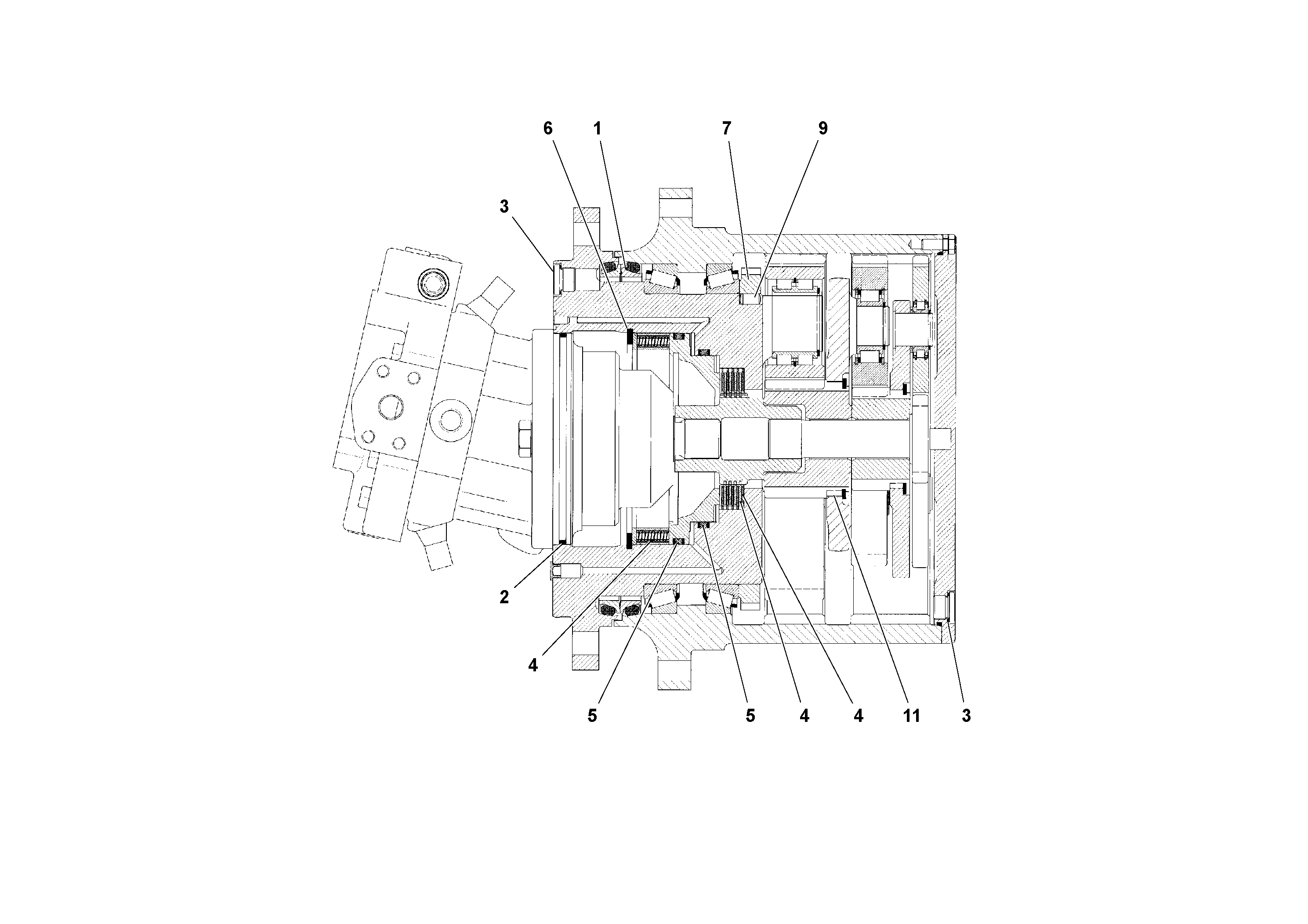
83136 Drum Drive Motor
№
Артикул
Название
Примечание
Количество
RM 13494513
Ступица
1шт.
1
RM 13494521
Slip ring sealing
10
RM 13871611
Sealing kit
11
RM 43888353
Подшипник
2
RM 13462163
Кольцо уплотнительное (О-кольцо)
3
RM 13462106
Кольцо уплотнительное
4
RM 13494539
Brake disc kit
5
RM 13462205
6
RM 13871579
Retaining ring
7
RM 13871587
Гайка
8
RM 13871595
9
RM 13871603
Dowel
Выбрано товаров: 0