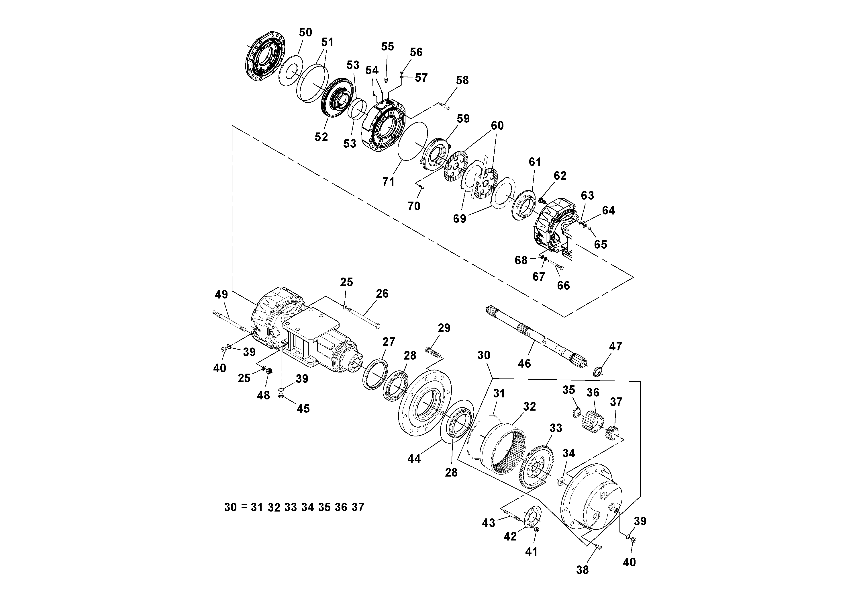
Запчасти Volvo SD130D/DX/F S/N 600012 - 82318 Мост (ось)

Схема запчастей Volvo SD130D/DX/F S/N 600012 - - 82318 Мост (ось)
FIT
1:1
100%

Артикул

Название

Примечание

Количество

25

RM 13229083

Шайба

1шт.

25

RM 13229083

Шайба

1шт.

26

RM 13229075

Болт

1шт.

27

RM 13229091

Кольцо уплотнительное

1шт.

28

RM 13229109

Подшипник

1шт.

29

RM 13228564

Шпилька колеса

1шт.

30

RM 13243712

Шестерня планетарная (сателлит), комплект

1шт.

31

RM 13229125

Скоба (хомут)

1шт.

32

RM 13229133

Шестерня коронная (кольцевая, планетарная)

1шт.

33

RM 13229141

Gear

1шт.

34

RM 59242867

Шайба, фрикционная

1шт.

34

RM 59242867

Шайба, фрикционная

1шт.

35

RM 13229158

Шайба, фрикционная

1шт.

36

RM 13229166

Шестерня планетарная (сателлит)

1шт.

37

RM 13229174

Подшипник

1шт.

38

RM 59246835

Болт

1шт.

38

RM 59246835

Болт

1шт.

39

RM 59794123

Шайба

1шт.

39

RM 59794123

Шайба

1шт.

40

RM 59794115

Пробка (заглушка)

1шт.

40

RM 59794115

Пробка (заглушка)

1шт.

41

RM 59153619

Гайка

1шт.

41

RM 59153619

Гайка

1шт.

42

RM 13229117

Locking plate

1шт.

43

RM 59153601

Шпилька

1шт.

43

RM 59153601

Шпилька

1шт.

44

RM 58974155

Кольцо уплотнительное (О-кольцо)

1шт.

44

RM 58974155

Кольцо уплотнительное (О-кольцо)

1шт.

45

RM 59146241

Пробка (заглушка)

1шт.

45

RM 59146241

Пробка (заглушка)

1шт.

46

RM 13229182

Полуось

1шт.

47

RM 58916685

Кольцо уплотнительное

1шт.

47

RM 58916685

Кольцо уплотнительное

1шт.

48

RM 13229190

Гайка

1шт.

48

RM 13229190

Гайка

1шт.

49

RM 13243704

Шпилька

1шт.

50

RM 59218461

Шайба пружинная

1шт.

50

RM 59218461

Шайба пружинная

1шт.

51

RM 59218495

Кольцо уплотнительное (О-кольцо)

1шт.

52

RM 13243720

Поршень

1шт.

53

RM 59778266

Кольцо уплотнительное (О-кольцо)

1шт.

54

RM 13243738

Болт

1шт.

55

RM 59146233

Клапан

1шт.

55

RM 59146233

Клапан

1шт.

56

RM 59153866

Болт

1шт.

56

RM 59153866

Болт

1шт.

57

RM 59153858

Шайба

1шт.

57

RM 59153858

Шайба

1шт.

58

RM 59793463

Болт

1шт.

59

RM 13264213

Disc

1шт.

60

RM 54705447

Brake disc

1шт.

60

RM 54705447

Brake disc

1шт.

61

RM 59251074

Кольцо

1шт.

62

RM 58917113

Шестерня

1шт.

63

RM 58917147

Кольцо уплотнительное (О-кольцо)

1шт.

64

RM 54633557

Locking plate

1шт.

65

RM 58917097

Винт шестигранник

1шт.

66

RM 59218511

Болт

1шт.

67

RM 58917014

Гайка

1шт.

67

RM 58917014

Гайка

1шт.

68

RM 90502816

Шайба

1шт.

68

RM 90502816

Шайба

1шт.

69

RM 59153759

Brake disc

1шт.

69

RM 59153759

Brake disc

1шт.

70

RM 59146282

Болт

1шт.

70

RM 59146282

Болт

1шт.

71

RM 58974155

Кольцо уплотнительное (О-кольцо)

1шт.

71

RM 58974155

Кольцо уплотнительное (О-кольцо)

1шт.

Выбрано товаров: 68