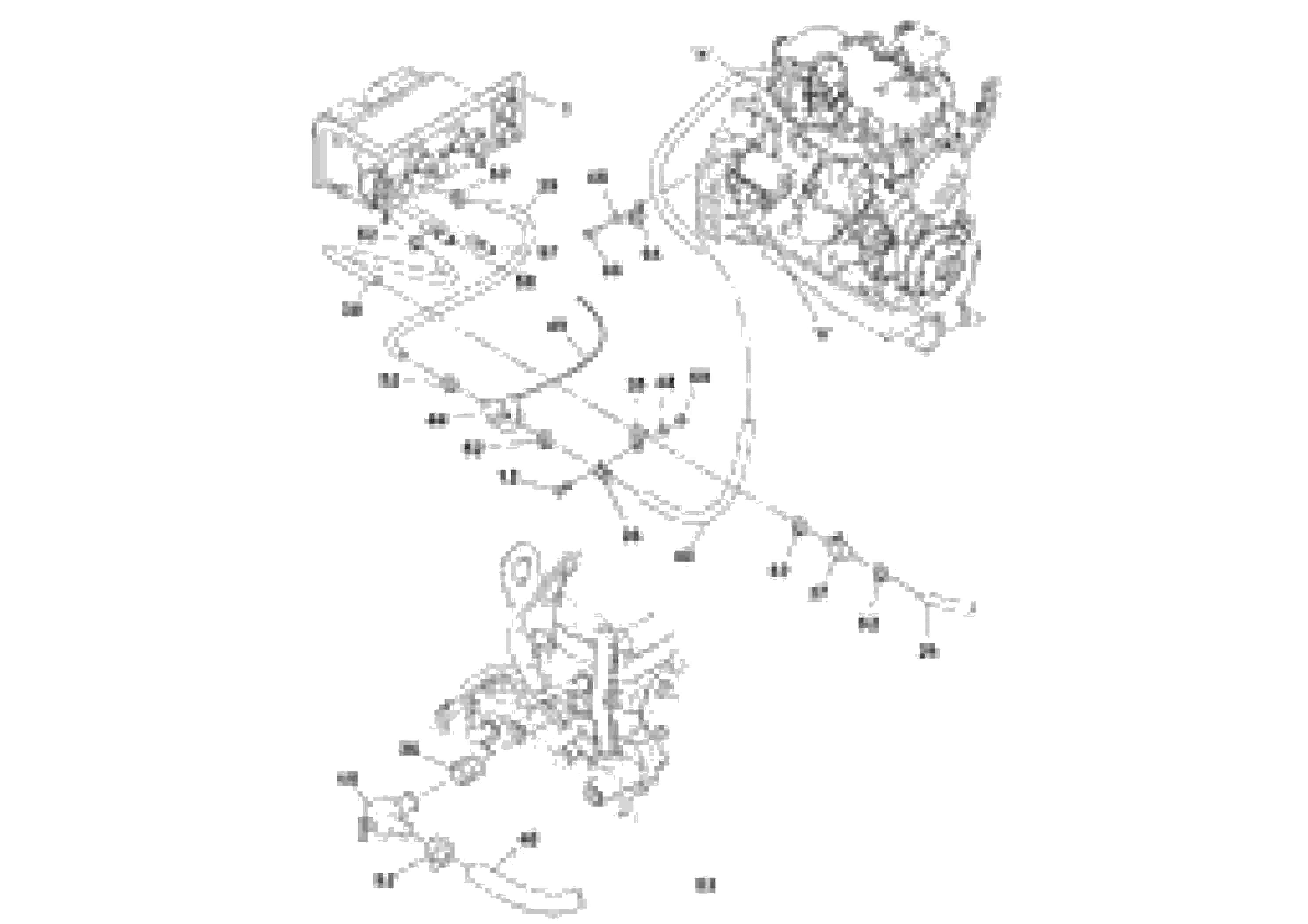
Запчасти Volvo SD160DX/SD190/SD200 S/N 197386 - 91516 Heating and Air Conditioning Installation

Схема запчастей Volvo SD160DX/SD190/SD200 S/N 197386 - - 91516 Heating and Air Conditioning Installation
FIT
1:1
100%

Артикул

Название

Примечание

Количество

1

RM 13237367

Heater cartridge

1шт.

12

RM 96701917

Винт шестигранник

1шт.

12

RM 96701917

Винт шестигранник

1шт.

15

RM 59392795

Клапан

1шт.

26

RM 59823716

Шланг

1шт.

35

RM 59465674

Зажим

1шт.

35

RM 59465674

Зажим

1шт.

36

RM 59903203

Reducer

1шт.

37

RM 13254909

Shut-off valve

1шт.

38

RM 59845768

Hose assembly

1шт.

39

RM 59775221

Шланг

1шт.

40

RM 95285144

Шланг

1шт.

44

RM 13200027

Клапан

1шт.

48

RM 96741046

Плоская шайба

1шт.

48

RM 96741046

Плоская шайба

1шт.

49

RM 13200035

Cable harness

1шт.

52

RM 95671285

Hose clamp

1шт.

57

RM 43801992

Hose assembly

1шт.

58

RM 43889153

Hose assembly

1шт.

59

RM 96704614

Гайка

1шт.

59

RM 96704614

Гайка

1шт.

64

RM 59465641

Зажим

1шт.

66

RM 96702279

Винт шестигранник

1шт.

66

RM 96702279

Винт шестигранник

1шт.

Выбрано товаров: 24