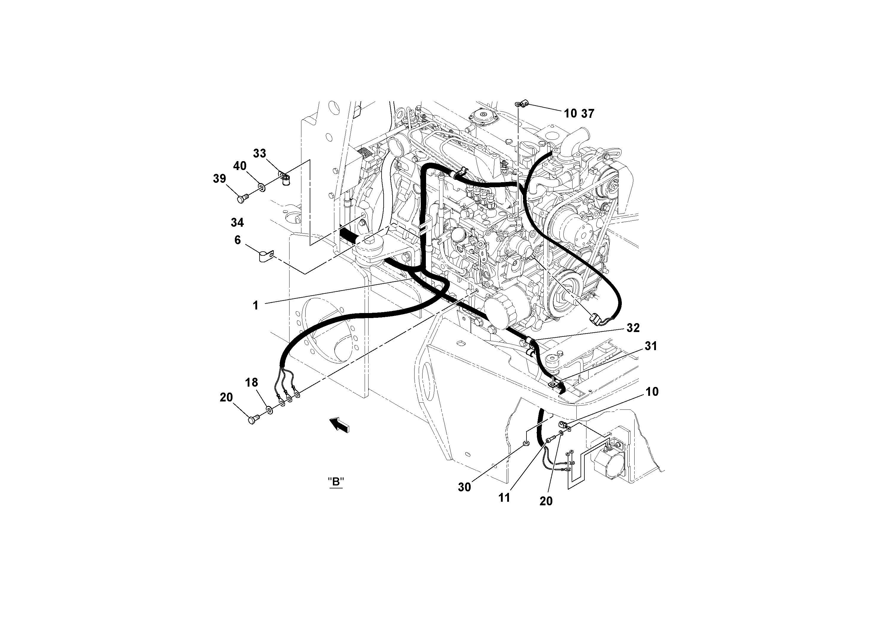
Запчасти Volvo SD25D/SD25F S/N 197379 - 102964 Cable Harness Installation

Схема запчастей Volvo SD25D/SD25F S/N 197379 - - 102964 Cable Harness Installation
FIT
1:1
100%

Артикул

Название

Примечание

Количество

RM 43873975

Cable harness

S/N 196522-

1шт.

1

RM 13867593

Cable harness

S/N -196522

1шт.

10

RM 59020305

Зажим

1шт.

11

RM 96701958

Винт шестигранник

1шт.

18

RM 96741046

Плоская шайба

1шт.

18

RM 96741046

Плоская шайба

1шт.

20

RM 96741053

Шайба

1шт.

20

RM 96741053

Шайба

1шт.

30

RM 96704614

Гайка

1шт.

30

RM 96704614

Гайка

1шт.

31

RM 59103598

Зажим

1шт.

32

RM 59117309

Зажим

1шт.

32

RM 59117309

Зажим

1шт.

33

RM 59726075

Зажим

1шт.

34

RM 59117317

Зажим

1шт.

34

RM 59117317

Зажим

1шт.

37

RM 59371922

Зажим

1шт.

39

RM 43990118

Capscrew

1шт.

6

RM 59117333

Зажим

1шт.

Выбрано товаров: 19